Запчасти Case IH 385 (2-050) - OIL PUMP (02) - ENGINE

Схема запчастей Case IH 385 - (2-050) - OIL PUMP (02) - ENGINE
22
3
7
21
15
27
24
11
26
6
29
28
14
2
16
22
8
12
1
9
20
5
10
4
17
5
26
19
13
18
23
25
5
FIT
1:1
100%

Артикул

Название

Примечание

Количество

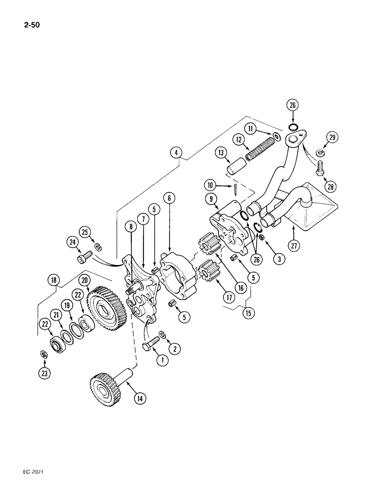
3136429R95

PUMP, ENGINE OIL

PUMP - oil, Includes: Ref. 1 thru 23

1шт.

1

179823

BOLT,Hex, 5/16" - 18 x 1 5/8", Gr 5

4шт.

2

3050129R1

LOCK WASHER

WASHER - lock, 5/16 inch

4шт.

3

9635082

NUT,5/16" - 18, Gr 5

- hex, 5/16 inch NC, grade 5

4шт.

4

3136435R95

HOUSING ASSY.

CARRIER, Includes: Ref. 5 thru 13 and 18 thru 22

1шт.

5

932597R1

LOCK PIN,M10 x 14, Slotted

Spring M10 x 14, Slotted

3шт.

6

NSS

NOT SOLD SEPARAT

CASE - oil pump gear

1шт.

7

NSS

NOT SOLD SEPARAT

CARRIER - oil pump gear

1шт.

8

3055297R5

AXLE

SHAFT - idler gear

1шт.

9

NSS

NOT SOLD SEPARAT

COVER - oil pump, Includes: Ref. 10 thru 13

1шт.

10

103387

COTTER PIN,1/8" x 1 1/2"

Pin, Split (Cotter), 1/8" x 1 1/2"

1шт.

11

3139620R1

SPRING WASHER

- spring retaining

1шт.

12

3136264R1

SPRING

- pressure relief valve

1шт.

13

3055202R2

VALVE

- piston relief

1шт.

14

3136437R91

PINION

GEAR - drive

1шт.

15

3136440R91

GEAR-SET

GEAR - set, oil pump, Includes: Ref. 16 and 17

1шт.

16

NSS

NOT SOLD SEPARAT

GEAR - oil pump idler

1шт.

17

NSS

NOT SOLD SEPARAT

GEAR - oil pump

1шт.

18

NSS

NOT SOLD SEPARAT

GEAR - oil pump idler

1шт.

19

933579R1

SNAP RING,M35, Int

Retaining M35, Int

1шт.

20

3055291R1

PINION

GEAR - idler

1шт.

21

3055292R1

WASHER

WASHER

1шт.

22

3055294R91

TAPERED BEARING

BEARING - taper roller

2шт.

23

3228141R1

LOCK NUT

- lock

1шт.

24

21035R1

HEX SOC SCREW,5/16"-18 x 1"

- hex socket head, 5/16"-18 NC x 1"

4шт.

25

3050129R1

LOCK WASHER

WASHER - lock, 5/16 inch

4шт.

26

3228577R1

O-RING,3.1mm Thk x 24.5mm ID, Cl 7

- oil pump sealing

3шт.

27

1806888C1

PIPE ASSY.

PIPE - oil pressure and suction

1шт.

28

179816

BOLT,Hex, 5/16" - 18 x 3/4", Gr 5

1шт.

29

3050129R1

LOCK WASHER

WASHER - lock, 5/16 inch

1шт.

Выбрано товаров: 30