Запчасти Case IH 385 (0B03-2) - DRAFT CONTROL (07) - HYDRAULICS

Схема запчастей Case IH 385 - (0B03-2) - DRAFT CONTROL (07) - HYDRAULICS
25
26
23
5
27
9
6
22
21
11
13
14
30
17
16
3
4
10
1
28
19
18
24
20
15
12
8
2
7
29
FIT
1:1
100%

Артикул

Название

Примечание

Количество

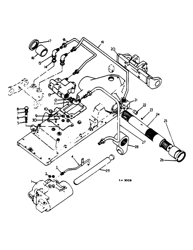
1

399885R21

CYLINDER ASSY.

DRAFT CONTROL - FOR COMPONENTS, SEE LIST OF PARTS UNDER DETAILS OF DRAFT CONTROL CYLINDER VALVE

1шт.

413-822

BOLT,Hex, 1/2" - 13 x 1-3/8", Gr 5

1/2-13 X 1-3/8 HEX-HD CAP

3шт.

400000R1

SEALING WASHER

CAP SCREW SEALING

3шт.

2

377952R1

O-RING,0.103" Thk x 0.549" ID, -113, Cl 6, 90 Duro

SEAL, CYL TO HYD HSG

2шт.

3

222-504

TUBE NUT,9/16"-20

9/16-20 HI-DUTY TUBE FITTING

1шт.

4

60652C1

TUBE ASSY.

LUB

1шт.

13-510

BOLT,Hex, 5/16" - 18 x 5/8", Gr 5, Full Thd

3шт.

5

50-1804T1

O-RING,0.103" Thk x 0.362" ID, -110, Cl 6, 90 Duro

3/8 X 9/16 X 3/32

1шт.

6

400095R92

VALVE, CUSHION

1шт.

7

570828R1

O-RING,0.087" Thk x 0.644" ID, -908, Cl 6, 90 Duro

1/2 OD TUBE

1шт.

8

736223

PLUG

3/4-16 STR THD O-RING BOSS

1шт.

9

377952R1

O-RING,0.103" Thk x 0.549" ID, -113, Cl 6, 90 Duro

9/16 X 3/4 X 3/32

2шт.

10

4033/25683

GASKET

11/16 X 7/8 X 3/32

1шт.

11

9410978

ELBOW,90 Degree, 7/8"-14, 37 Degree x 7/8"-14, O-Ring

7/8-14 C-Z 37 DEG HYD FLARED TUBE ADJ STR THR 90 DEG

1шт.

12

364885R1

O-RING,0.097" Thk x 0.755" ID, -910, Cl 6, 90 Duro

5/8 TUBE

1шт.

13

256282A1

VALVE

UNLOADING AND FLOW CONTROL - FOR COMPONENTS, SEE LIST OF PARTS UNDER DETAILS OF UNLOADING AND FLOW CONTROL VALVE

1шт.

413-620

BOLT,Hex, 3/8" - 16 x 1-1/4", Gr 5

2шт.

88546

BOLT,Hex, 3/8" - 16 x 2 1/4", Gr 5

3/8-16 X 2-1/4 HEX HD CAP

2шт.

492-11038

LOCK WASHER,3/8"

4шт.

14

570828R1

O-RING,0.087" Thk x 0.644" ID, -908, Cl 6, 90 Duro

1/2 OD TUBE

2шт.

15

9410977

ELBOW,90 Degree, 3/4"-16, 37 Degree x 3/4"-16, O-Ring

3/4-16,37 DEG HYD FLARED TUBE ADJUSTABLE STR THREAD 90 DEG

1шт.

16

399992R1

BUSHING

ROCKSHAFT RH

1шт.

16

1500447C1

BUSHING

ROCKSHAFT RH OVERSIZE

1шт.

17

380771R91

SEAL

ROCKSHAFT RH OIL

1шт.

17

380770R91

OIL SEAL

ROCKSHAFT RH

1шт.

17

530096R91

SEAL

ROCKSHAFT RH OIL - OPTIONAL

1шт.

18

66759C1

TUBE ASSY.

VARIABLE FLOW

1шт.

19

66758C1

TUBE

VARIABLE FLOW CONTROL SUPPLY

1шт.

20

527229R92

SUPPORT

SPRING ASSY, DRAFT SENSING

1шт.

61-36228

HEX SOC SCREW,5/8"-11 x 1 3/4"

5/8-11 X 1-3/4 HEX-SOC-HD

4шт.

19842

SPARE PART

PIN, 5/16 X 1/2 DOWEL

1шт.

21

406003R32

HOUSING ASSY.

HYDRAULIC UNIT

1шт.

531143R2

STUD

TOP COVER LONG

2шт.

531144R1

STUD

TOP COVER SHORT

2шт.

425-106

NUT,3/8"-16, Cl 5

4шт.

492-11038

LOCK WASHER,3/8"

4шт.

22

399993R1

BUSHING

ECCENTRIC SHAFT

1шт.

23

376057R1

BUCKET TOOTH KEY

KEY, ROCKSHAFT HUB

1шт.

24

400049R4

SHAFT

HYD DRAFT CONTROL

1шт.

537126R2

PLATE

RETAINING LIFT ARM

2шт.

413-1028

BOLT,Hex, 5/8" - 11 x 1-3/4", Gr 5

5/8-11 X 1-3/4 CAP

2шт.

25

527749R1

BUSHING,63.52mm ID x 66.67mm OD x 50.8mm L

ROCKSHAFT LH

1шт.

25

1500532C1

BUSHING

ROCKSHAFT LH OVERSIZE

1шт.

26

380212R91

OIL SEAL

ROCKSHAFT LH

1шт.

26

380212R91

OIL SEAL

ROCKSHAFT LH OIL - OPTIONAL

1шт.

27

3129243R2

PIPE

DRAFT CONTROL PRESSURE 385485

1шт.

27

66760R1

TUBE ASSY, DRAFT CONTROL PRESSURE - 484

1шт.

28

400053R4

LEVER

ROCKSHAFT BELLCRANK

1шт.

376069R1

SET SCREW

ROCKSHAFT BELLCRANK

1шт.

63180

LOCK PIN,5/16" x 2 1/4", Slotted

5121 up 5/16" x 2 1/4", Slotted

1шт.

400052R1

PIN

HYD CYL CONN ROD

1шт.

95-31027

WASHER,1/4"

17/64 X 5/8 X 18 GA

1шт.

83723R1

WAVE WASHER

SPRING

1шт.

80756

COTTER PIN,1/8" x 3/4"

1шт.

29

400054R2

ROD

HYD CYLINDER CONNECTING

1шт.

30

59099C1

O-RING,2.39mm Thk x 6.6mm ID

1шт.

Выбрано товаров: 56