Запчасти Case IH 385 (10-01) - HYDRAULICS, HYDRAULIC POWER SUPPLY AND MULTIPLE CONTROL VALVE (07) - HYDRAULICS

Схема запчастей Case IH 385 - (10-01) - HYDRAULICS, HYDRAULIC POWER SUPPLY AND MULTIPLE CONTROL VALVE (07) - HYDRAULICS
13
9
6
12
7
21
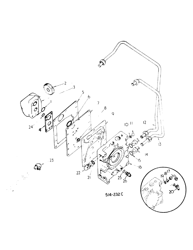
2
11
15
4
8
22
14
19
17
18
16
20
3
26
10
5
1
25
23
24
FIT
1:1
100%

Артикул

Название

Примечание

Количество

1

372821R1

O-RING,0.103" Thk x 1.049" ID, -121, Cl 5, 75 Duro

1 1/16 x 1-1/4 x 3/32, pump suction port

1шт.

2

406793R2

GEAR

hyd pump driven, 20T

1шт.

19258R1

LOCK NUT,1/2"-20, GB

NUT, 1/2-NF P/T lock type 5

1шт.

3

128180C91

PUMP, HYDRAULIC

PUMP ASSY, hydraulic gear, 12 GPM, Cessna, optional w/406763R92, only serviceable items are

1шт.

3

84573150R

REMAN-HYD PUMP

385 INTERNATIONAL DIESEL TRACTOR (NORTH AMERICA), PUMP ASSY, hydraulic gear, 12 GPM, Cessna (1/84-12/90), Reman for New PN 128180C91

1шт.

3

84573150C

CORE-HYDRAULIC PUMP

Return Number

1шт.

124546

WOODRUFF KEY,#6, 5/32" x 5/8", HT

1шт.

73234C91

PACKAGE,SERVICE

KIT, o-ring and gasket service, consists of back-up gasket (NSS)

1шт.

17007R1

BALL

7/32 grade 25 metal diaphragm (NSS), diaphragm seal (NSS), protector gasket (NSS), seal, pump shaft oil (NSS)

1шт.

371523R1

SPRING

ball check

1шт.

3

406763R92

HYDRAULIC PUMP

PUMP ASSY, hydraulic gear, 12 GPM, Plessey, optional w/128180C91, only serviceable items are

1шт.

3

84573150R

REMAN-HYD PUMP

385 INTERNATIONAL DIESEL TRACTOR (NORTH AMERICA), PUMP ASSY, hydraulic gear, 12 GPM, Plessey (1/84-12/90), Reman for New PN 406763R92

1шт.

3

84573150C

CORE-HYDRAULIC PUMP

Return Number

1шт.

124546

WOODRUFF KEY,#6, 5/32" x 5/8", HT

1шт.

1502030C1

SEAL KIT

PACKAGE, seal service, consists of (2) back-up ring (NSS), (2) pressure loading ring (NSS), seal, pump shaft oil (NSS), instructions (NSS)

1шт.

179829

BOLT,Hex, 5/16" - 18 x 2 3/4", Gr 5

2шт.

186270

BOLT,Hex, 5/16" - 18 x 3 1/2", Gr 5

2шт.

382331R1

SEALING WASHER,8.33mm ID x 12.7mm OD x 0.79mm Thk

pump mounting bolt

4шт.

3123364R1

SEAL

hydraulic pump, for Cessna pump, 128180C91

1шт.

69352C1

SEAL

hydraulic pump, for Plessey pump, 406763R92

1шт.

69351C1

GLUE

ADHESIVE, 1 oz. tube industrial

1шт.

4

(Not used this application)

1шт.

5

401736R3

GASKET

multiple control valve HV

1шт.

6

707253R1

O-RING,-222, 70 Duro, 1.484" ID x .139" Thk

1-1/2 x 1-3/4 x 1/8 inlet port

1шт.

7

405458R2

LARGE PLATE

PLATE, multiple control valve

1шт.

8

387926R2

RING

rectangular

1шт.

9

65000C3

GASKET

multiple control valve body

1шт.

10

369751R1

O-RING,0.072" Thk x 0.351" ID, -904, Cl 6, 90 Duro

4-1, 90 Duro, .351" ID x .072" Thk, 1/4 OD tube

1шт.

11

9410356

PLUG

7/16-20 str thd o-ring boss

1шт.

12

66761C1

TUBE ASSY.

TUBE ASSY, draft control return

1шт.

13

66764C1

PIPE

TUBE ASSY, multiple control valve by-pass

1шт.

14

9410204

HYD CONNECTOR,7/8"-14, 37 Degree x 7/8"-14, O-Ring

CONNECTOR, 5/8 C-Z hyd fld short swivel

2шт.

15

364885R1

O-RING,0.097" Thk x 0.755" ID, -910, Cl 6, 90 Duro

5/8 OD tube

2шт.

16

57714C95

VALVE

ASSY, multiple control, for components, see list of parts under details of multiple control valve

1шт.

280161

BOLT,Hex, 3/8" - 16 x 3", Gr 5

9шт.

186284

BOLT,Hex, 3/8" - 16 x 3 3/4", Gr 5

3/8 x 3-3/4 pln type 5

1шт.

103321

LOCK WASHER,3/8"

WASHER, LOCK, 3/8"

10шт.

17

539835R1

TUBE ASSY.

TUBE ASSY, IPTO pressure, tractor w/IPTO

1шт.

18

9410200

HYD CONNECTOR,7/16" - 20 JIC x 7/16" - 20 ORB

UNION, 7/16-20 C-Z 37 deg hyd flared tube short swivel, tractors w/IPTO

1шт.

19

369751R1

O-RING,0.072" Thk x 0.351" ID, -904, Cl 6, 90 Duro

4-1, 90 Duro, .351" ID x .072" Thk, 1/4 OD tube, Tractors with IPTO

2шт.

20

9411115

TEE,7/16"-20, 37 Degree x 7/8"-14, O-Ring Br

7/16-20 C-Z deg hyd flared tube

1шт.

9403369

CAP,37 Degree, 7/16"-20

7/16-20 C-Z 37 deg hyd flared tube, tractors w/IPTO

1шт.

21

570828R1

O-RING,0.087" Thk x 0.644" ID, -908, Cl 6, 90 Duro

1/2 OD tube

1шт.

22

9410977

ELBOW,90 Degree, 3/4"-16, 37 Degree x 3/4"-16, O-Ring

3/4-16 C-Z deg hyd flared tube adj str thd 90 deg

1шт.

23

1500561C1

ELBOW

multiple control valve dump orifice

1шт.

570828R1

O-RING,0.087" Thk x 0.644" ID, -908, Cl 6, 90 Duro

1/2 OD tube class 6

1шт.

24

21433R1

O-RING,0.103" Thk x 0.674" ID, -115, Cl 6, 90 Duro

11/16 x 7/8 x 3/32, pump pressure port

1шт.

25

364839R1

O-RING,0.078" Thk x 0.468" ID, -906, Cl 6, 90 Duro

6-1, 90 Duro, .468" ID x .078" Thk, 3/8 OD tube, class 6

1шт.

26

57577C1

CHECK VALVE

VALVE ASSY, check

1шт.

Выбрано товаров: 49