Запчасти Case IH 385 (10-05) - HYDRAULICS, AUXILIARY VALVES, SINGLE, FOR TRACTORS EQUIPPED WITH HYDRAULIC DRAFT CONTROL (07) - HYDRAULICS

Схема запчастей Case IH 385 - (10-05) - HYDRAULICS, AUXILIARY VALVES, SINGLE, FOR TRACTORS EQUIPPED WITH HYDRAULIC DRAFT CONTROL (07) - HYDRAULICS
a
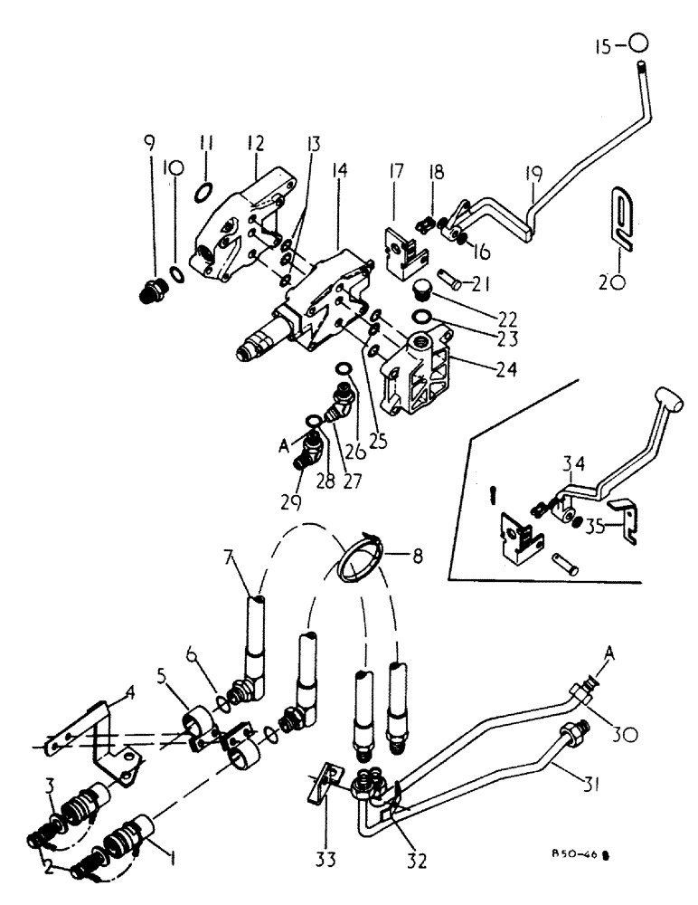
15
19
9
25
32
2
7
33
13
10
8
20
27
18
6
1
17
3
26
16
35
22
24
5
31
30
14
4
11
23
28
34
29
12
21
FIT
1:1
100%

Артикул

Название

Примечание

Количество

1

395150R91

COUPLING, QUICK, FEM

COUPLING ASSY, self sealing hydraulic

2шт.

2

373220R1

PLUG

ASSY, coupling dust, or

2шт.

2

401757R11

PLUG

ASSY, coupling dust

2шт.

3

401758R1

WASHER,14.48mm ID x 38.1mm OD x 3.05mm Thk

dust plug

2шт.

4

535298R1

SUPPORT

BRACKET ASSY, rear manifold mounting

1шт.

9635884

BOLT,Hex, 5/16" - 18 1", Full Thd, Gr 5

5/16 x 1 type 5

2шт.

80681

LOCK WASHER,5/16"

WASHER, LOCK, 5/16"

2шт.

120376

NUT,5/16"-18, G5

2шт.

179890

LATCH

1/2 x 2-1/4 pln type 5

2шт.

5

3114106R1

CLAMP

coupling

2шт.

6

364885R1

O-RING,0.097" Thk x 0.755" ID, -910, Cl 6, 90 Duro

5/8 OD tube

2шт.

7

535302R1

HOSE

ASSY, rear outlet

2шт.

8

306132C1

CABLE TIE,14.5" L

STRAP, hose

1шт.

9

9410204

HYD CONNECTOR,7/8"-14, 37 Degree x 7/8"-14, O-Ring

UNION, 7/18-14 37 deg hyd flared tube short swivel

1шт.

10

364885R1

O-RING,0.097" Thk x 0.755" ID, -910, Cl 6, 90 Duro

5/8 OD tube

1шт.

11

379794R1

O-RING,0.103" Thk x 1.237" ID, -124, Cl 5, 75 Duro

1-1/4 x 1-7/16 x 3/32

1шт.

12

123105C1

BLOCK

control valve transfer

1шт.

347756R1

12 PT SCREW,Flg, 3/8"-16 x 1 3/4"

SCREW, 3/8 x 1.750 pln type 8 12 PT flg

3шт.

13

20947R1

O-RING,0.103" Thk x 0.799" ID, -117, Cl 6, 90 Duro

13/16 x 1 class 6

4шт.

14

62464C94

VALVE

ASSY, hyd open center control, for service parts see details listed under hydraulic control valve

1шт.

15

3123087R1

BUTTON

KNOB, aux valve lever

1шт.

16

120394

WASHER,3/8", SAE

WASHER, .406 x .812 x .051

2шт.

17

114556C1

BRACKET

aux valve control handle

1шт.

179793

BOLT,Hex, 1/4" - 20 x 5/8", Gr 5, Full Thd

2шт.

103319

LOCK WASHER,1/4"

WASHER, LOCK, 1/4"

2шт.

18

1310D

LINK

#50 single pitch connecting

1шт.

19

3125863R1

LEVER

ASSY, aux valve

1шт.

20

3125862R1

PLATE

aux valve lockout

1шт.

164603C1

THUMB SCREW,3/8" - 16 x 5/8"

SCREW, adj

1шт.

120394

WASHER,3/8", SAE

WASHER, .406 x .812 x .051

2шт.

120382

LOCK WASHER,Helical Spring, 3/8"

WASHER, LOCK, 3/8"

1шт.

21

46883H

CLEVIS PIN,3/8" x 1 9/16"

PIN, 3/8 x 1-9/16 clevis

1шт.

103373

COTTER PIN,3/32" x 3/4"

Pin, Split (Cotter), 3/32" x 3/4"

1шт.

22

9410360

PLUG

7/8-14 str thd o-ring boss

1шт.

23

364885R1

O-RING,0.097" Thk x 0.755" ID, -910, Cl 6, 90 Duro

5/8 OD tube

1шт.

24

123104C1

COVER

open center control valve

1шт.

280161

BOLT,Hex, 3/8" - 16 x 3", Gr 5

4шт.

25

383219R1

O-RING,0.924" ID x 0.103" Width

15/16 x 1-1/8 class 6

2шт.

26

364885R1

O-RING,0.097" Thk x 0.755" ID, -910, Cl 6, 90 Duro

5/8 OD tube

1шт.

27

9411106

ELBOW

5/8 C-Z hyd fld adj 45D

1шт.

28

364885R1

O-RING,0.097" Thk x 0.755" ID, -910, Cl 6, 90 Duro

5/8 OD tube

1шт.

29

9410978

ELBOW,90 Degree, 7/8"-14, 37 Degree x 7/8"-14, O-Ring

5/8 C-Z hyd fld adj 90D

1шт.

30

114560C1

TUBE

ASSY, rear outlet, lower

1шт.

31

114559C1

TUBE

ASSY, rear outlet, raise

1шт.

32

535301R1

CLAMP

rear outlet tube

1шт.

180081

BOLT,Hex, 5/16"-18 x 1 1/4", G5

1шт.

80681

LOCK WASHER,5/16"

WASHER, LOCK, 5/16"

1шт.

120376

NUT,5/16"-18, G5

1шт.

33

535300R1

BRACKET

rear outlet tube

1шт.

179889

BOLT,Hex, 1/2" - 13 x 2", Gr 5

1/2 x 2 pln type 5

1шт.

34

(Not used this application)

1шт.

35

(Not used this application)

1шт.

9410360

PLUG

7/8-14 C-Z str thd o-ring boss

1шт.

364885R1

O-RING,0.097" Thk x 0.755" ID, -910, Cl 6, 90 Duro

5/8 OD tube

1шт.

Выбрано товаров: 0