Запчасти Case IH 4230 (6-070) - TRANSMISSION SHIFT CONTROL, EXTERNAL, TRACTOR WITH CAB (06) - POWER TRAIN

Схема запчастей Case IH 4230 - (6-070) - TRANSMISSION SHIFT CONTROL, EXTERNAL, TRACTOR WITH CAB (06) - POWER TRAIN
17
6
36
30
23
24
9
28
15
38
26
37
31
23
22
24
29
24
4
2
35
5
28
26
11
12
31
21
27
10
27
30
39
24
34
28
40
25
33
18
20
23
1
14
28
30
3
7
19
28
29
32
35
28
8
31
25
27
36
16
23
13
FIT
1:1
100%

Артикул

Название

Примечание

Количество

NSS

NOT SOLD SEPARAT

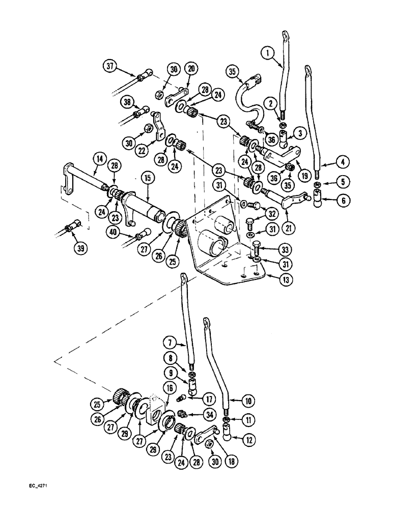
ROD ASSEMBLY - range, hi (Without forward and reverse), Includes: Ref. 1 - 3

1шт.

1

139356A1

STEM

ROD - control, hi range

1шт.

2

933618R1

THIN NUT,Thin, M8 x 1.25, Cl 04

1шт.

3

125217A2

BALL JOINT

SOCKET - ball joint, 10 mm

1шт.

NSS

NOT SOLD SEPARAT

ROD ASSEMBLY - range, lo/rev (Without forward and reverse), Includes: Ref. 4 - 6

1шт.

NSS

NOT SOLD SEPARAT

ROD ASSEMBLY - range, lo/hi (With forward and reverse), Includes: Ref. 4 - 6

1шт.

4

139354A1

STEM

ROD - control, lo/hi range

1шт.

5

933618R1

THIN NUT,Thin, M8 x 1.25, Cl 04

1шт.

6

125217A2

BALL JOINT

SOCKET - ball joint, 10 mm

1шт.

NSS

NOT SOLD SEPARAT

ROD ASSEMBLY - control, 3/4 speed, Includes: Ref. 7 - 9

1шт.

7

139360A1

STEM

ROD - control, 3/4 speed

1шт.

8

933618R1

THIN NUT,Thin, M8 x 1.25, Cl 04

1шт.

9

125217A2

BALL JOINT

SOCKET - ball joint, 10 mm

1шт.

NSS

NOT SOLD SEPARAT

ROD ASSEMBLY - control, 1/2 speed, Includes: Ref. 10 - 12

1шт.

10

139358A1

STEM

ROD - control, 1/2 speed

1шт.

11

933618R1

THIN NUT,Thin, M8 x 1.25, Cl 04

1шт.

12

125217A2

BALL JOINT

SOCKET - ball joint, 10 mm

1шт.

13

116414A1

SUPPORT ASSY.

BRACKET - shift, pivot

1шт.

14

116713A1

ARM ASSY.

SHAFT - shift, pivot, 1/2

1шт.

15

116718A1

ARM ASSY.

SHAFT - shift, pivot, 3/4

1шт.

16

118137A2

LEVER ASSY.

LEVER - speed pivot 3/4, Includes: Ref. 17

1шт.

17

118311A1

BALL JOINT

STUD - speed lever

1шт.

18

115899A1

LEVER ASSY.

LEVER - speed pivot, 1/2

1шт.

19

115894A1

ARM ASSY.

SHAFT - range, hi

1шт.

20

115899A1

LEVER ASSY.

LEVER - range, hi

1шт.

21

115895A1

ARM ASSY.

SHAFT - range, lo/rev

1шт.

22

115901A1

LEVER ASSY.

LEVER - range, lo/rev

1шт.

23

97002C1

BEARING CUP,Needle, 19.05mm ID x 25.4mm OD x 20.62mm W

- needle

6шт.

23

359955R91

BEARING, NEEDLE,Needle, 19.04mm ID x 25.4mm OD x 15.76mm W

BEARING - needle, Serial Range: (Optional-97002C1)

6шт.

24

65457C1

SEAL,19.04mm ID x 25.5mm OD x 3.17mm Thk

- oil

6шт.

25

116620A1

BEARING, NEEDLE

BEARING - needle, one side sealed

2шт.

25

565232R91

BEARING, NEEDLE,Needle, 38.09mm ID x 47.64mm OD x 15.88mm W

BEARING - needle, (Optional 116620A1)

2шт.

26

122161A1

SEAL

- dust

2шт.

27

495-81225

WASHER,1 17/32" x 2 1/2" x .060"

- flat, 1-17/32 x 2-1/2 x 3/64 inch

4шт.

28

495-81257

WASHER,25/32" x 1 1/2" x .030"

- 25/32 x 1-1/2 x 1/32 inch

1шт.

28

495-81041

WASHER,25/32" x 1 1/2" x .060"

- flat, 25/32 x 1-1/2 x 1/16 inch

1шт.

29

100-11150

SNAP RING,#150, Ext

Ring, Snap, #150, Ext

2шт.

30

131-208

SPECIAL NUT,1/2"-13

NUT - heavy hex, self-locking, 1/2 inch NC

3шт.

31

896-11010

WASHER,11mm ID x 21mm OD x 2.5mm Thk

7шт.

32

614-10025

BOLT,Hex, M10 x 1.5 x 25mm, Cl 8.8

5шт.

33

614-10030

BOLT,Hex, M10 x 1.5 x 30mm, Cl 8.8, Full Thd

Full Thd Hex, M10 x 30, 8.8

2шт.

37

REF

INSTRUCTION

ROD ASSEMBLY - range, hi (See Figure 6-74)

1шт.

38

REF

INSTRUCTION

ROD ASSEMBLY - range, lo/rev (See Figure 6-74)

1шт.

38

REF

INSTRUCTION

ROD ASSEMBLY - range, lo/hi (See Figure 6-74)

1шт.

39

REF

INSTRUCTION

ROD ASSEMBLY - speed, 1/2 (See Figure 6-74)

1шт.

40

REF

INSTRUCTION

ROD ASSEMBLY - speed, 3/4 (See Figure 6-74)

1шт.

Выбрано товаров: 46