Запчасти Case IH 4230 (7-02) - BRAKE PEDALS, TRACTOR WITHOUT CAB (07) - BRAKES

Схема запчастей Case IH 4230 - (7-02) - BRAKE PEDALS, TRACTOR WITHOUT CAB (07) - BRAKES
24
15
23
1
25
12
11
8
14
22
14
21
10
20
5
9
25
4
13
19
3
2
6
15
16
10
FIT
1:1
100%

Артикул

Название

Примечание

Количество

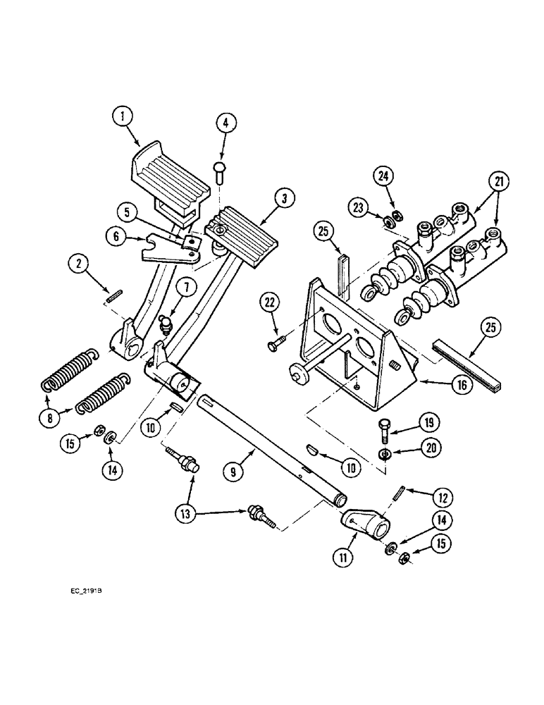
1

1500752C1

PEDAL

- brake

1шт.

2

19795R1

PIN,1/4" x 1 3/4", Coiled

1шт.

3

3125226R91

PEDAL ASSY.

PEDAL - brake, Includes: Ref. 4 - 6

1шт.

4

104087

RIVET,But Hd, 1/4" x 1 1/4"

- 1/4 x 1-1/4 inch, button head

1шт.

5

51293D0

SPRING, LEAF

SPRING - tension

1шт.

6

43751DB

LATCH, PEDALS

PLATE - brake pedal lock

1шт.

7

219-45

LUBE NIPPLE,65 Degree Elbow, 1/4" NPTF

FITTING - grease, 65 degree, 1/4 drive type x 3/4 inch

1шт.

8

3125230R1

SPRING

- return

2шт.

9

1500753C1

SHAFT

- pedal support

1шт.

10

126-121

WOODRUFF KEY,#A, 1/4" x 7/8", HT

(No. 807) #A, 1/4" x 7/8", HT

2шт.

11

1500755C1

ARM

- brake pedal

1шт.

12

38-31624

ROLL PIN,1/4" x 1 1/2", Coiled

PIN, ROLL, 1/4" x 1 1/2", Coiled

1шт.

13

399744R1

BOLT

BOLT - brake pedal adjusting

2шт.

14

92-11038

LOCK WASHER,3/8"

WASHER, LOCK, 3/8"

2шт.

15

425-116

NUT,3/8" - 24, Gr 5

- hex, 3/8 inch NF

2шт.

16

1970643C2

SUPPORT

BRACKET - brake cylinder mounting

1шт.

19

413-612

BOLT,Hex, 3/8" - 16 x 3/4", Gr 5

3шт.

20

92-11038

LOCK WASHER,3/8"

WASHER, LOCK, 3/8"

3шт.

21

1287843C92

MASTER CYLINDER

CYLINDER ASSEMBLY - brake master (See Figure 7-10)

2шт.

22

414-514

BOLT,Hex, 5/16" - 24 x 7/8", Gr 5

- hex, 5/16 x 7/8 inch

4шт.

23

92-11031

LOCK WASHER,5/16"

WASHER, LOCK, 5/16"

4шт.

24

425-115

NUT,5/16"-24, G5

- hex, 5/16 inch NF

4шт.

25

1537114C1

GASKET

STRIP - edging

2шт.

Выбрано товаров: 23