Запчасти Case IH 4230 (9-056) - CAB, AIR CONDITIONING PIPES, MODELS 4210 AND 4230 ONLY (09) - CHASSIS/ATTACHMENTS

Схема запчастей Case IH 4230 - (9-056) - CAB, AIR CONDITIONING PIPES, MODELS 4210 AND 4230 ONLY (09) - CHASSIS/ATTACHMENTS
5
16
4
21
6
27
36
32
26
7
6
3
6
25
18
20
14
24
1
28
13
29
17
31
8
2
23
30
22
9
19
37
15
FIT
1:1
100%

Артикул

Название

Примечание

Количество

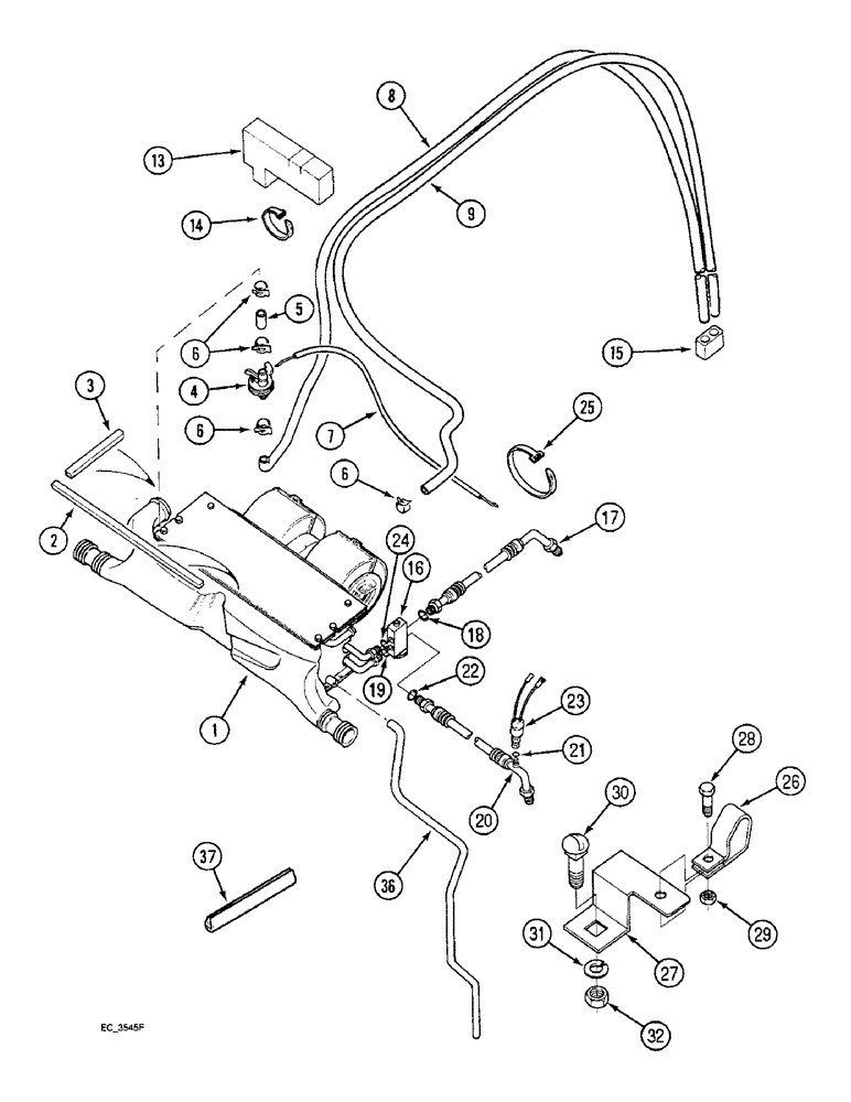
116702A2

CAB

- complete with trim (With air conditioning), Includes: Ref. 1 - 37

1шт.

1

137071A1

BLOWER ASSY.

BLOWER ASSEMBLY - air conditioning

1шт.

2

3234097R1

SEALING STRIP

- Blower assy, Front and rear

2шт.

3

3234096R1

SEALING STRIP

- blower assembly, side

2шт.

4

3234102R92

VALVE

- heater control

1шт.

5

NSS

NOT SOLD SEPARAT

HOSE - flexible, 40 mm (Order 97252CX, Serial Range: cut-length)

1шт.

97252CX

HOSE

- bulk, 5/8 (16) x 1 (25) x 600 inch (15240 mm) long

1шт.

6

1954736C1

HOSE CLAMP,#24

CLAMP, HOSE, #24

4шт.

7

3234197R1

CABLE

- operating, heater water valve (See Figure 9-60)

1шт.

8

3234103R2

HEATER HOSE,15.50 mm ID x 3000.00 mm

HOSE , Heating Water Supply 15.50 mm ID x 3000.00 mm

1шт.

9

3234104R2

HEATER HOSE,15.50 mm ID x 3340.00 mm

HOSE , Water Return 15.50 mm ID x 3340.00 mm

1шт.

13

3234122R1

SEALING STRIP

SEAL - hoses, valve (See Figure 9-60)

2шт.

14

L18337

CABLE TIE,9.95"-12.1" lg

STRAP - tie, 15 inch, nylon

1шт.

15

1259764C1

BACK-UP RING

STRIP - filling, rubber

1шт.

16

1990756C2

VALVE

- expansion (Compatible with R12 and 134A)

1шт.

17

124974A1

HOSE

- expansion valve to cab base, Includes: Ref. 18

1шт.

18

128483A1

O-RING,1.78mm Thk x 7.65mm ID, 70 Duro

- ID 7.65 mm

1шт.

19

128485A1

O-RING,1.78mm Thk x 14mm ID, 70 Duro

- 14.0 mm ID

1шт.

20

124978A1

HOSE

- cab suction, Includes: Ref. 21 and 22

1шт.

21

128483A1

O-RING,1.78mm Thk x 7.65mm ID, 70 Duro

- ID 7.65 mm

1шт.

22

128485A1

O-RING,1.78mm Thk x 14mm ID, 70 Duro

- 14.0 mm ID

1шт.

23

122579A1

SWITCH, A/C LOW PRES

SWITCH - low pressure

1шт.

24

128484A1

O-RING,0.07" Thk x 0.426" ID, -13, Cl 5, 70 Duro

- 10.82 mm ID

1шт.

25

P136922

CLAMP

TIE STRAP - hose

1шт.

26

143434A2

CLAMP

- hose

1шт.

27

141532A2

SUPPORT

BRACKET - air conditioning coupling

1шт.

28

614-12025

BOLT,Hex, M12 x 1.75 x 25mm, Cl 8.8, Full Thd

- hex, full threads, 12 - 1.75 x 25 mm

1шт.

29

825-51412

FLANGE NUT,M12, Flg Ser

1шт.

30

811-16040

CARRIAGE BOLT,Sht Sq Nk, M16 x 2 x 40mm, Cl 8.8

BOLT - carriage, 16 - 2.0 x 40 mm

1шт.

31

892-11016

LOCK WASHER,16.4mm ID x 27.4mm OD x 5mm Thk

WASHER - lock, 16 mm

1шт.

32

829-1316

NUT,M16, Cl 10

- hex, 16 mm - 2.0, class 10

1шт.

36

1339259C1

PIPE

TUBE - condensation drain

2шт.

37

181430A1

SEAL PROTECTION

- edge protection, 90 mm (Order 180322A1 and, Serial Range: cut-length)

1шт.

180322A1

SEAL PROTECTION

- edge protection, 380 mm, bulk length

1шт.

Выбрано товаров: 34