Запчасти Case IH 4230 (6-004) - CLUTCH HOUSING (06) - POWER TRAIN

Схема запчастей Case IH 4230 - (6-004) - CLUTCH HOUSING (06) - POWER TRAIN
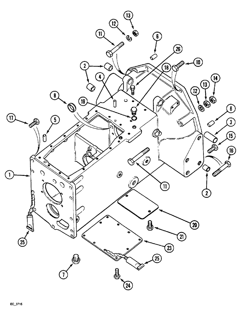
10
24
19
25
8
2
2
26
18
3
11
1
15
16
13
5
6
21
12
6
14
7
4
17
25
12
11
23
13
20
FIT
1:1
100%

Артикул

Название

Примечание

Количество

1

94294C93

HOUSING

ASSEMBLY - clutch (Standard), Includes: Ref. 2 - 8

1шт.

94294C93 is used on the 3200/4210

1шт.

1

138340A1

HOUSING

ASSEMBLY - clutch (Heavy duty), Includes: Ref. 2 - 8

1шт.

138340A1 is used on the 4230/4240

1шт.

1

138342A1

HOUSING

ASSEMBLY - clutch (With creeper), Includes: Ref. 2 - 8

1шт.

2

530815R1

BUSHING,22.27mm ID x 25.46mm OD x 22.23mm L

- housing, clutch and brake shaft

3шт.

3

539834R1

BUSHING,22.35mm ID x 25.47mm OD x 68.07mm L

- left brake pedal pivot

1шт.

4

37-1612

DOWEL,3/8" x 3/4"

PIN - dowel, 3/8 x 3/4 inch, hardened

1шт.

5

37-1812

DOWEL,1/2" x 3/4"

PIN - dowel, 1/2 x 3/4 inch

1шт.

6

37-1816

DOWEL,1/2" x 1"

PIN - dowel, 1/2 x 1 inch, hardened

2шт.

7

217-424

PLUG,Hex Hd, 3/4" - 14 NPT

1шт.

8

41-1610

PLUG,Cup, 5/8", Stainless

- cup, 5/8 inch

1шт.

10

413-852

BOLT,Hex, 1/2" - 13 x 3-1/4", Gr 5

- hex, 1/2 NC x 3-1/4 inch

2шт.

11

413-896

BOLT,Hex, 1/2" - 13 x 6", Gr 5

- hex, 1/2 NC x 6 inch

2шт.

12

80679

LOCK WASHER,1/20.507 CST ZND

WASHER, LOCK, 1/2"

2шт.

13

425-108

NUT,1/2" - 13, Gr 5

NUT, 1/2"-13, G5

2шт.

14

425-148

JAM NUT,Jam, 1/2"-13, G5

- hex, jam, 1/2 inch NC

1шт.

15

413-828

BOLT,Hex, 1/2" - 13 x 1-3/4", Gr 5

(Thru spacer to housing) Hex, 1/2"-13 x 1 3/4", G5

4шт.

16

413-856

BOLT,Hex, 1/2" - 13 x 3-1/2", Gr 5

- hex, 1/2 NC x 3-1/2 inch (thru pan and spacer to housing)

2шт.

17

326-824

BOLT,Hex, 1/2" - 13 x 1-1/2", Gr 8

9шт.

18

214389

PLUG,3/4" - 16 ORB

Includes Ref. 19 Hex Hd, 3/4"-16 ORB

1шт.

19

237-6008

O-RING,0.087" Thk x 0.644" ID, -908, Cl 6, 90 Duro

8-1, 90 Duro, .644" ID x .087" Thk

1шт.

20

399817R1

COVER

- clutch compartment

1шт.

21

413-610

BOLT,Hex, 3/8" - 16 x 5/8", Gr 5

2шт.

23

1536388C1

COVER

- clutch housing bottom (Without pressure regulator valve)

1шт.

23

110317A1

PLATE

- core (With pressure regulator valve)

1шт.

24

413-612

BOLT,Hex, 3/8" - 16 x 3/4", Gr 5

(Used with cover 1536388C1) Hex, 3/8"-16 x 3/4", G5, Full Thd

11шт.

25

B17501

LOCTITE

SEALANT - gasket maker No. 515, 6 ml tube

1шт.

26

413-612

BOLT,Hex, 3/8" - 16 x 3/4", Gr 5

2шт.

Выбрано товаров: 29