Запчасти Case IH 4230 (6-030) - REAR FRAME, OIL LEVEL GAUGE, TRACTOR WITHOUT CAB, TRACTOR WITH CAB (06) - POWER TRAIN

Схема запчастей Case IH 4230 - (6-030) - REAR FRAME, OIL LEVEL GAUGE, TRACTOR WITHOUT CAB, TRACTOR WITH CAB (06) - POWER TRAIN
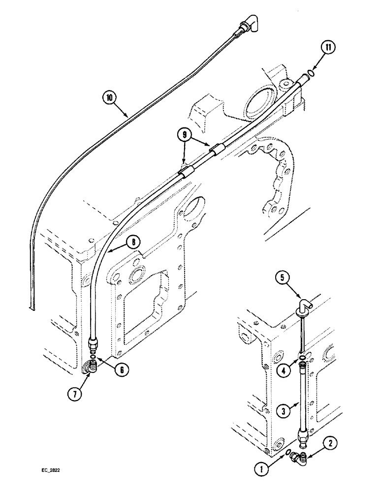
8
7
11
1
6
9
10
2
4
3
5
FIT
1:1
100%

Артикул

Название

Примечание

Количество

2

218-5105

ELBOW,90 Degree Elbow, 9/16" - 18 Male JIC x 9/16" - 18 Male ORB

- 90 degree, 9/16-18 inch flare x Adj O-Ring boss, tractor without cab

1шт.

3

528059R1

TUBE

- rear frame oil level gauge, tractor without cab

1шт.

4

238-5010

O-RING,0.07" Thk x 0.239" ID, -10, Cl 5, 75 Duro

-010, 70 Duro, .239" ID x .070" Thk, Tractor without cab

1шт.

5

528054R4

DIPSTICK

GAUGE - rear frame oil level, tractor without cab

1шт.

7

218-5105

ELBOW,90 Degree Elbow, 9/16" - 18 Male JIC x 9/16" - 18 Male ORB

- 90 degree, 9/16-18 inch flare x Adj O-Ring boss, tractor with cab

1шт.

8

3129618R1

TUBE

- rear frame oil level gauge, tractor with cab

1шт.

9

3129619R1

CLAMP

- tube support, tractor with cab

2шт.

10

3129620R5

DIPSTICK,1043.9mm L

- oil level, tractor with cab

1шт.

11

238-5010

O-RING,0.07" Thk x 0.239" ID, -10, Cl 5, 75 Duro

-010, 70 Duro, .239" ID x .070" Thk, Tractor with cab

1шт.

1

237-6006

O-RING,0.078" Thk x 0.468" ID, -906, Cl 6, 90 Duro

6-1, 90 Duro, .468" ID x .078" Thk, Tractor without cab

1шт.

6

237-6006

O-RING,0.078" Thk x 0.468" ID, -906, Cl 6, 90 Duro

6-1, 90 Duro, .468" ID x .078" Thk, Tractor with cab

1шт.

Выбрано товаров: 11