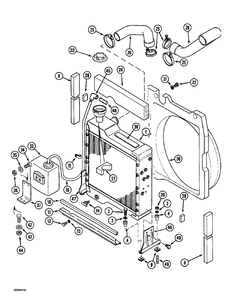
Запчасти Case IH 4240 (2-06) - RADIATOR AND CONNECTIONS, S.N. JJE0910720 - (02) - ENGINE

Схема запчастей Case IH 4240 - (2-06) - RADIATOR AND CONNECTIONS, S.N. JJE0910720 - (02) - ENGINE
12
49
47
44
28
3
9
13
38
24
15
31
25
4
27
1
45
26
32
39
43
42
8
30
33
14
4
29
40
36
3
29
37
34
11
10
46
8
35
25
2
48
22
25
FIT
1:1
100%

Артикул

Название

Примечание

Количество

1

REF

INSTRUCTION

RADIATOR ASSEMBLY - engine coolant (See Figure 2-8)

1шт.

2

413-628

BOLT,Hex, 3/8" - 16 x 1-3/4", Gr 5

- hex, 3/8 NC x 1-3/4 inch

4шт.

3

495-81296

WASHER,0.41" ID x 1.12" OD x 0.07" Thk

- flat

4шт.

4

D52276

ISOLATOR,10.16mm ID x 28.07mm OD x mm L

INSULATOR - rubber

4шт.

8

138579A1

SEAL

SEAL - foam, side

2шт.

9

84525C1

SPACER

- rear mounting

1шт.

10

NSS

NOT SOLD SEPARAT

SEAL - foam, 480 mm (Order 2 x 73212C1 and, Serial Range: cut-length)

2шт.

73212C1

GASKET

SEAL - foam, 1 foot length

1шт.

11

98958C2

BAFFLE

- lower air

1шт.

12

413-48

BOLT,Hex, 1/4" - 20 x 1/2", Gr 5

- hex, 1/4 NC x 1/2 inch

2шт.

13

495-11028

WASHER,1/4", SAE

(flat, 9/32 x 5/8 x 1/16") 1/4", SAE

2шт.

14

217-103

COCK, DRAIN

VALVE - 1/4 inch PT

1шт.

15

163135H1

CLAMP,7/16", 3/8" Bolt

- hose, expansion

1шт.

16

84515C3

HOSE

- overflow

1шт.

22

1500626C92

FILLER CAP

CAP - radiator

1шт.

22

226182A1

FILLER CAP

CAP - radiator (4240 air con)

1шт.

24

137665A2

SEAL

PLATE - reinforcement, mud guard (Replaces 137655A2)

1шт.

25

214-1436

HOSE CLAMP,#36, 1.81" - 2.75", Type F Worm

CLAMP, HOSE, #36, 1.81/2.75 Type F Worm

1шт.

26

180503A1

LARGE HOSE,43.20 mm ID, 49.00 mm ID x 255.00 mm, SAE 20R4 Class D1

RADIATOR HOSE, , Upper (4210/4230) 43.20 mm ID, 49.00 mm ID x 255.00 mm, SAE 20R4 Class D1

1шт.

26

180502A1

LARGE HOSE,43.20 mm ID, 50.00 mm ID x 218.00 mm, SAE 20R4 Class D1

HOSE - radiator, upper (4240)

1шт.

27

140587A2

SEAL

STRIP - filling

1шт.

28

180501A3

LARGE HOSE,50.00 mm ID, 56.20 mm ID x 263.00 mm, SAE 20R4 Class D1

RADIATOR HOSE, , Lower 50.00 mm ID, 56.20 mm ID x 263.00 mm, SAE 20R4 Class D1

1шт.

29

140589A1

SEAL

STRIP - filling

3шт.

30

136843A3

GUARD

SHROUD - radiator, 450 mm

1шт.

31

895-11008

WASHER,9mm ID x 16mm OD x 1.6mm Thk

- flat, 9 x 17 x 1.6 mm

4шт.

32

614-8020

BOLT,Hex, M8 x 1.25 x 20mm

- hex, full threads, 8 - 1.25 x 20 mm

4шт.

33

1502360C2

CONTAINER

- radiator, expansion

1шт.

34

470-1108

SCREW,Slotted Pan Hd, #10-24 x 1/2"

- machine, pan head slotted, No. 10 NC x 1/2 inch

2шт.

35

495-31022

WASHER,#10

2шт.

36

225-14110

NUT,#10-24

2шт.

37

226681A1

SUPPORT

BRACKET - container, mounting (4240)

1шт.

38

138580A2

SEAL

- foam, radiator top

1шт.

39

425-106

NUT,3/8"-16, Cl 5

2шт.

40

99688C1

STUD

- 3/8 inch NC x 47 mm

2шт.

42

413-410

BOLT,Hex, 1/4" - 20 x 5/8", Gr 5

- hex, 1/4 NC x 5/8 inch

2шт.

43

495-11028

WASHER,1/4", SAE

(flat, 9/32 x 5/8 x 1/16") 1/4", SAE

2шт.

44

425-104

NUT,1/4"-20, Cl 5

- hex, 1/4 inch NC

2шт.

45

193539A1

ELBOW

- overflow pipe

1шт.

46

195386A1

SUPPORT

BRACKET - radiator mounting, left

1шт.

47

195387A1

SUPPORT

BRACKET - radiator mounting, right

1шт.

48

193541A1

TUBE ASSY.

HOSE - overflow

1шт.

49

844-8016

BOLT,Hex, M8 x 16mm, Cl 8.8

6шт.

Выбрано товаров: 42