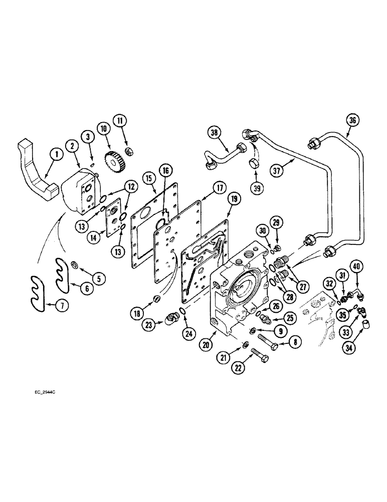
Запчасти Case IH 4240 (8-08) - HYDRAULIC POWER SUPPLY, MULTIPLE CONTROL VALVE AND TUBES (08) - HYDRAULICS

Схема запчастей Case IH 4240 - (8-08) - HYDRAULIC POWER SUPPLY, MULTIPLE CONTROL VALVE AND TUBES (08) - HYDRAULICS
2
8
28
37
9
40
20
34
38
11
32
13
35
27
17
36
19
23
26
29
39
24
22
1
12
30
18
5
5
15
10
7
6
14
31
13
16
3
21
33
FIT
1:1
100%

Артикул

Название

Примечание

Количество

1

69352C1

SEAL

- hydraulic pump

1шт.

2

93835C92

PUMP, HYDRAULIC

PUMP ASSEMBLY - hydraulic gear, Includes: Ref. 3 - 7

1шт.

2

84573150R

REMAN-HYD PUMP

4210, 4230, 4240, All CASE IH TRACTOR (NORTH AMERICA), PUMP ASSEMBLY, hydraulic gear (1/94-12/98), Reman for New PN 93835C92

1шт.

2

84573150C

CORE-HYDRAULIC PUMP

Return Number

1шт.

3

126-112

WOODRUFF KEY,#6, 5/32" x 5/8", HT

1шт.

1502030C1

SEAL KIT

KIT - service, seals, Includes: Ref. 5 - 7

1шт.

5

NSS

NOT SOLD SEPARAT

SEAL - pump shaft (Order kit 1502030C1)

1шт.

6

NSS

NOT SOLD SEPARAT

RING - pressure loading (Order kit 1502030C1)

2шт.

7

NSS

NOT SOLD SEPARAT

RING - back-up (Order kit 1502030C1)

2шт.

8

413-548

BOLT,Hex, 5/16" - 18 x 3", Gr 5

- hex, 5/16 NC x 3 inch (14.4/15.8 gpm pumps)

4шт.

8

13-550

BOLT,Hex, 5/16" - 18 x 3-1/8", Gr 5

- hex, 5/16 NC x 3-1/8 inch (16.9/17.7 gpm pumps)

4шт.

9

382331R1

SEALING WASHER,8.33mm ID x 12.7mm OD x 0.79mm Thk

- pump mounting bolt

4шт.

10

114578A1

PINION

GEAR - driven, 20 teeth (14.4 gpm pump)

1шт.

Part 114578A1 is used on European only Tractors.

1шт.

10

59369C1

GEAR

- driven, 23 teeth (15.8 gpm pump)

1шт.

10

114579A1

PINION

GEAR - driven, 17 teeth (16.9 gpm pump)

1шт.

Part 114579A1 is used on European only Tractors.

1шт.

10

94181C1

GEAR

- driven, 20 teeth (17.7 gpm pump)

1шт.

11

131-58

LOCK NUT,1/2"-20, G5

NUT - light hex, self-locking, 1/2 inch NF

1шт.

12

238-5121

O-RING,0.103" Thk x 1.049" ID, -121, Cl 5, 75 Duro

2шт.

13

238-6115

O-RING,0.103" Thk x 0.674" ID, -115, Cl 6, 90 Duro

2шт.

14

59370C1

LARGE PLATE

PLATE - pump mounting (15.8 gpm pump)

1шт.

14

544909R2

LARGE PLATE

PLATE - pump mounting (17.7 gpm pump)

1шт.

15

401736R3

GASKET

- multiple control valve HV

1шт.

16

238-5222

O-RING,0.139" Thk x 1.48" ID, -222, Cl 5, 75 Duro

1шт.

17

405458R2

LARGE PLATE

PLATE - multiple control valve

1шт.

18

1970904C1

RING,19.51mm ID x 24.84mm OD x 3.54mm Thk

- rectangular

1шт.

19

1970903C3

GASKET

- multiple control valve

1шт.

ONLY USE GASKET 1970903C3 IN SERVICE WHEN COMBINED WITH VALVE 94281C. DO NOT USE WITH VALVE 253545A.

1шт.

20

94281C95

VALVE

ASSEMBLY - multiple control (See Figure 8-10)

1шт.

21

92-11038

LOCK WASHER,3/8"

WASHER, LOCK, 3/8"

10шт.

22

413-648

BOLT,Hex, 3/8" - 16 x 3", Gr 5

(With 2 wheel drive) Hex, 3/8"-16 x 3", G5

10шт.

22

413-648

BOLT,Hex, 3/8" - 16 x 3", Gr 5

(With MFD) Hex, 3/8"-16 x 3", G5

9шт.

22

413-652

BOLT,Hex, 3/8" - 16 x 3-1/4", Gr 5

(With MFD) Hex, 3/8"-16 x 3 1/4", G5

1шт.

23

218-5106

90 ELBOW,90 Degree Elbow, 3/4" - 16 Male JIC x 3/4" - 16 Male ORB

- 90 degree, 3/4-16 inch flare x Adj O-Ring boss, Includes: Ref. 24

1шт.

24

237-6008

O-RING,0.087" Thk x 0.644" ID, -908, Cl 6, 90 Duro

8-1, 90 Duro, .644" ID x .087" Thk

1шт.

25

218-5059

HYD CONNECTOR,3/4"-16, 37 Degree x 3/4"-16, O-Ring

ADAPTER straight, 3/4-16" flare x O-Ring boss, Incl. Ref 26

1шт.

Use O-ring boss 235389A1

1шт.

26

237-6008

O-RING,0.087" Thk x 0.644" ID, -908, Cl 6, 90 Duro

8-1, 90 Duro, .644" ID x .087" Thk

1шт.

27

218-5062

HYD CONNECTOR,7/8"-14, 37 Degree x 7/8"-14, O-Ring

ADAPTER - straight, 7/8-14 inch flare x O-Ring boss, Includes: Ref. 28

2шт.

28

237-6010

O-RING,0.097" Thk x 0.755" ID, -910, Cl 6, 90 Duro

10-1, 90 Duro, .755" ID x .097" Thk

1шт.

29

9672438

PLUG,7/16" - 20 ORB

Incl. Ref. 30 Hex Hd, 7/16"-20 ORB

1шт.

30

237-6004

O-RING,0.072" Thk x 0.351" ID, -904, Cl 6, 90 Duro

4-1, 90 Duro, .351" ID x .072" Thk

1шт.

31

218-5053

HYD CONNECTOR,7/16" - 20 JIC x 7/16" - 20 ORB

ADAPTER - straight, 7/16-20 inch flare x O-Ring boss, Incl. Ref. 30

1шт.

30

237-6004

O-RING,0.072" Thk x 0.351" ID, -904, Cl 6, 90 Duro

4-1, 90 Duro, .351" ID x .072" Thk

1шт.

33

218-5180

TEE,7/16" - 20 Male JIC x 7/16" - 20 Male JIC x 7/16" - 20 Male ORB

- adjustable, 7/16-20 inch Adj O-Ring boss x flare x flare

1шт.

34

218-752

CAP,37 Degree, 7/16"-20

Hex, Tube, 1/4 inch (IPTO) 37º, 7/16"-20

1шт.

35

237-6004

O-RING,0.072" Thk x 0.351" ID, -904, Cl 6, 90 Duro

4-1, 90 Duro, .351" ID x .072" Thk

1шт.

36

66764C1

PIPE

TUBE ASSEMBLY - multiple control valve by-pass

1шт.

37

1956744C1

HYD TUBE

TUBE ASSEMBLY - draft control return (Without cab)

1шт.

37

99655C1

PIPE

TUBE ASSEMBLY - draft control return (With cab)

1шт.

38

1956743C1

HYD TUBE,0.625" OD

TUBE ASSEMBLY - auxiliary valve return (Without cab)

1шт.

38

99530C1

PIPE ASSY.

TUBE ASSEMBLY - auxiliary valve return (With cab)

1шт.

39

218-756

CAP,37 Degree, 7/8"-14

Tube 37º, 7/8"-14

1шт.

40

539835R2

TUBE ASSY.

TUBE - IPTO pressure

1шт.

59369C1

GEAR

low flow, for North American Tractors

1шт.

94181C1

GEAR

high flow, for North American Tractors

1шт.

Выбрано товаров: 57