Запчасти Case IH 4240 (9-030) - CAB, FRAME (09) - CHASSIS/ATTACHMENTS

Схема запчастей Case IH 4240 - (9-030) - CAB, FRAME (09) - CHASSIS/ATTACHMENTS
2
23
19
13
36
21
40
17
26
7
10
15
32
41
8
37
38
18
20
20
42
12
35
27
29
33
39
28
14
34
9
16
36
31
44
37
1
37
4
11
28
22
25
24
45
43
5
FIT
1:1
100%

Артикул

Название

Примечание

Количество

116702A2

CAB

- complete with trim (With air conditioning)

1шт.

116773A1

CAB

- complete with trim (Without air conditioning), Includes: Ref. 1 - 1 - 29

1шт.

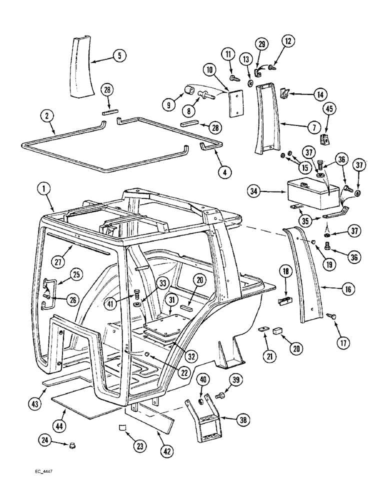
1

NSS

NOT SOLD SEPARAT

FRAME ASSEMBLY - cab

1шт.

2

NSS

NOT SOLD SEPARAT

SEAL - foam, 3000 mm (Order 3 x 1280449C2)

1шт.

4

NSS

NOT SOLD SEPARAT

SEAL - foam, 1730 mm (Order 2 x 1280449C2)

1шт.

1280449C2

SEALING STRIP

- foam, 3000 mm

1шт.

5

133011A1

LINING

COVER ASSEMBLY - insulator, right post, Includes: Ref. 7 - 10

1шт.

133009A1

LINING

COVER ASSEMBLY - insulator, left post, Includes: Ref. 7 - 10

1шт.

7

NSS

NOT SOLD SEPARAT

COVER - insulator, left post (Order 133009A1)

1шт.

8

1332221C1

RIVET

- split, blind

2шт.

9

1332222C1

DOOR COVER

CAP - rivet

2шт.

10

1330748C2

LARGE PLATE

PLATE - warning decal

1шт.

11

765-14322

SELF-TAP SCREW,Oval Hd, M4.2 x 22

SCREW - tapping, oval cross recess, 4.2 x 22 mm

6шт.

12

761-14322

SELF-TAP SCREW,Pan Hd, M4.2 x 22

SCREW - tapping, round cross recess, 4.2 x 22 mm

2шт.

13

3234052R1

WASHER

- cup, 6 mm

6шт.

14

3234042R1

SPRING NUT

- spring, 4.2 mm, push-on

8шт.

15

3234234R1

WASHER

- cover

4шт.

16

3233551R5

COVER

SHROUD - left

1шт.

16

3233552R5

COVER

SHROUD - right

1шт.

17

774-17532

SELF-TAP SCREW,Pozidrive, Pan HD, M5.5 x 1.8 x 32mm

SCREW - tapping, countersunk, cross recess, 5.5 x 32 mm

4шт.

18

3404795R1

NUT

NUT - spring, 5.6 mm

4шт.

19

3233690R2

PLUG

- shroud

2шт.

20

NSS

NOT SOLD SEPARAT

STRIP - filling 30 mm (Order 146793C1, Serial Range: cut-length)

5шт.

21

NSS

NOT SOLD SEPARAT

STRIP - filling 30 mm (Order 146793C1, Serial Range: cut-length)

1шт.

146793C1

SEAL

STRIP - filling, (Bulk length)

1шт.

22

128157

GROMMET,3/8" ID x 27/32" x .062", Diag Cut

- rubber, 3/8 x 27/32 x 5/16 inch

2шт.

23

1280244C1

SEAL

- front pillar

2шт.

24

3399850R2

PLUG

- 10.5 OD x 6 mm

1шт.

24

3399851R1

PLUG

- 13.5 OD x 8 mm

2шт.

24

84200C1

PLUG

- 17.1 OD x 8 mm

5шт.

24

84199C1

PLUG

- 18.8 OD x 10 mm

4шт.

24

3233767R1

PLUG

- 21.2 OD x 7.5 mm

11шт.

24

3404078R1

PLUG

- pin, 6 OD x 13.5 mm

8шт.

25

3234179R1

HANDLE

- right pillar

2шт.

26

543-706

SCREW,Hex Flat Hd, M6 x 16, 4.8

- countersunk 6 x 16 mm

8шт.

27

NSS

NOT SOLD SEPARAT

SEAL - foam, 1340 mm (Order 73220C1, Serial Range: cut-length)

1шт.

73220C1

FILLING STRIP

SEAL - bulk, adhesive-backed, 13 x 19 x 1219 mm long

1шт.

28

NSS

NOT SOLD SEPARAT

STRIP - filling, 80 mm (Order 146793C1, Serial Range: cut-length)

2шт.

29

3234176R1

COAT HOOK

HOOK - coat

2шт.

1536044C1

PANEL ASSY.

PANEL ASSEMBLY - seat deck, Includes: Ref. 31 and 32

1шт.

31

NSS

NOT SOLD SEPARAT

PANEL - seat deck (Order 1536044C1)

1шт.

32

1536045C1

INSULATOR

- panel

1шт.

33

895-11008

WASHER,9mm ID x 16mm OD x 1.6mm Thk

- flat, 9 x 17 x 1.6 mm

4шт.

34

1536072C1

BOX, TOOL

BOX - tool

1шт.

35

88015C1

SUPPORT

BRACKET - toolbox mounting

2шт.

36

615-6020

BOLT,Hex, M6 x 1 x 20mm, Cl 8.8, Full Thd

- hex, 6 - 1 x 20 mm

6шт.

37

895-10006

WASHER,6.6mm ID x 12mm OD x 1.6mm Thk

- flat, 6.6 x 12.5 x 1.6 mm

6шт.

38

82973C2

STEP

ASSEMBLY - right

1шт.

38

82972C2

STEP

ASSEMBLY - left

1шт.

39

3404199R1

BOLT

BOLT - hex, 10 mm - 1.5 x 27 mm

8шт.

40

825-1410

NUT,M10, Cl 8

8шт.

41

614-8016

BOLT,Hex, M8 x 1.25 x 16mm, Cl 8.8, Full Thd

- hex, full threads, 8 - 1.25 x 16 mm

4шт.

42

133527A2

LINING

INSULATOR - heelboard

1шт.

43

1536050C2

LINING

INSULATOR - footwell side, left

1шт.

43

1536051C2

LINING

INSULATOR - footwell side, right

1шт.

44

1536049C2

LINING

INSULATOR - footwell center, 363 x 403 mm

1шт.

44

187736A1

PADDING

INSULATOR - footwell center, 328 x 398 mm

1шт.

45

3234185R1

THREADED INSERT

INSERT - push type, monitor bracket

2шт.

Выбрано товаров: 0