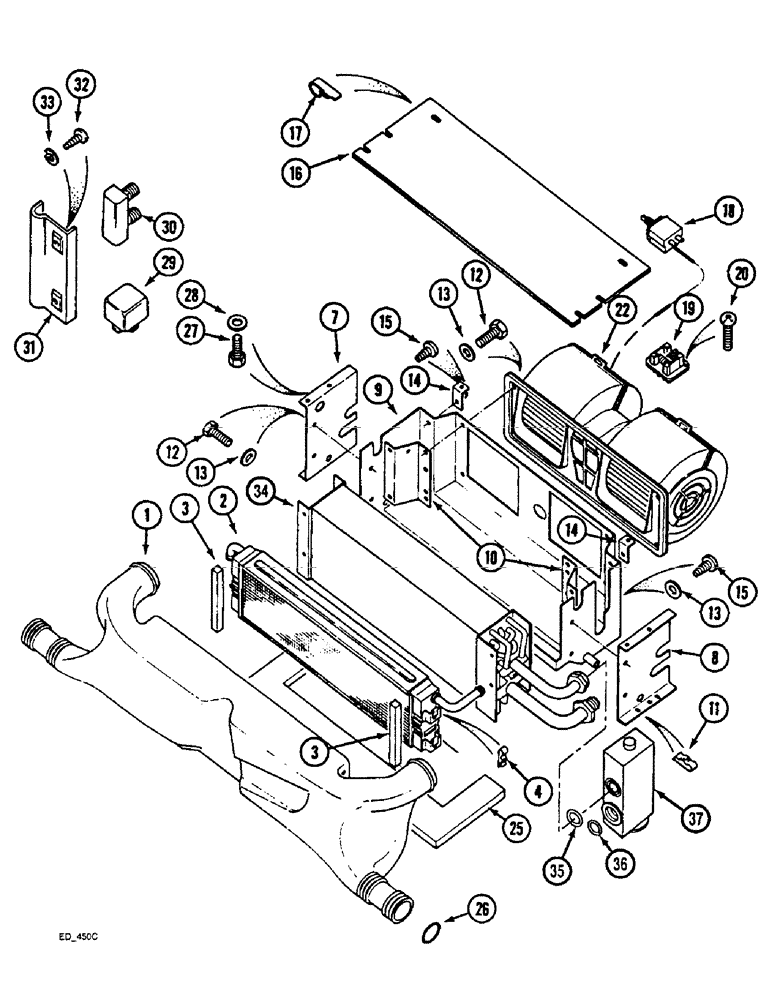
Запчасти Case IH 4240 (9-062) - CAB, AIR CONDITIONING BLOWER ASSEMBLY, MODELS 4210 AND 4230 ONLY (09) - CHASSIS/ATTACHMENTS

Схема запчастей Case IH 4240 - (9-062) - CAB, AIR CONDITIONING BLOWER ASSEMBLY, MODELS 4210 AND 4230 ONLY (09) - CHASSIS/ATTACHMENTS
34
31
28
9
17
16
1
30
13
37
12
27
32
4
18
14
12
3
22
29
25
13
14
3
8
15
20
26
10
35
36
13
7
2
33
11
19
15
FIT
1:1
100%

Артикул

Название

Примечание

Количество

137071A1

BLOWER ASSY.

BLOWER ASSEMBLY - air conditioning, Includes: Ref. 1 - 25

1шт.

1

1280277C2

MANIFOLD

DEFLECTOR - blower

1шт.

2

3233586R91

HEAT-EXCHANGER

ELEMENT ASSEMBLY - heat exchanger, Includes: Ref. 3 and 4

1шт.

3

1283288C1

GASKET

- foam

2шт.

4

3233660R1

SPRING NUT

- spring, push-on

4шт.

7

1280281C1

SUPPORT

BRACKET - drain pan side, right

1шт.

8

1280280C1

SUPPORT

BRACKET - drain pan side, left

1шт.

9

1280254C2

HOUSING

PAN - evaporator drain

1шт.

10

1280480C1

SUPPORT

BRACKET - drain pan

2шт.

11

3233707R1

SPRING NUT

- spring, push-on

2шт.

12

615-6016

BOLT,Hex, M6 x 1 x 16mm, Cl 8.8, Full Thd

- hex, full threads, 6 -1.0 x 16 mm

6шт.

13

895-11006

WASHER,6.6mm ID x 12mm OD x 1.6mm Thk

10шт.

14

1280253C1

SUPPORT

BRACKET - drain pan

2шт.

15

760-14416

SELF-TAP SCREW,Pan Hd, M4.8 x 16

SCREW - pan head, 4.8 x 16 mm

4шт.

16

1280282C1

COVER

- drain pan

1шт.

17

143382C1

CLIP

- spring

4шт.

18

92101C1

SWITCH

- thermostat

1шт.

19

1343938C2

RESISTOR

- blower

1шт.

20

760-14416

SELF-TAP SCREW,Pan Hd, M4.8 x 16

SCREW - pan head, 4.8 x 16 mm

2шт.

22

REF

INSTRUCTION

BLOWER - air (See Figure 9-70)

1шт.

25

1280252C2

INSULATOR

- evaporator

1шт.

26

1280297C1

O-RING,45mm OD x 5.5mm Width

- deflector

2шт.

27

614-6016

BOLT,Hex, M6 x 1 x 16mm, Cl 8.8, Full Thd

6шт.

28

895-11006

WASHER,6.6mm ID x 12mm OD x 1.6mm Thk

6шт.

29

1983394C2

RELAY

- electrical, 30 amp

3шт.

30

245763C1

CIRCUIT-BREAKER,20A

BREAKER - circuit, 20 ampere

1шт.

30

245765C1

CIRCUIT-BREAKER,30A

BREAKER - circuit, 30 ampere

1шт.

30

403069R1

CIRCUIT-BREAKER,30A

BREAKER - circuit, 30 ampere (Optional to 245763C1 and 245765C1)

1шт.

31

20-1171T1

SUPPORT

BRACKET - mounting, circuit breaker (Not used with 403069C1)

1шт.

32

760-14413

SELF-TAP SCREW,Pan Hd, M4.8 x 13

SCREW, SELF TAPPING, Pan Hd, M4.8 x 13

1шт.

33

892-11005

LOCK WASHER,M5

WASHER, LOCK, M5

1шт.

130451A2

RADIATOR

CORE ASSEMBLY - evaporator, Includes: Ref. 34 - 37

1шт.

34

NSS

NOT SOLD SEPARAT

CORE - evaporator valve, expansion (Order 130451A2)

1шт.

35

128484A1

O-RING,0.07" Thk x 0.426" ID, -13, Cl 5, 70 Duro

- 10.82 mm ID

1шт.

36

128485A1

O-RING,1.78mm Thk x 14mm ID, 70 Duro

- 14.0 mm ID

1шт.

37

1990756C2

VALVE

- expansion (Compatible with R12 and 134A)

1шт.

Выбрано товаров: 0