Запчасти Case IH 4240 (9-106) - THREE POINT HITCH, FIXED LOWER LINKS (09) - CHASSIS/ATTACHMENTS

Схема запчастей Case IH 4240 - (9-106) - THREE POINT HITCH, FIXED LOWER LINKS (09) - CHASSIS/ATTACHMENTS
10
11
19
18
11
3
13
8
16
5
14
4
12
10
9
17
22
6
2
9
10
15
21
20
10
1
7
18
FIT
1:1
100%

Артикул

Название

Примечание

Количество

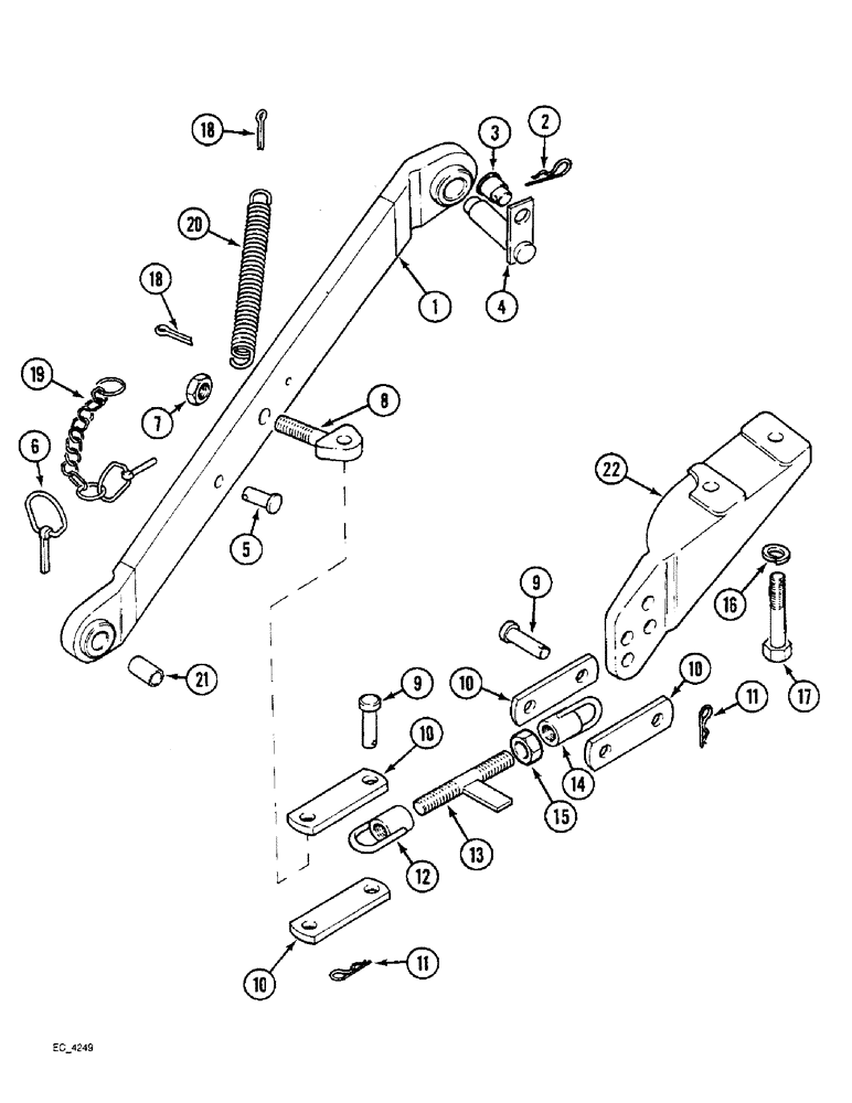
1

124903A1

LOWER LINK

LINK - lower (CBM)

2шт.

2

538406R1

COTTER PIN

PIN - quick attachable

2шт.

3

3118063R2

PIN,28.57mm OD x 48.3mm L

- lock, lower link

2шт.

4

3118060R1

PIN

- lower link

2шт.

5

128717A1

PIVOT PIN

- lift link

2шт.

6

1328218C1

LINCH PIN,11mm OD

- quick attachable

2шт.

134443A1

STABILIZER

CHAIN - limiter (Outside check) (Order components), Includes: Ref. 7 - 15

2шт.

7

546248R1

LOCK NUT,7/8"-14, GB

NUT - hex lock, 7/8 inch NF

2шт.

8

527985R1

EYEBOLT,Eye, 7/8" - 14 x 1.90"

BOLT - eye, limiter chain

2шт.

9

528112R2

PIN,15.77mm OD x 54.61mm L

- clevis

4шт.

10

3113594R1

PLATE

STRAP - adjusting

4шт.

11

198121A1

SPRING CLIP

PIN - quick attachable

4шт.

12

1537495C1

CLEVIS

TURNBUCKLE - left

1шт.

13

1537507C1

TRUNNION

SHAFT - turnbuckle

1шт.

14

1537504C1

CLEVIS

TURNBUCKLE - right

1шт.

15

825-13420

NUT,M20 x 2, Cl 8

- hex, 20 mm

1шт.

16

492-11062

BEARING WASHER,5/8"

WASHER, LOCK, 5/8"

4шт.

17

413-1032

BOLT,Hex, 5/8" - 11 x 2", Gr 5

- hex, 5/8 NC x 2 inch

4шт.

18

432-2028

COTTER PIN,5/16" x 1 3/4"

Pin, Split (Cotter), 5/16" x 1 3/4"

4шт.

19

1982152C2

PIN ASSY.

PIN - left, link, chain

2шт.

1982154C2

CHAIN,Assembly, Lift Link

CHAIN - klik pin

1шт.

1982023C1

LINCH PIN,10.5mm OD

PIN - linch, with chain

1шт.

20

1970961C1

SPRING

- tension (Replaces 1332053C2)

2шт.

21

119575A1

SPACER

BUSHING - category II to I, 35 mm

2шт.

22

529874R1

SUPPORT

BRACKET - check chain, left

1шт.

22

529875R1

SUPPORT

BRACKET - check chain, right

1шт.

Выбрано товаров: 26