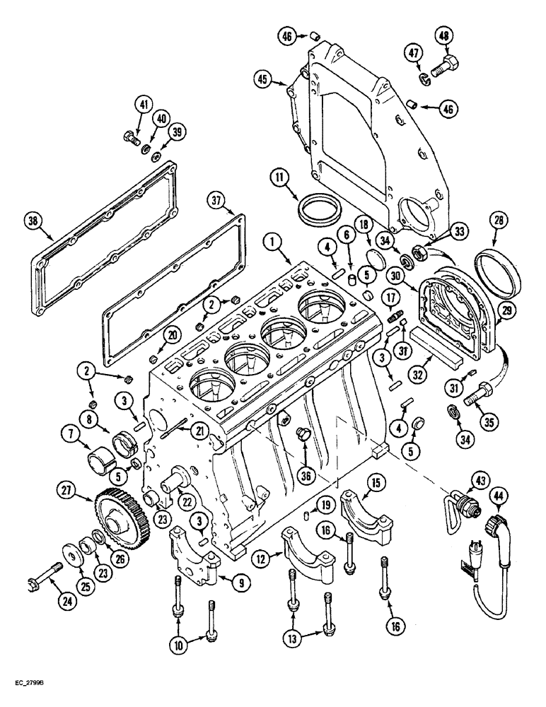
Запчасти Case IH 4240 (2-56) - CYLINDER BLOCK, SIDE COVER AND FLYWHEEL HOUSING, ENGINE HEATER KIT (02) - ENGINE

Схема запчастей Case IH 4240 - (2-56) - CYLINDER BLOCK, SIDE COVER AND FLYWHEEL HOUSING, ENGINE HEATER KIT (02) - ENGINE
23
32
33
44
9
3
31
4
29
20
19
5
8
30
13
10
5
43
46
16
2
27
35
25
24
18
16
40
2
26
6
34
7
11
36
28
1
39
48
3
12
4
38
37
5
46
45
22
3
34
31
41
47
21
17
23
15
FIT
1:1
100%

Артикул

Название

Примечание

Количество

3228620R92

CRANKCASE

ASSEMBLY - engine (4210), Includes: Ref. 1 - 10 and 12 - 20

1шт.

3144693R95

CRANKCASE

ASSEMBLY - engine (4230/4240), Includes: Ref. 1 - 10 and 12 -20

1шт.

1

NSS

NOT SOLD SEPARAT

BLOCK - cylinder

1шт.

2

221-841

PLUG

- hex socket, 1/4 inch PT

4шт.

3

141242

DOWEL

PIN - dowel, 3/8 x 7/8 inch

4шт.

4

141284

PIN,25.4mm OD x 31.75mm L

Pin 1/2" x 1 1/8"

2шт.

5

30591R1

PLUG,M25, Tapered

- tapered cup, 25 mm OD

4шт.

6

3055007R1

BUSHING

- dowel

2шт.

7

3055008R2

CRANKSHAFT BEARING,57.56mm ID x 63.1mm OD x 30mm W

BEARING - camshaft, front

1шт.

7

257780A1

CAMSHAFT BEARING

- camshaft front, 64 mm OD

1шт.

7

257782A1

CAMSHAFT BEARING

- camshaft front, 65 mm OD

1шт.

8

1806820C1

CAMSHAFT BEARING,57.98mm ID x 63mm OD x 18mm W

BEARING - camshaft

2шт.

1806820C1 is a 63 mm OD bearing

1шт.

8

257779A1

CAMSHAFT BEARING

- camshaft, 64 mm OD

2шт.

8

257781A1

CAMSHAFT BEARING,65 mm OD x 18 mm

- camshaft, 65 mm OD

2шт.

9

NSS

NOT SOLD SEPARAT

CAP - front bearing

1шт.

10

3138885R1

SCREW

BOLT - crankshaft bearing cap

2шт.

11

3218538R1

SHIM

- cylinder sleeve, 0.05 mm thick

1шт.

11

3218539R1

SHIM

- cylinder sleeve, 0.1 mm thick

1шт.

11

3218540R1

SHIM,112.06mm ID x 118.6mm OD x 0.25mm Thk

- cylinder sleeve, 0.25 mm thick

1шт.

11

3218541R1

SHIM

- cylinder sleeve, 0.50 mm thick

1шт.

11

3218542R1

SHIM

- cylinder sleeve, 0.8 mm thick

1шт.

3144440R91

BEARING ASSY

KIT - service, bearing cap (Center), Includes: Ref. 12 and 13

3шт.

12

NSS

NOT SOLD SEPARAT

CAP - crankshaft bearing

1шт.

13

3138885R1

SCREW

BOLT - crankshaft bearing cap

2шт.

3144434R91

CRANKSHAFT BEARING

KIT - service, rear bearing cap, Includes: Ref. 15 and 16

1шт.

15

NSS

NOT SOLD SEPARAT

CAP - rear bearing

1шт.

16

3138885R1

SCREW

BOLT - crankshaft bearing cap

2шт.

17

3055270R1

STUD

- rear, rear

1шт.

18

41-3044

PLUG,Exp, 2 3/4"

1шт.

19

3055173R1

PLUG

- dowel

1шт.

20

3136004R1

COVER

PLUG - cup, 10 mm, closing

1шт.

21

3055989R2

STUD

- crankcase front

1шт.

22

3055373R1

CARRIER

- gear, idler

1шт.

23

3058816R91

NEEDLE BEARING CAGE,35mm ID x 42mm OD x 17.8mm W

BEARING - needle

2шт.

24

3055374R2

BOLT

BOLT - gear carrier, idler

1шт.

25

3055372R1

DISC

RING - wear

1шт.

26

787656R1

SPACER,35.5mm ID x 41mm OD x 4mm L

RING - spacer, distance

1шт.

27

3055043R3

PINION

GEAR - idler

1шт.

28

3138701R91

SEAL

SEAL - oil, crankcase rear

1шт.

29

3055216R1

RETAINER

- oil seal

1шт.

30

3055215R3

GASKET

- crankcase oil seal retainer

1шт.

31

714868R1

SEALING STRIP

- sealing

2шт.

32

3055214R1

SUPPORT

STRIP - sealing, crankcase

1шт.

33

329-105

NUT,5/16"-18, G8

1шт.

34

3218395R1

BELLEVILLE WASHER,8.199mm ID x 16mm OD x 0.9mm Thk

Lock (5/16") M8.2 ID x 16 OD x .9 Thk

9шт.

35

413-512

BOLT,Hex, 5/16" - 18 x 3/4", Gr 5

- hex, 5/16 NC x 3/4 inch

8шт.

36

217-87

PLUG,Hex Hd, 3/8"-18 NPTF, Brass

- hex, 3/8 inch PT

1шт.

37

3055393R4

GASKET,1.5mm Thk

- side cover

1шт.

38

3132155R2

COVER

- crankcase side (4210/4230)

1шт.

38

3055314R21

COVER

- crankcase side (4240)

1шт.

39

3055574R1

WASHER,8.5mm ID x 19mm OD x 2.5mm Thk

- flat, 5/16 inch

10шт.

40

492-11031

LOCK WASHER,5/16"

WASHER, LOCK, 5/16"

10шт.

41

413-510

BOLT,Hex, 5/16" - 18 x 5/8", Gr 5

- hex, 5/16 NC x 5/8 inch

10шт.

130085C91

PACKAGE

KIT - service, engine heater (4210/4230/4240), Includes: Ref. 43 and 44

1шт.

43

NSS

NOT SOLD SEPARAT

HEATER - engine (4210/4230/4340), kit

1шт.

44

A44813

CABLE EXTENSION

CORD ASSEMBLY - heater, engine (4210/4230/4240), kit

1шт.

45

3136059R22

PLATE ASSY.

HOUSING - flywheel (4210), Includes: Ref. 46

1шт.

45

3218638R92

PLATE ASSY.

HOUSING ASSEMBLY - flywheel (4230/4240), Includes: Ref. 46

1шт.

46

3136060R2

BUSHING

- flywheel housing

2шт.

47

80679

LOCK WASHER,1/20.507 CST ZND

WASHER, LOCK, , Flywheel housing 1/2"

4шт.

48

413-824

BOLT,Hex, 1/2" - 13 x 1-1/2", Gr 5

Flywheel housing Hex, 1/2"-13 x 1 1/2", G5, Full Thd

4шт.

Выбрано товаров: 62