Запчасти Case IH 4240 (4-50) - ALTERNATOR MOUNTING AND SHIELD (04) - ELECTRICAL SYSTEMS

Схема запчастей Case IH 4240 - (4-50) - ALTERNATOR MOUNTING AND SHIELD (04) - ELECTRICAL SYSTEMS
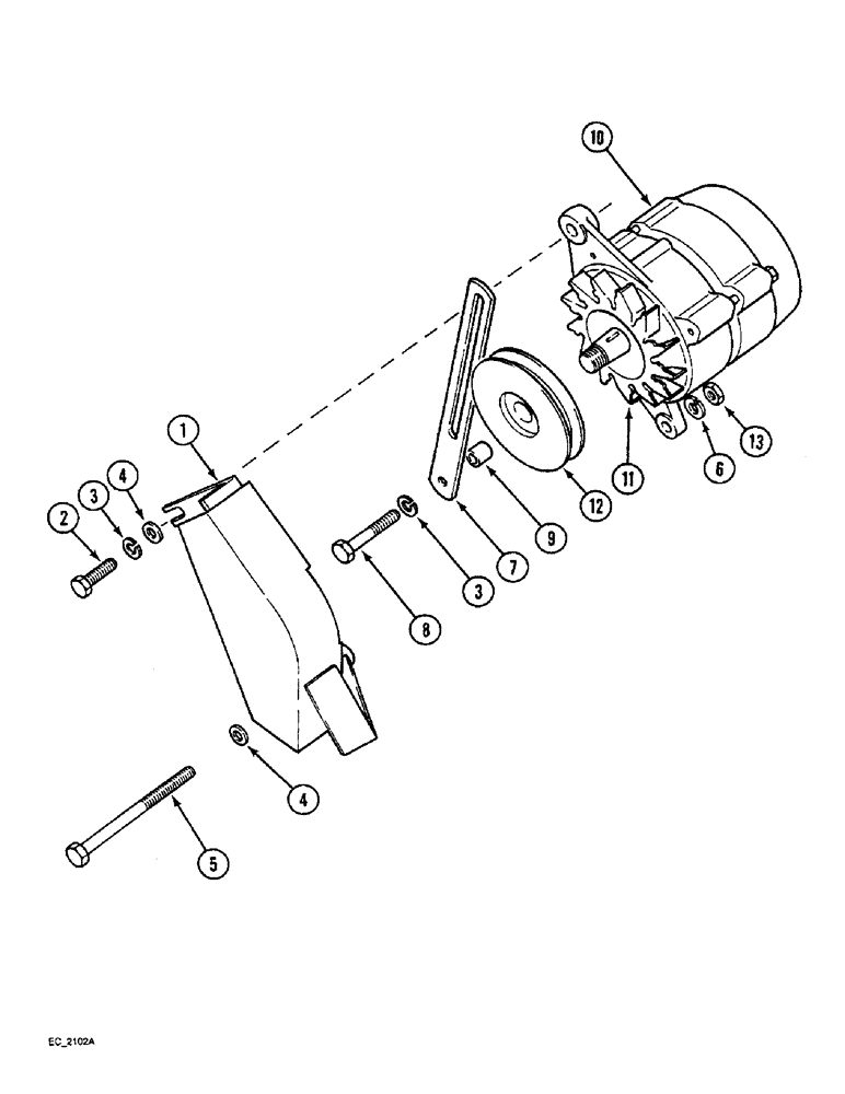
1
4
13
8
11
2
4
12
9
6
5
3
3
10
7
FIT
1:1
100%

Артикул

Название

Примечание

Количество

1

3129852R7

SHIELD

- alternator

1шт.

2

614-8025

BOLT,Hex, M8 x 1.25 x 25mm, Cl 8.8, Full Thd

- hex, full threads, 8 - 1.25 x 25 mm

1шт.

3

92-11031

LOCK WASHER,5/16"

WASHER, LOCK, 5/16"

1шт.

4

495-11034

WASHER,5/16", SAE

5/16" SAE (flat, 11/32 x 11/16 x 1/16")

2шт.

5

413-576

BOLT,Hex, 5/16" - 18 x 4-3/4", Gr 5

- hex, 5/16 NC x 4-3/4 inch

1шт.

6

492-11031

LOCK WASHER,5/16"

WASHER, LOCK, 5/16"

1шт.

7

3113336R1

BRACE

- alternator

1шт.

8

413-572

BOLT,Hex, 5/16" - 18 x 4-1/2", Gr 5

- hex, 5/16 NC x 4-1/2 inch

1шт.

9

65881H

SPACER,1/4" Pipe x 1 1/4"

- tubular, 1/4 x 1-1/4 inch, standard pipe

1шт.

10

REF

INSTRUCTION

ALTERNATOR - Lucas (See Figure 4-52)

1шт.

11

K311704

FAN

- alternator, fan, 17 mm bore, with spacer

1шт.

12

1970879C1

PULLEY

KIT - pulley, with washer

1шт.

13

425-105

NUT,5/16"-18, G5

- hex, 5/16 inch NC

1шт.

Выбрано товаров: 0