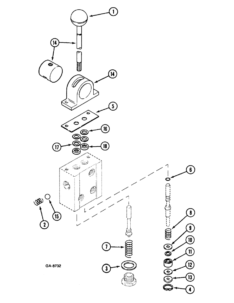
Запчасти Case IH 433 (8-532) - SINGLE ACTING CONTROL VALVE (08) - HYDRAULICS

Схема запчастей Case IH 433 - (8-532) - SINGLE ACTING CONTROL VALVE (08) - HYDRAULICS
15
14
8
1
17
3
4
11
9
14
10
16
18
6
12
2
7
13
5
FIT
1:1
100%

Артикул

Название

Примечание

Количество

3221094R92

VALVE

ASSY., for units with cab - Timmerman, consists of Ref. 1 - 18, for models 433, 533, 633, 733

1шт.

3054388R95

VALVE, CONTROL

ASSY., consists of Ref. 1 - 18, for models 433, 533, 633, 733

1шт.

1

3142351R1

BALL KNOB,32 MM x M10

BALL, for models 433, 533, 633, 733, 833

1шт.

2

3055818R1

SPRING

for models 433, 533, 633, 733, 833

1шт.

3

RING, for models 433, 533, 633, 733, 833

1шт.

4

RING, for models 433, 533, 633, 733, 833

1шт.

5

3142365R1

DISC

SHIM, 0.2 mm, for models 433, 533, 633, 733, 833

1шт.

5

3142366R1

SHIM

0.3 mm, for models 433, 533, 633, 733, 833

1шт.

6

SEAL oil, for models 433, 533, 633, 733, 833

1шт.

7

3055806R1

SPRING

for models 433, 533, 633, 733, 833

1шт.

8

3142356R1

SPRING

for models 433, 533, 633, 733, 833

1шт.

9

WASHER, for models 433, 533, 633, 733, 833

1шт.

10

RING, for models 433, 533, 633, 733, 833

1шт.

11

RING, for models 433, 533, 633, 733, 833

1шт.

12

WASHER, for models 433, 533, 633, 733, 833

1шт.

13

WASHER, for models 433, 533, 633, 733, 833

1шт.

14

3225760R1

LEVER ASSY.

used with 3054388R95, for models 433, 533, 633, 733, 833

1шт.

14

3225029R1

LEVER ASSY.

used with 3221098R92, for models 433, 533, 633, 733, 833

1шт.

930333R1

SCREW,M6 x 15mm, Cl 5.8

BOLT, for models 433, 533, 633, 733, 833

2шт.

933825R1

LOCK WASHER,M6

for models 433, 533, 633, 733, 833

2шт.

15

BALL, for models 433, 533, 633, 733, 833

1шт.

16

WASHER, for models 433, 533, 633, 733, 833

2шт.

17

WASHER, for models 433, 533, 633, 733, 833

2шт.

18

RING, for models 433, 533, 633, 733, 833

2шт.

3225647R91

SEAL KIT

PACKAGE, repair, consists of Ref. 3, 4, 6, 9 - 13, 15 - 18, for models 433, 533, 633, 733, 833

1шт.

3225027R91

GASKET KIT

PACKAGE, seal, set of 3, for models 433, 533, 633, 733, 833

1шт.

Выбрано товаров: 26