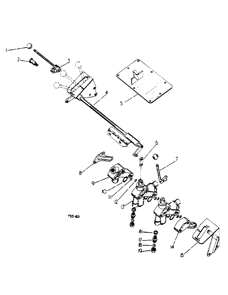
Запчасти Case IH 434 (5-35) - AUXILIARY VALVE ATTACHMENTS, WITH TWO SINGLE ACTING OR TWO DOUBLE ACTING VALVES - HYD. ATTACHMENTS (08) - HYDRAULICS

Схема запчастей Case IH 434 - (5-35) - AUXILIARY VALVE ATTACHMENTS, WITH TWO SINGLE ACTING OR TWO DOUBLE ACTING VALVES - HYD. ATTACHMENTS (08) - HYDRAULICS
3
10
12
17
4
9
6
19
14
11
8
2
18
7
5
16
13
15
1
FIT
1:1
100%

Артикул

Название

Примечание

Количество

3070858R91

ATTACHMENT, Single Acting Aux. Valve (Domestic)

1шт.

3070859R91

ATTACHMENT, Single Acting Ind. Aux. Valve (Export)

1шт.

3070860R91

ATTACHMENT, Double Acting Aux. Valve (Domestic)

1шт.

3070861R91

ATTACHMENT, Double Acting Aux. Valve (Export)

1шт.

1

371602R1

KNOB

1шт.

2

3067252R1

SPINDLE, control lever, for 3070858R91 and 3070859R91

1шт.

180123

BOLT,Hex, 3/8" - 16 x 1 1/8", Gr 5, Full Thd

3/8" x 1-1/8" hex-hd., (cad. or zinc-pltd.), for 3070858R91 and 3070860R91

2шт.

120377

NUT,3/8" - 16, Gr 5

For 3070858R91 and 3070860R91 3/8"-16, G5

1шт.

120382

LOCK WASHER,Helical Spring, 3/8"

WASHER, LOCK, , For 3070858R91 and 3070860R91 3/8"

3шт.

3

3061041R11

LEVER

cpte., R.H. control

1шт.

3066427R1

PIN

5/16" x 7/8" std-hd.

1шт.

107763

COTTER PIN,1/8" x 5/8"

PIN, SPLIT (COTTER), 1/8" x 5/8"

1шт.

4

3069015R91

SHAFT, assy., cross, for 3070858R91 and 3070860R91

1шт.

4

3069016R91

SHAFT

assy., cross, for 3070859R91 and 3070861R91

1шт.

179892

BOLT,Hex, 1/2" - 13 x 2 3/4", Gr 5

1/2" x 2-3/4" hex-hd.

2шт.

102635

NUT,3/8"-16, G5

For 3070859R91 and 3070861R91 3/8"-16, G5

1шт.

103323

LOCK WASHER,1/2"

WASHER, LOCK, 1/2"

2шт.

103321

LOCK WASHER,3/8"

WASHER, LOCK, , For 3070859R91 and 3070861R91 3/8"

1шт.

Q1505

WASHER

13/32" x 1" x 16 ga. plain., for 3070859R91 and 3070861R91

1шт.

5

3044366R12

PLATE

top cover welded assy.

1шт.

6

3061040R1

LINK

connecting

1шт.

3063983R1

HEADED PIN,5/16" x 1"

PIN, std-hd. 5/16" x 1"

1шт.

107763

COTTER PIN,1/8" x 5/8"

PIN, SPLIT (COTTER), 1/8" x 5/8"

1шт.

7

3061061R91

LEVER

ARM and LEVER assy., L.H.

1шт.

3063983R1

HEADED PIN,5/16" x 1"

PIN, 5/16" dia. x 1" std-hd.

1шт.

107763

COTTER PIN,1/8" x 5/8"

PIN, SPLIT (COTTER), 1/8" x 5/8"

1шт.

8

3061055R2

GASKET

1шт.

9

3069023R1

BLOCK

adaptor

1шт.

10

380794R1

O-RING,0.139" Thk x 0.984" ID, -214, Cl 6, 90 Duro

1" x 1-1/4" x 1/8"

3шт.

3110297R1

RETAINER

O- ring

3шт.

11

3067183R1

O-RING,0.103" Thk x 0.424" ID, -11, Cl 6, 90 Duro

7/16" x 5/8" x 3/32"

3шт.

12

702788R1

O-RING,0.103" Thk x 0.362" ID, -110, Cl 6, 90 Duro

3/8" x 9/16" x 3/32"

3шт.

13

3069019R92

LOCK VALVE

VALVE single acting ind. aux. for 3070858R91 and 3070859R91

2шт.

13

3069020R92

CONTROL VALVE

VALVE double acting aux., for 3070860R91 and 3070861R91

2шт.

14

3069021R1

PLATE

valve cover

1шт.

15

3069017R91

BRACKET

and CONTROL LEVER PIVOT, assy., for 3070858R91 and 3070860R91

1шт.

15

3069018R91

LEVER

BRACKET and CONTROL LEVER PIVOT, assy., for 3070859R91 and 3070861R91

1шт.

20507R1

BOLT,Hex, 3/8" - 16 x 6 3/4", Gr 5

hex. hd, 3/8" x 6-3/4", for 3070859R91 and 3070861R91

2шт.

186290

BOLT (SPREADER)

BOLT, 3/8" x 6" hex-hd., for 3070859R91 and 3070861R91

1шт.

103321

LOCK WASHER,3/8"

WASHER, LOCK, , For 3070859R91 and 3070861R91 3/8"

3шт.

20506R1

BOLT,Hex, 3/8" - 16 x 6", Gr 5

3/8" x 6-3/4" hex-hd., (cad. or zinc-pltd.), for 3070858R91 and 3070860R91

1шт.

20508R1

BOLT

hex. hd. (cad. or zinc plated), 3/8" x 6", for 3070858R91 and 3070860R91

2шт.

120382

LOCK WASHER,Helical Spring, 3/8"

WASHER, LOCK, , For 3070858R91 and 3070860R91 3/8"

3шт.

16

704743R91

SEALING WASHER

WASHER Dowty, for 3070858R91 and 3070859R91

2шт.

17

702270R2

ADAPTER

ADAPTOR hose, for 3070858R91 and 3070859R91

2шт.

18

703619R1

GASKET

blanking off nut, for 3070858R91 and 3070859R91

1шт.

19

703618R1

NUT

blanking off, for 3070858R91 and 3070859R91

1шт.

9410360

PLUG

blanking, for 3070860R91 and 3070861R91

2шт.

364885R1

O-RING,0.097" Thk x 0.755" ID, -910, Cl 6, 90 Duro

PRESSURE PIPES (see detail list), for 3070860R91 and 3070861R91

2шт.

3110307R91

O-RING

PACKAGE service, O-ring, comprising all parts listed below

1шт.

380794R1

O-RING,0.139" Thk x 0.984" ID, -214, Cl 6, 90 Duro

1шт.

3110297R1

RETAINER

1шт.

Выбрано товаров: 52