Запчасти Case IH 434 (6-098) - MOWER DRIVE ATTACHMENT, CLUTCH HOUSING - ATTACHMENTS (88) - ACCESSORIES

Схема запчастей Case IH 434 - (6-098) - MOWER DRIVE ATTACHMENT, CLUTCH HOUSING - ATTACHMENTS (88) - ACCESSORIES
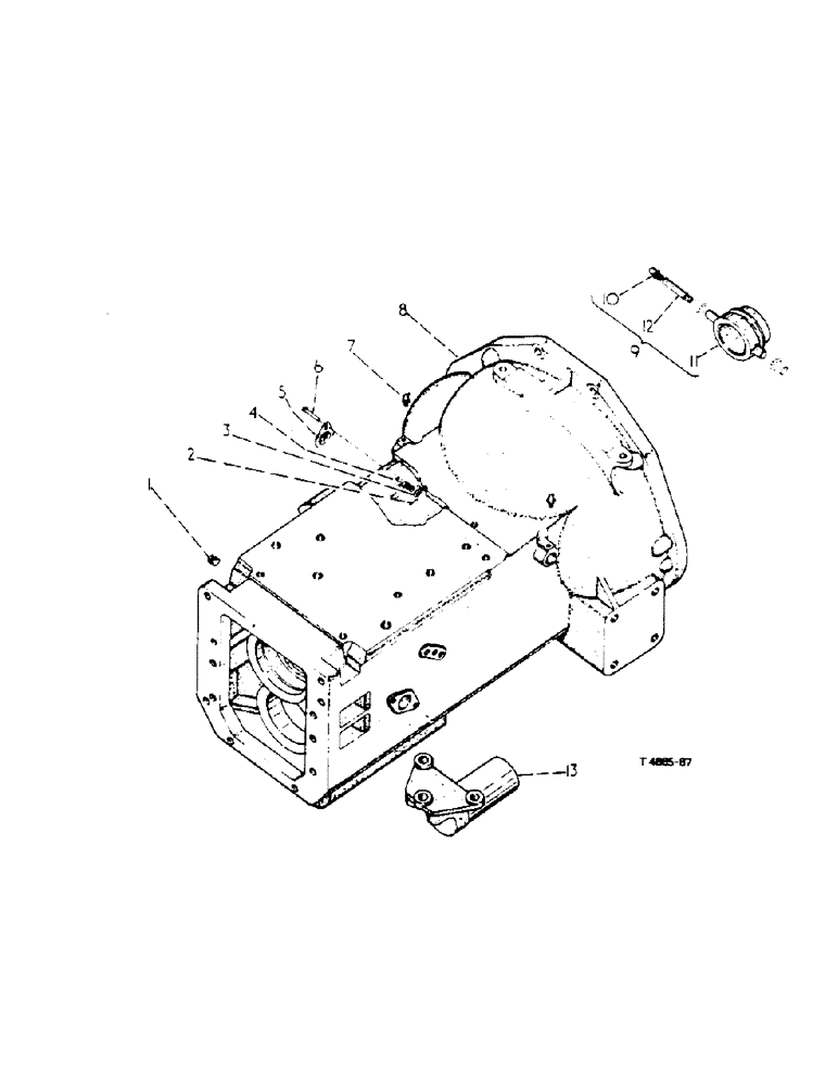
10
3
6
5
9
11
7
1
13
4
8
12
2
FIT
1:1
100%

Артикул

Название

Примечание

Количество

1

438159

DRAIN PLUG,Sq Hd, 1/2"-14 NPTF

PLUG, sq-hd., pipe, 1/2", opt.

1шт.

1

217-519

DRAIN PLUG,Sq Hd, 1/2"-14 NPTF

PLUG, , Pipe - Optional Sq Hd, 1/2"-14 NPTF

1шт.

2

432-48

COTTER PIN,1/16" x 1/2"

PIN, cotter, 1/16" x 1/2"

1шт.

3

Q102

WASHER

13/64"x 1/2" x 18 ga.

1шт.

4

57561D

VALVE SPRING

SPRING, clutch housing grease hole cover

1шт.

5

57559D

COVER, grease hole

1шт.

6

57558D

PIN, grease hole cover

1шт.

7

332040

LUBE NIPPLE,90 Degree, 1/8" NPT x .84" lg

FITTING, angle lubrication, 1/8" PT - 90 degree

2шт.

8

3070637R11

CLUTCH HOUSING

HOUSING, clutch, comprising

1шт.

3069627R1

BOLT

3шт.

332040

LUBE NIPPLE,90 Degree, 1/8" NPT x .84" lg

FITTING

2шт.

438159

DRAIN PLUG,Sq Hd, 1/2"-14 NPTF

PLUG

1шт.

103325

LOCK WASHER,5/8"

WASHER, LOCK, 5/8"

3шт.

3069627R11

BOLT, special, 5/8" x 5/8"

1шт.

103325

LOCK WASHER,5/8"

WASHER, LOCK, 5/8"

1шт.

9

3070638R91

SLEEVE

clutch release, assy., w/SLEEVE (not supplied separately) and FITTING 110146R91

1шт.

10

86636814

LUBE NIPPLE,1/4"-28 x .52" lg

NIPPLE, LUBE, 1/4"-28 x .52" lg

1шт.

11

NSS

NOT SOLD SEPARAT

SLEEVE, clutch release cpte., w/SLEEVE 3070639R1 and PIPE 3070642R1

1шт.

11

3070639R1

SLEEVE, clutch release

1шт.

12

3070642R1

PIPE

grease

1шт.

13

3070640R1

CARRIER

clutch release sleeve

1шт.

179860

BOLT,Hex, 7/16" - 14 x 1 1/4", Gr 5

hex-hd., 7/16" x 1-1/4"

1шт.

103322

LOCK WASHER,7/16"

WASHER, LOCK, 7/16"

1шт.

3070653R91

PACKAGE, clutch housing service, comprising

1шт.

179860

BOLT,Hex, 7/16" - 14 x 1 1/4", Gr 5

3шт.

57559D

COVER

1шт.

3070640R1

CARRIER

1шт.

86636814

LUBE NIPPLE,1/4"-28 x .52" lg

NIPPLE, LUBE, 1/4"-28 x .52" lg

1шт.

57558D

PIN

1шт.

432-48

COTTER PIN,1/16" x 1/2"

PIN

1шт.

3070638R91

SLEEVE

1шт.

57561D

VALVE SPRING

SPRING

1шт.

Q102

WASHER

1шт.

103322

LOCK WASHER,7/16"

WASHER, LOCK, 7/16"

3шт.

Выбрано товаров: 34