Запчасти Case IH 434 (6-068) - FUEL FILTER AGGLOMERATOR ATTACHMENT - ATTACHMENTS (03) - FUEL SYSTEM

Схема запчастей Case IH 434 - (6-068) - FUEL FILTER AGGLOMERATOR ATTACHMENT - ATTACHMENTS (03) - FUEL SYSTEM
FIT
1:1
100%

Артикул

Название

Примечание

Количество

ATTACHMENT twin bowl fuel filter agglomerator, factory application

1шт.

3071311R91

ATTACHMENT twin bowl fuel filter agglomerator, for machines not already fitted with twin bowl-less fuel filter

1шт.

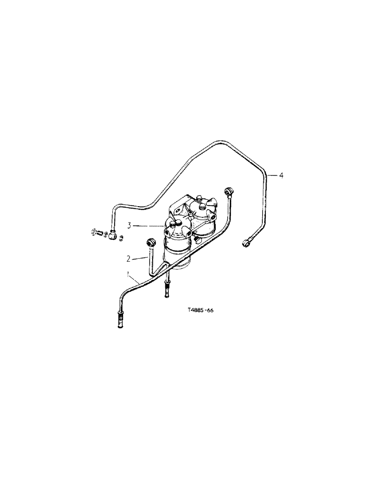
1

3064791R92

PIPE

(excess fuel) inj. pump to filter fuel

1шт.

2

3064790R92

PIPE

filter to inj. pump fuel

1шт.

3

3069608R91

FILTER

agglomerator (see Figure 6-069), for factory application twin bowl fuel filter agglomerator attachment and 3071311R91

1шт.

413-622

BOLT,Hex, 3/8" - 16 x 1-3/8", Gr 5

BOLT, 3/8" x 1-3/8" hex-hd.

2шт.

4

3064789R92

PIPE

feed pump to filter, fuel, for factory application twin bowl fuel filter agglomerator attachment and 3071311R91

1шт.

708308R31

PIPE

injection No. 2 cpte., for 3071311R91

1шт.

3064788R1

BOLT,1/2" - 20 x 0.875", Brass

banjo, fuel filter (inlet), for factory application twin bowl fuel filter agglomerator attachment and 3071311R91

1шт.

Выбрано товаров: 9