Запчасти Case IH 444 (7-5) - TRANSFER GEAR BOX (06) - POWER TRAIN

Схема запчастей Case IH 444 - (7-5) - TRANSFER GEAR BOX (06) - POWER TRAIN
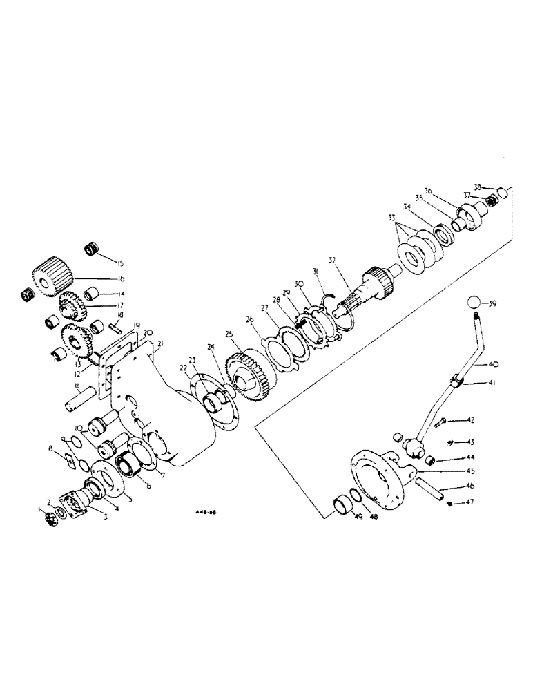
48
41
47
4
38
39
14
49
12
7
2
10
20
19
40
36
17
31
28
34
21
29
44
18
26
33
24
46
43
11
42
9
8
25
6
35
5
37
30
45
16
15
13
32
27
1
23
22
3
FIT
1:1
100%

Артикул

Название

Примечание

Количество

3115545R91

GEARBOX, assy.

1шт.

1

3107296R1

NUT

driving flange

1шт.

103389

SPLIT PIN/SAFETY PIN,1/8" x 2"

Pin, Split (Cotter), 1/8" x 2"

1шт.

2

3107295R1

WASHER

plain

1шт.

3

3115554R1

FLANGE

coupling

1шт.

4

3115631R1

SEAL

coupling flange oil

1шт.

5

3115556R1

HOUSING

oil seal

1шт.

179841

BOLT,Hex, 3/8" - 16 x 1 1/4", Gr 5

4шт.

103321

LOCK WASHER,3/8"

WASHER, LOCK, 3/8"

4шт.

6

3115626R91

BALL BEARING

BEARING, double row ball

1шт.

7

3115622R1

GASKET

oil seal housing

1шт.

8

3115616R1

PLATE

lock idler shaft

1шт.

3115636R1

SCREW

SETSCREW, 3/8 x 3/4 hex. hd.

1шт.

103321

LOCK WASHER,3/8"

WASHER, LOCK, 3/8"

1шт.

9

3115632R1

O-RING

ORING, idler shaft

1шт.

10

3115558R1

SHAFT

idler

2шт.

11

3115568R1

SHAFT

idler

1шт.

12

3115634R1

PIN

spiral

1шт.

13

3115553R1

GEAR

compound 17T & 32T

1шт.

14

3115625R91

BEARING

needle

6шт.

15

3119746R91

BEARING, needle

2шт.

15

3115625R91

BEARING

needle gage

2шт.

3115614R1

SPACER

used w/3115625R91 gage BEARINGS

1шт.

16

3119745R91

GEAR, Input idler w/BEARINGS

1шт.

16

3115551R1

GEAR

Input idler - 28T, Order GEAR 3119745R91

1шт.

17

3115552R1

GEAR

compound -a8T & 27T

1шт.

18

3115618R1

STUD

1/2

1шт.

19

20024R1

PIN

DOWEL, 3/8 x 1

2шт.

20

3115623R1

GASKET

transfer box

1шт.

21

3115547R1

HOUSING, gearbox

1шт.

22

3115624R1

GASKET

end cover

1шт.

23

3115613R1

SPACER

output shaft

1шт.

24

3115550R1

BUSHING

BUSH

1шт.

25

3115549R1

GEAR

output - 45 T

1шт.

26

401718R1

PLATE

piston return

1шт.

27

533804R1

DISC

clutch driven

8шт.

28

3115617R1

SPRING

clutch return

4шт.

29

401717R1

PLATE

clutch driven

7шт.

30

401714R1

PLATE, assy

1шт.

31

401720R1

CIRCLIP

RING, retaining

1шт.

32

3115555R1

SHAFT

output

1шт.

33

3115630R1

DISC

SPRING, disc

3шт.

34

3115627R91

BEARING

cylindrical roller thrust

1шт.

35

3115628R1

BUSHING

BUSH

1шт.

36

3115557R1

BUSHING

BUSH, sliding

1шт.

37

3115619R1

SHIM

sliding bush .030

1шт.

3115620R1

SHIM

sliding bush .010

1шт.

3115621R1

SHIM

sliding bush .003

1шт.

38

3115615R1

PAD

shim;

1шт.

39

3107451R1

KNOB

1шт.

40

3119747R91

LEVER, assy., hand selector

1шт.

40

3115546R91

LEVER

assy., hand selector w/collar (Order LEVER 3119747R91)

1шт.

41

3119749R1

COLLAR

1шт.

41

3115984R1

COLLAR

rubber Used w/LEVER 3115546R91

1шт.

42

3115635R1

PIN

location

1шт.

43

3107340R1

PLUG

drain

1шт.

44

276578R91

NEEDLE BEARING

needle cage

2шт.

45

3115548R1

COVER

end

1шт.

179841

BOLT,Hex, 3/8" - 16 x 1 1/4", Gr 5

6шт.

103321

LOCK WASHER,3/8"

WASHER, LOCK, 3/8"

6шт.

46

3115612R1

PIN

clutch cam

1шт.

47

3107358R1

LUBE NIPPLE

LUBRICATOR

1шт.

48

3115633R1

O-RING

O RING sliding bush

1шт.

49

3115629R1

BUSHING

BUSH, sliding

1шт.

179883

BOLT,Hex, 1/2" - 13 x 1 1/4", Gr 5

5шт.

102637

NUT,1/2"-13, G5

1шт.

103323

LOCK WASHER,1/2"

WASHER, LOCK, , Transfer box to tractor 1/2"

6шт.

706151R2

SHIM

front axle pin sleeve (.036)

1шт.

3115780R2

SUPPORT

front axle

1шт.

30438R1

BOLT, 5/8 x 2-3/4 hex hd

1шт.

20727R1

BOLT,Hex, 5/8" - 11 x 3", Gr 8

2шт.

375624R1

BOLT,Hex, 5/8" - 11 x 3 3/4", Gr 8

5/8 x 3-3/4 hex hd

1шт.

3044674R1

SHIM

front axle pivot pin sleeve (.028)

1шт.

706152R1

SHIM

front axle pivot pin sleeve (33SWG)

1шт.

3115806R1

STOP

articulation

2шт.

271612

BOLT,Hex, 3/4" - 10 x 2 1/4", Gr 5

3/4 x 2-1/4 hex hd

6шт.

103326

LOCK WASHER,3/4"

WASHER, LOCK, 3/4"

6шт.

3115809R1

SLEEVE

front axle pivot

1шт.

3115810R1

PIN

front axle pivot

1шт.

3115811R1

NUT

nyloc - Simmonds

1шт.

3110196R1

WASHER, plain

1шт.

3115812R1

FITTING

LUBRICATOR 67-1/2 deg.

1шт.

Part No.

English

1шт.

3114826R91

LINK

DRAG link Optional

1шт.

3114827R91

LINK

DRAG link Optional , For components, see list of parts under details - Drag Link - Steering Knuckles Group 4 Chassis

1шт.

Part No.

English

1шт.

3115491R91

CASE

rear transmission consists of:

1шт.

BUSHING 3072136R91

1шт.

BUSHING 711272R2

1шт.

LUBRICATOR 109462

2шт.

PIN 141284

2шт.

PLUG 172575

1шт.

PLUG 438159

3шт.

Выбрано товаров: 93