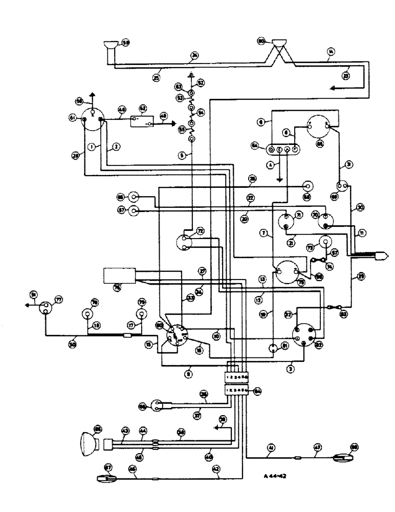
Запчасти Case IH 444 (3-24) - ELECTRICAL SYSTEM, DIESEL, CANADIAN MARKET (04) - ELECTRICAL SYSTEMS

Схема запчастей Case IH 444 - (3-24) - ELECTRICAL SYSTEM, DIESEL, CANADIAN MARKET (04) - ELECTRICAL SYSTEMS
2
77
4
53
5
22
61
1
7
52
72
17
10
13
12
FIT
1:1
100%

Артикул

Название

Примечание

Количество

- TRACTORS FITTED W/GENERATOR -

1шт.

3112769R92

WIRE HARNESS

"HARNESS, main cable" comprising:

1шт.

1

"CABLE, starter motor 'B' to key switch" term.1. (Red)

1шт.

2

"CABLE, starter motor 'B' to ammeter" '+' term. (Red)

1шт.

3

"CABLE, rear connections '2' to key switch" term '4' (Red/Black)

1шт.

4

"CABLE, regulator 'E' to earth" (Black)

1шт.

5

"CABLE, No.4. glow plug to indicator" resistor (Black)

1шт.

6

"CABLE, regulator 'D' to generator 'D'" (Brown/Yellow)

1шт.

7

"CABLE, regulator 'A' to ammeter -term" (Brown/White)

1шт.

8

"CABLE, regulator 'F' to generator 'F'" (Brown/Green)

1шт.

9

"CABLE, light switch term 'RL' to rear" connections '4' (Red/White)

1шт.

10

"CABLE, light switch term 'TL' to rear" connections '3' (Red)

1шт.

11

"CABLE, splice ferrule to heat indicator" term 'B' (Green)

1шт.

12

"CABLE, key switch term '5' to indicator" resistor (Brown/Yellow)

1шт.

13

"CABLE, key switch term '3' to indicator" resistor (Brown)

1шт.

14

"CABLE, light switch term 'HL' to RH" headlamp feed (Blue/Red)

1шт.

15

"CABLE, light switch term 'INST' to panel" light conn. (Red/Blue

1шт.

16

"CABLE, light switch term 'BAT' to aux." fuse (Purple)

1шт.

17

"CABLE, panel light holder '2' to panel" light conn. (Red/Blue)

1шт.

18

"CABLE, panel light holder No.1. to panel" light conn. (Red/Blue)

1шт.

19

"CABLE, aux. fuse supply to ammeter" - term (Brown/Blue)

1шт.

20

"CABLE, fuel gauge term 'T' to transmitter" (Green/Black)

1шт.

21

"CABLE, fuel gauge term 'B' to splice" ferrule (Green)

1шт.

22

"CABLE, heat indicator term 'T' to" transmitter (Green/Blue)

1шт.

23

"CABLE, RH headlamp earth to earth" (Black)

1шт.

24

CABLE, RH headlamp feed to LH headlamp" feed (Blue/Red)

1шт.

25

"CABLE, RH headlamp earth to LH" headlamp earth (Black)

1шт.

26

"CABLE, light switch term 'HL' to headlamp" warning light (Blue/Red)

1шт.

27

"CABLE, flasher unit to rear connections '6'" (Brown)

1шт.

28

"CABLE, rear connections '1' to starter" motor 'SOL' term. (White/Red)

1шт.

29

"CABLE, line fuse to splice ferrule" (Green)

1шт.

30

"CABLE, generator warning light to splice" ferrule (Green)

1шт.

30

"CABLE, generator warning light to splice" ferrule (Green)

1шт.

31

"CABLE, generator warning light to" generator 'D' term (Brown/Yellow)

1шт.

32

"CABLE, key switch term '2' to line fuse" (White)

1шт.

33

"CABLE, flasher unit to light switch term" 'TL' (Red)

1шт.

34

"CABLE, flasher unit to rear connections '5'"(Brown)

1шт.

35

NOT USED

1шт.

3112761R91

HARNESS

"HARNESS, rear cable" comprising:

1шт.

36

"CABLE, safety start switch to rear" connections '1' (Red/Black)

1шт.

37

"CABLE, safety start switch to rear" connections '2' (White/Red

1шт.

38

"CABLE, rear connections '3' to LH fender" conns. (Red)

1шт.

39

"CABLE, LH fender conns to earth" (Black)

1шт.

40

"CABLE, rear conns '4' to LH fender conns." (Red/White)

1шт.

41

"CABLE, rear conns. '6' to RH fender conns." (Brown)

1шт.

42

"CABLE, rear conns. '5' to LH fender conns." (Brown)

1шт.

3112762R91

HARNESS

"HARNESS, plough light" comprising:

1шт.

43

"CABLE, LH fender conns to combination" light adaptor (Black)

1шт.

44

"CABLE, LH fender conns to combination" light adaptor (Red)

1шт.

45

"CABLE, LH fender conns to combination" light adaptor (Red/White) "CABLE, assy., flasher lamp" comprising:

1шт.

46

"CABLE, LH flasher lamp to connector" (Black)

1шт.

47

"CABLE, RH flasher lamp to connector" (Black)

1шт.

48

3112297R92

CABLE

"CABLE, battery positive to starter motor" term 'B' (Black PVC Sheath)

1шт.

49

3112292R91

CABLE

"CABLE, battery negative to earth" (Black PVC Sheath) "CABLE, assy., tractormeter light" comprising:

1шт.

50

"CABLE, tractormeter light to connector" (Red)

1шт.

51

"CABLE, tractormeter light to earth" (Black)

1шт.

52

"CABLE, earth to No.1. glow plug" (Nichrome wire)

1шт.

53

"CABLE, No.1. glow plug to No.2. glow plug" (Nichrome wire)

1шт.

54

"CABLE, No.2. glow plug to No.3. glow plug" (Nichrome wire)

1шт.

55

"CABLE, No.3. glow plug to No.4. glow plug" (Nichrome wire) "CABLE, assy., cigar lighter" comprising:

1шт.

56

"CABLE, ammeter '+' term to in-line fuse" (White/Green)

1шт.

57

"CABLE, cigar lighter to in-line fuse" (White/Green)

1шт.

58

CABLE, starter 'E' term to earth (Tinned copper braid)

1шт.

59

HEADLAMP LH (See detail list)

1шт.

60

HEADLAMP RH (See detail list)

1шт.

61

MOTOR, starter (See detail list)

1шт.

62

BATTERY

1шт.

63

PLUG, assy., glow

4шт.

64

REGULATOR (See regulator and heat shield)

1шт.

65

GENERATOR (See detail list)

1шт.

66

TRANSMITTER, heat indicator See ELECTRICAL INSTRUMENTS

1шт.

67

TRANSMITTER, fuel See ELECTRICAL INSTRUMENTS

1шт.

68

LIGHT, headlamp warning See ELECTRICAL INSTRUMENTS

1шт.

3041099R1

LAMP

BULB, 12v 2.2w

1шт.

69

LIGHT, generator warning See ELECTRICAL INSTRUMENTS

1шт.

3041099R1

LAMP

BULB, 12v, 2.2w

1шт.

70

"INDICATOR, heat See ELECTRICAL INSTRUMENTS

1шт.

71

"GAUGE, fuel See ELECTRICAL INSTRUMENTS

1шт.

72

"RESISTOR, indicator See ELECTRICAL INSTRUMENTS

1шт.

73

"LIGHTER, cigar"

1шт.

74

"FUSE, in-line"

1шт.

75

AMMETER See ELECTRICAL INSTRUMENTS

1шт.

76

"UNIT, flasher See ELECTRICAL INSTRUMENTS

1шт.

77

"LIGHT, tractormeter See ELECTRICAL INSTRUMENTS

1шт.

78

"LIGHT, panel No.1."

1шт.

705757R91

LAMP

"BULB, 12v 5w mcc Opt."

1шт.

751467R1

BULB

"BULB, 12v 5w mcc Opt."

1шт.

79

"LIGHT, panel No.2."

1шт.

705757R91

LAMP

"BULB, 12v 5w mcc Opt."

1шт.

751467R1

BULB

"BULB, 12v 5w mcc Opt."

1шт.

80

"SWITCH, light See ELECTRICAL INSTRUMENTS

1шт.

81

700166R1

FUSE

auxiliary Opt.

1шт.

707887R1

NO LONGER SERVICED

FUSE, auxiliary Opt.

1шт.

82

SWITCH, key See ELECTRICAL INSTRUMENTS

1шт.

83

3115813R1

FUSE

line

1шт.

84

CONNECTOR, 6 way

1шт.

85

SWITCH, safety start See ELECTRICAL INSTRUMENTS

1шт.

86

LAMP, plough and tail (See sealed beam combination tail and rear lamp)

1шт.

87

LAMP, flasher LH (See flasher light)

1шт.

88

LAMP, flasher RH (See flasher light)

1шт.

708113R1

CLIP

cable

1шт.

17406R1

SCREW,Hex, 1/4" - 20 x 5/8"

BOLT, hex. hd. 1/4-20

2шт.

219420

NUT, hex. 1/4-20

2шт.

103319

LOCK WASHER,1/4"

WASHER, LOCK, 1/4"

1шт.

708114R1

CLIP, cable

4шт.

708115R1

PLATE ASSY.

CLIP, cable

7шт.

708117R1

NO LONGER SERVICED

CLIP, cable

3шт.

537025R1

CLIP

panel harness

1шт.

3066369R1

STUD

nylon

3шт.

3040887R91

CONDUIT, cpte., cable L.H.

1шт.

3112300R2

CONDUIT, cpte., cable front

1шт.

179837

BOLT,Hex, 3/8" - 16 x 3/4", Gr 5

1шт.

102635

NUT,3/8"-16, G5

1шт.

103321

LOCK WASHER,3/8"

WASHER, LOCK, 3/8"

1шт.

117974

GROMMET, 3/8 fender - cable entry

2шт.

704694R1

GROMMET

fuel spill rail

1шт.

117959

GROMMET,5/16" ID x .719" x .062"

fender

1шт.

3114086R1

GROMMET

main harness

1шт.

180122

BOLT,Hex, 3/8" - 16 x 1", Gr 5

hex. hd. 3/8 x 1"

2шт.

120382

LOCK WASHER,Helical Spring, 3/8"

WASHER, LOCK, , Attaching hardware for clips on rear hyd lift housing 3/8"

2шт.

705896R1

CONNECTOR, ELEC

CONNECTOR, 2 way

1шт.

Выбрано товаров: 121