Запчасти Case IH 444 (G-07[01]) - ELECTRICAL SYSTEM, ELECTRIC HORN (06) - ELECTRICAL SYSTEMS

Схема запчастей Case IH 444 - (G-07[01]) - ELECTRICAL SYSTEM, ELECTRIC HORN (06) - ELECTRICAL SYSTEMS
5
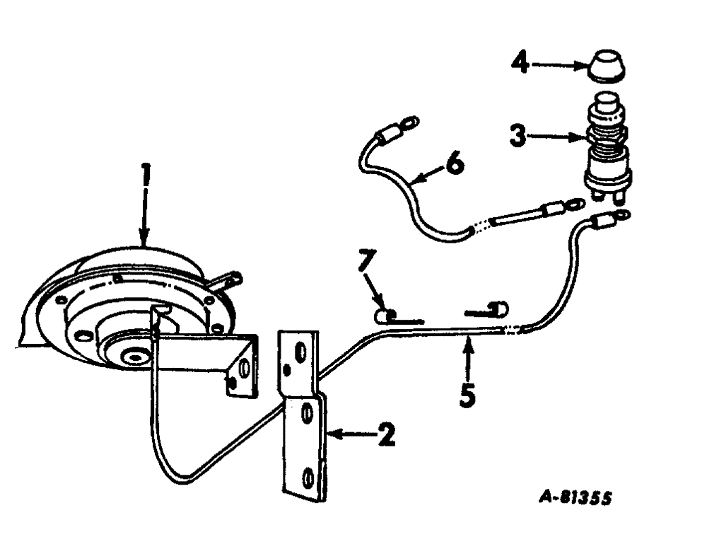
7
3
4
6
2
1
FIT
1:1
100%

Артикул

Название

Примечание

Количество

390120R92

PACKAGE

PARTS ACCESSORY electric horn

1шт.

1

900519

HORN ASSY. 166166R91

1шт.

179816

BOLT,Hex, 5/16" - 18 x 3/4", Gr 5

1шт.

9635082

NUT,5/16" - 18, Gr 5

1шт.

103320

LOCK WASHER,5/16"

1шт.

2

391163R2

SPARE PART BRACKET mounting, horn

1шт.

9635082

NUT,5/16" - 18, Gr 5

2шт.

179816

BOLT,Hex, 5/16" - 18 x 3/4", Gr 5

2шт.

103320

LOCK WASHER,5/16"

2шт.

3

393209R91

SWITCH

ASSY. horn

1шт.

4

371487R1

CYLINDER END CAP

dust

1шт.

5

402512R1

SPARE PART ASSY. horn, Serial Range: switch-horn

1шт.

6

404391R1

CABLE

ASSY. horn switch to junction block, Replaces: 359380R91

1шт.

7

362120R1

CLAMP,9.53mm ID, 10.32mm Bolt Hole, P Type

horn switch to horn cable

2шт.

388922R1

NO LONGER SERVICED

CABLE STRAP/Retired CLIP horn switch to horn cable

1шт.

Выбрано товаров: 15