Запчасти Case IH 464 (10-26) - HYDRAULICS, HYDRAULIC GEAR PUMP, CESSNA (07) - HYDRAULICS

Схема запчастей Case IH 464 - (10-26) - HYDRAULICS, HYDRAULIC GEAR PUMP, CESSNA (07) - HYDRAULICS
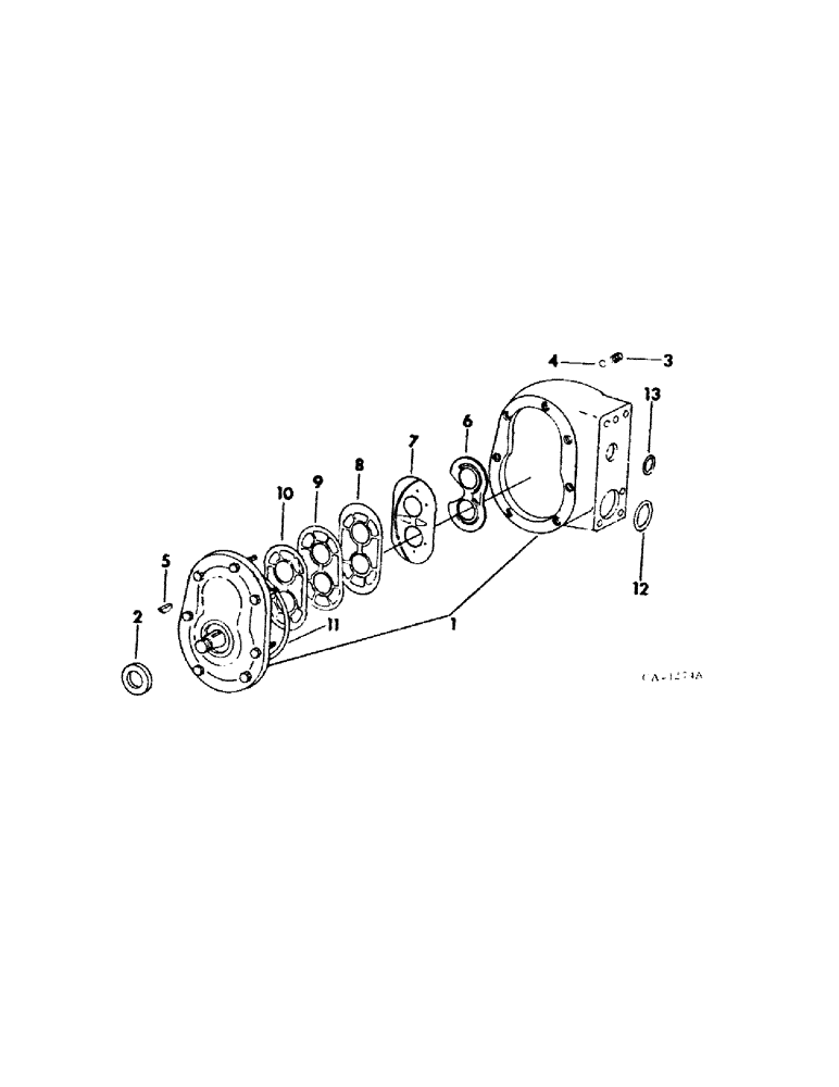
12
1
2
9
8
6
13
4
3
7
10
5
11
FIT
1:1
100%

Артикул

Название

Примечание

Количество

1

NSS

NOT SOLD SEPARAT

PUMP ASSY, hyd gear, on orders for complete pump 406827R91 or 67248C91, furnish pump 66513C91 or 128180C91

1шт.

1

128180C91

PUMP, HYDRAULIC

PUMP ASSY, hyd gear, optional w/pump 66513C91

1шт.

1

84573150R

REMAN-HYD PUMP

464 INTERNATIONAL TRACTOR, PUMP ASSY, hyd gear (1/73-12/73), Reman for New PN 128180C91

1шт.

1

84573150C

CORE-HYDRAULIC PUMP

Return Number

1шт.

2

373244R91

SEAL

SEAL, pump shaft oil

1шт.

3

371523R1

SPRING

ball check

1шт.

4

16007R1

BALL

7/32 dia. cr-stl

1шт.

5

124546

WOODRUFF KEY,#6, 5/32" x 5/8", HT

Drive gear #6, 5/32" x 5/8", HT

1шт.

6

NSS

NOT SOLD SEPARAT

PLATE, thrust, not serviced separately, furnish o-ring and gasket service package 67249C93

1шт.

7

NSS

NOT SOLD SEPARAT

DIAPHRAGM, pressure, not serviced separately, furnish o-ring and gasket service package 67249C93

1шт.

8

NSS

NOT SOLD SEPARAT

SEAL, diaphragm, not serviced separately, furnish o-ring and gasket service pacakge 67249C93

1шт.

9

NSS

NOT SOLD SEPARAT

GASKET, backup, not serviced separately, furnish o-ring and gasket service pacakge 67249C93

1шт.

10

NSS

NOT SOLD SEPARAT

GASKET, protector, not serviced separately, furnish o-ring and gasket service package 67249C93

1шт.

11

NSS

NOT SOLD SEPARAT

O-RING, pump cover, not serviced separately, furnish o-ring and gasket service package 67249C93

1шт.

12

372821R1

O-RING,0.103" Thk x 1.049" ID, -121, Cl 5, 75 Duro

suction port

1шт.

13

350667R1

O-RING,0.103" Thk x 0.674" ID, -115, Cl 5, 75 Duro

pressure port

1шт.

67249C93

PACKAGE,SERVICE

PACKAGE, hyd pump o-ring gasket service, used w/pump 67248C91, consists of, (1) plate (NSS), (1) diaphragm (NSS), (1) seal (NSS), (1) gasket (NSS), (1) gasket (NSS), (1) o-ring (NSS)

1шт.

73234C91

PACKAGE,SERVICE

PACKAGE, hyd pump o-ring and gasket, used w/pump 128180C91, consists of, seal (NSS), diaphragm (NSS), seal (NSS), gasket (NSS), gasket (NSS), ball (NSS), spring (NSS)

1шт.

Выбрано товаров: 18