Запчасти Case IH 464 (08-15) - ELECTRICAL, ELECTRICAL LIGHTING, TRACTORS WITH SERIAL NO. 109151 AND ABOVE (06) - ELECTRICAL

Схема запчастей Case IH 464 - (08-15) - ELECTRICAL, ELECTRICAL LIGHTING, TRACTORS WITH SERIAL NO. 109151 AND ABOVE (06) - ELECTRICAL
4
9
8
17
11
18
6
7
12
1
17
18
7
13
9
8
10
15
16
3
2
15
5
14
FIT
1:1
100%

Артикул

Название

Примечание

Количество

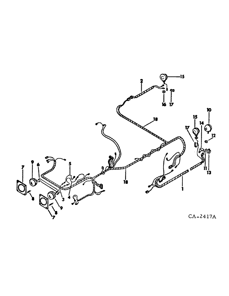
1

114600C1

CABLE ASSY, LH fender

1шт.

2

529669R2

HARNESS

ASSY, RH fender

1шт.

3

404420R1

CABLE ASSY, headlight junction

1шт.

4

405228R1

CABLE

ASSY, harness to headlight junction

1шт.

5

404421R1

CABLE

ASSY, Serial Range: headlight-ground

1шт.

6

404422R1

CABLE

ASSY, ground and headlight junction

1шт.

7

537013R1

HOUSING

headlight

2шт.

66327C1

WASHER

grille screen retainer

4шт.

537014R1

INSERT

headlamp housing

1шт.

529671R2

SCREW

10-24 x 2-1/4 C-Z cr-rec-ov-hd mach

8шт.

8

528533R1

SPRING

headlight

8шт.

9

373662R91

LAMP

HEADLIGHT, sealed beam

2шт.

10

387729R92

LIGHT ASSY.

LIGHT ASSY, sealed beam combination rear and tail, only servicable items are bulb 455490, lamp 371461 and retainer 676078R1, replaces 377102R92

1шт.

102637

NUT,1/2"-13, G5

1шт.

103323

LOCK WASHER,1/2"

WASHER, LOCK, 1/2"

1шт.

11

377105R1

CONNECTOR, ELEC

CONNECTOR, comb. rear and tail light

1шт.

12

365503R1

SPACER

combination rear and tail light

1шт.

13

350920R1

CLAMP

combination rear and tail light

1шт.

14

529672R1

BRACKET

ASSY, combination rear lamp

1шт.

179837

BOLT,Hex, 3/8" - 16 x 3/4", Gr 5

2шт.

103321

LOCK WASHER,3/8"

WASHER, LOCK, 3/8"

2шт.

102635

NUT,3/8"-16, G5

2шт.

15

67538C92

HEADLIGHT

LIGHT ASSY, flashing warning, only servicable item is lamp 9417866

2шт.

120371

NUT,1/2"-20, G5

2шт.

493-41052

LOCK WASHER,Ext Tooth, 1/2"

1/2 ext lock

2шт.

16

NSS

NOT SOLD SEPARAT

(Not used in this application)

1шт.

17

376749R1

BODY

CONNECTOR, flashing warning light

2шт.

18

NSS

NOT SOLD SEPARAT

HARNESS ASSY, main, refer to starting and lighting listing

1шт.

NLS

NO LONGER SERVICED

fender cable

4шт.

Выбрано товаров: 0