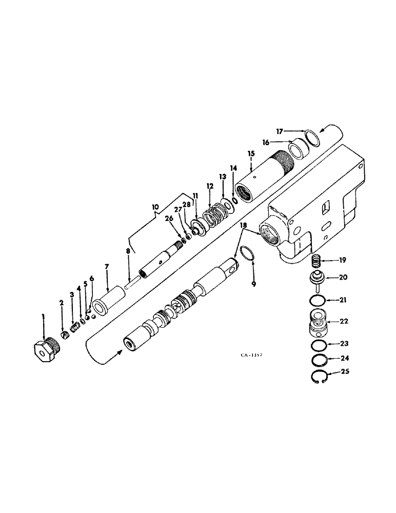
Запчасти Case IH 464 (10-14) - HYDRAULICS, HYDRAULIC CONTROL VALVE, SERIAL NO. 108144 AND BELOW (07) - HYDRAULICS

Схема запчастей Case IH 464 - (10-14) - HYDRAULICS, HYDRAULIC CONTROL VALVE, SERIAL NO. 108144 AND BELOW (07) - HYDRAULICS
5
6
8
21
1
26
3
12
25
22
17
27
20
16
15
9
18
7
10
2
11
24
23
4
13
14
28
19
FIT
1:1
100%

Артикул

Название

Примечание

Количество

529912R92

VALVE

ASSY, hydraulic control

1шт.

1

376425R1

PLUG

CAP, control valve

1шт.

432539

HOLE PLUG BUTTON,7/16"

PLUG, 7/16 steel button

1шт.

2

377803R1

PLUG

spring retaining

1шт.

3

377802R1

SPRING

detent

1шт.

4

377801R1

WASHER,5.87mm ID x 11.18mm OD x 3.81mm Thk

detent actuating ball

1шт.

5

17010R1

BALL,5/16" Dia

1шт.

6

17008R1

BALL,1/4" Dia

Chrome-Steel 1/4" Dia

3шт.

7

376426R2

SLEEVE

position control

1шт.

8

529913R1

PISTON

ASSY, unlatching

1шт.

9

253070R1

O-RING,0.139" Thk x 0.859" ID, -212, Cl 5, 75 Duro

7/8 x 1-1/8 x 1/8, class 5

1шт.

10

529906R91

ACTUATOR

ASSY, centering spring

1шт.

11

376423R1

CUP

RETAINER, centering spring

1шт.

12

376422R1

VALVE SPRING

SPRING, centering

1шт.

13

376420R2

WASHER,13.34mm ID x 33.53mm OD x 1.52mm Thk

centering spring thin

1шт.

14

359158R1

O-RING,0.301" ID x 0.07" Width

-011, 70 Duro, .031" ID x .070" Thk

1шт.

15

395783R2

SLEEVE CYLINDER

SLEEVE, cap retaining

1шт.

16

395781R3

DETENT

RETAINER, valve spool o-ring

1шт.

17

364879R1

O-RING,0.103" Thk x 0.862" ID, -118, Cl 5, 75 Duro

7/8 x 1-1/16 x 3/32, class 5

1шт.

NSS

NOT SOLD SEPARAT

BODY ASSY, control valve, not serviced separately, furnish valve assy. 529912R92

1шт.

19

395278R1

SPRING

back flow check poppet valve

1шт.

20

395277R1

VALVE

back flow check poppet

1шт.

21

380839R1

O-RING,0.103" Thk x 0.862" ID, -118, Cl 6, 90 Duro

7/8 x 1-1/16 x 3/32, class 6

1шт.

22

383280R1

VALVE

RETAINER, valve back flow check poppet

1шт.

23

383219R1

O-RING,0.924" ID x 0.103" Width

15/16 x 1-1/8 x 3/32, class 6

1шт.

24

376433R1

BACK-UP RING,0.957" ID x 0.87" Width

WASHER, valve body plug o-ring back-up

1шт.

25

537603R1

RING

check poppet retainer snap

1шт.

26

529908R1

WASHER

backup

1шт.

27

529909R1

O-RING,1.78mm Thk x 2.54mm ID

centering spring

1шт.

28

529904R1

RETAINER

PLUG, actuator valve

1шт.

383548R92

SET OF PARTS

PACKAGE, control valve, consists of Ref. nos. 9, 14, 17 and 19 thru 25

1шт.

548788R91

STRIPPER PACKAGE

PACKAGE, control valve lower seal, consists of Ref. nos. 15 thru 17

1шт.

Выбрано товаров: 32