Запчасти Case IH 464 (10-16) - HYDRAULICS, DRAFT CONTROL (07) - HYDRAULICS

Схема запчастей Case IH 464 - (10-16) - HYDRAULICS, DRAFT CONTROL (07) - HYDRAULICS
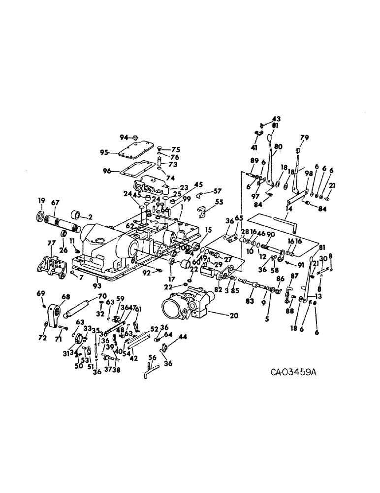
6
66
94
16
29
52
40
23
6
36
95
33
7
73
36
92
36
57
36
24
42
60
5
84
39
63
90
59
13
64
85
19
18
11
84
70
6
81
36
51
31
63
98
17
20
36
62
54
83
8
9
6
69
1
36
58
100
32
61
44
81
4
36
74
10
75
21
22
15
96
16
22
6
12
8
2
93
49
88
16
18
6
3
47
24
87
34
45
72
91
99
14
80
43
79
28
97
56
65
6
86
21
25
27
50
38
76
99
82
48
67
45
18
30
63
35
68
71
26
46
77
41
55
53
89
37
FIT
1:1
100%

Артикул

Название

Примечание

Количество

1

406003R22

HOUSING ASSY.

HOUSING ASSY, hydraulic unit, includes Ref. nos. 2, 4, 7, 11, 62, 99 and 100

1шт.

179846

LEVER

11шт.

179847

BOLT,Hex, 3/8" - 16 x 2", Gr 5

1шт.

179850

BOLT,Hex, 3/8" - 16 x 2 3/4", Gr 5

SCREW, 3/8-16 x 2-3/4 hex-hd cap

2шт.

103321

LOCK WASHER,3/8"

WASHER, LOCK, 3/8"

14шт.

179885

BOLT,Hex, 1/2" - 13 x 1 1/2", Gr 5

2шт.

179888

LEVER

SCREW, 1/2-13 x 1-7/8 hex-hd cap

4шт.

103323

LOCK WASHER,1/2"

WASHER, LOCK, 1/2"

6шт.

20953R1

DRAIN PLUG,Sq Hd, 1 1/4"-11 1/2 NPTF

PLUG, 1-1/4 x 11 x 1/2 automotive sq-hd pipe

1шт.

2

399992R1

BUSHING

BEARING, rockshaft RH

1шт.

3

529355R1

WASHER

back-up

2шт.

4

527749R1

BUSHING,63.52mm ID x 66.67mm OD x 50.8mm L

rockshaft LH

1шт.

5

529356R1

PLUG

variable flow control valve

1шт.

6

536847R1

BELLEVILLE WASHER

WASHER, belleville

7шт.

18253R1

LOCK NUT,3/8"-16, GB

NUT, 3/8-16 nylon insert

3шт.

7

273279R91

BUSHING

BEARING, sensing shaft

2шт.

376022R91

OIL SEAL

SEAL, sensing shaft oil

1шт.

8

204502R1

SNAP RING,#43, Ext

Arm #43, Ext

4шт.

9

364839R1

O-RING,0.078" Thk x 0.468" ID, -906, Cl 6, 90 Duro

6-1, 90 Duro, .468" ID x .078" Thk, 3/8 OD tube

1шт.

10

574069R1

O-RING,0.750" ID x .062"

3/4 x 7/8 x 1/16

1шт.

11

399993R1

BUSHING

eccentric shaft

1шт.

12

252739R1

O-RING,0.103" Thk x 0.487" ID, -112, Cl 5, 75 Duro

1/2 x 11/16 x 3/32

1шт.

13

527921R1

LEVER ASSY.

LEVER ASSY, flow control adj

1шт.

14

534352R1

SHAFT ASSY.

SHAFT ASSY, load control

1шт.

15

66762C1

PIPE,0.625" OD, 3.5" Length

TUBE ASSY, inlet union

1шт.

16

374940R1

NYLON BEARING

BEARING, control lever shaft

3шт.

17

380770R91

OIL SEAL

SEAL, rockshaft RH oil

1шт.

18

380421R1

FRICTION WASHER

DISC, sensitivity control friction

3шт.

19

537126R2

PLATE

retaining lift arm

2шт.

271556

WHEEL CYLINDER,Hex, 5/8" - 11 x 1 1/4", Gr 5

SCREW, 5/8-11 x 1-1/4 hex-hd cap

2шт.

20

NSS

NOT SOLD SEPARAT

VALVE ASSY, draft control cyl, for components, see list of parts under details of draft control cylinder valve

1шт.

179884

BOLT,Hex, 1/2" - 13 x 1 3/8", Gr 5, Full Thd

SCREW, 1/2-13 x 1-3/8 hex-hd cap

3шт.

400000R1

SEALING WASHER

cap screw sealing

2шт.

21

400087R1

PIN

hitch link connecting rear

2шт.

22

400002R1

OLIVE

SEAL, cyl to hyd hsg

2шт.

23

59098C93

VALVE

ASSY, unloading & flow control, for components, see list of parts under details of unloading and flow control valve

1шт.

179848

BOLT,Hex, 3/8" - 16 x 2 1/4", Gr 5

2шт.

179841

BOLT,Hex, 3/8" - 16 x 1 1/4", Gr 5

3/8-16 x 1-1/4 hex-hd cap

2шт.

103321

LOCK WASHER,3/8"

WASHER, LOCK, 3/8"

4шт.

24

377952R1

O-RING,0.103" Thk x 0.549" ID, -113, Cl 6, 90 Duro

9/16 x 3/4 x 3/32

2шт.

25

21433R1

O-RING,0.103" Thk x 0.674" ID, -115, Cl 6, 90 Duro

11/16 x 7/8 x 3/32

1шт.

26

380212R91

OIL SEAL

SEAL, rockshaft LH oil

1шт.

27

66766C1

PLUG

inlet union

1шт.

28

527927R1

SPACER

load control shaft

1шт.

29

364577R1

PIN,5/32" x 3/4", Coiled

1шт.

30

400085R1

STUD

hitch link connecting rod

2шт.

31

533340R1

HUB ASSY.

HUB ASSY, rockshaft actuating

1шт.

32

406734R1

SEAL

teflon

3шт.

33

377792R1

SET SCREW

SCREW, rockshaft hub set

1шт.

34

376057R1

BUCKET TOOTH KEY

KEY, rockshaft hub

1шт.

35

400008R1

LINK

position control walking

1шт.

36

104977R1

SNAP RING,#X31, .243" Dia, E-Type

RING, RETAINING, #X31, .243" Dia, E-Type

8шт.

37

400036R1

ECCENTRIC ASSY.

ECCENTRIC ASSY, position control

1шт.

38

355967R1

O-RING,0.364" ID x 0.003" Width

3/8 x 1/2 x 1/16

1шт.

39

971043R1

SNAP RING,#50, Ext

Eccentric shaft #50, Ext

1шт.

95-11041

WASHER,3/8"

(13/32 x 13/16 x .051) 3/8"

1шт.

40

400014R1

LEVER ASSY.

LEVER ASSY, follow up walking beam

1шт.

41

528169R1

STOP

position control

1шт.

42

400016R1

BAR

walking beam to quadrant link

1шт.

43

531340R1

KNOB

adjustable stop pin

1шт.

44

400017R1

LEVER ASSY.

LEVER ASSY, slow motion actuating

1шт.

102436

SET SCREW,Sq Hd, 1/4"-20 x 1 1/2"

1шт.

114501

JAM NUT,Jam, 1/4"-20, G5

1шт.

45

401941R1

SPACER

rear top cover mtg

2шт.

46

303004R1

SNAP RING,#78, Ext

Slow motion actuating lever #78, Ext

1шт.

47

400019R1

LINK

walking, Serial Range: beam-valve

1шт.

Q3817

WASHER

.344 x .656 x .021 plain

1шт.

48

376041R1

SCREW,Shldr, Hex, 1/4" - 20 x 0.70", W/ Nylon Pellet

Shoulder

1шт.

95-11034

WASHER,1/4"

11/32 x 11/16 x .051

1шт.

103373

COTTER PIN,3/32" x 3/4"

Pin, Split (Cotter), 3/32" x 3/4"

1шт.

49

364885R1

O-RING,0.097" Thk x 0.755" ID, -910, Cl 6, 90 Duro

5/8 OD tube

1шт.

50

400020R1

ROD

draft control

1шт.

51

400021R1

LINK ASSY.

LINK ASSY, draft control

1шт.

52

400024R1

PIN

BAR, sensing beam

1шт.

53

400038R1

PIN

sensing lever

1шт.

20092R1

PIN,3/16" x 1 3/8", Coiled

3/16" x 1-3/8", coiled

1шт.

54

400025R1

SPRING

sensing beam

1шт.

55

400026R2

SUPPORT

BRACKET ASSY, hyd switch lever

1шт.

56

400029R1

TUBE

ASSY, lub, tractors w/steel draft control cylinder body

1шт.

56

60652C1

TUBE ASSY.

TUBE ASSY, lub, tractors w/cast iron draft control cylinder body

1шт.

222-504

TUBE NUT,9/16"-20

NUT, 9/16-20 hi-duty fitting

1шт.

179816

BOLT,Hex, 5/16" - 18 x 3/4", Gr 5

3шт.

57

400033R1

LEVER

hyd switch

1шт.

179814

SPACER

1шт.

532467R1

WASHER

safety switch

1шт.

532468R1

SPACER

safety switch

1шт.

58

527926R1

LINK

flow control over-ride

1шт.

59

400039R1

PLATE ASSY.

PLATE ASSY, eccentric

1шт.

60

384376R1

O-RING,0.07" Thk x 0.926" ID, -21, Cl 6, 90 Duro

15/16 x 1-1/16 x 1/16

1шт.

61

400042R2

LEVER ASSY.

LEVER ASSY, draft control trigger

1шт.

62

531143R2

STUD

top cover long

2шт.

63

110668R1

CIRCLIP,#37, .300" Dia, E-Type

Ring, Retaining, #37, .300" Dia, E-Type

3шт.

64

400044R1

LINK

, Serial Range: trigger-quadrant

1шт.

65

534728R1

LEVER

ASSY, draft sensitivity control

1шт.

66

59099C1

O-RING,2.39mm Thk x 6.6mm ID

1шт.

67

400049R2

SHAFT

ROCKSHAFT, hyd draft control

1шт.

68

400053R1

LEVER

rockshaft bellcrank

1шт.

69

376069R1

SET SCREW

SCREW, rockshaft bellcrank set

1шт.

70

400054R1

PIN

ROD, hyd cyl connecting

1шт.

71

400052R1

PIN

hyd cyl conn. rod

1шт.

16558R1

WASHER

17/64 x 5/8 x 18 ga.

1шт.

72

83723R1

WAVE WASHER

spring

1шт.

103384

COTTER PIN,1/8" x 3/4"

Pin, Split (Cotter), 1/8" x 3/4"

1шт.

73

400095R92

VALVE, CUSHION

VALVE ASSY, cushion

1шт.

74

702788R1

O-RING,0.103" Thk x 0.362" ID, -110, Cl 6, 90 Duro

3/8 x 9/16 x 3/32

1шт.

75

536855R1

PLUG

3/4-16 str thd

1шт.

76

570828R1

O-RING,0.087" Thk x 0.644" ID, -908, Cl 6, 90 Duro

1/2 OD tube

1шт.

77

527229R91

SUPPORT

SPRING ASSY, draft sensing

1шт.

21047R1

HEX SOC SCREW,5/8"-11 x 1 3/4"

5/8-11 x 1-3/4 hex-soc-hd

4шт.

19842R1

DOWEL,5/16" x 1/2"

PIN, 5/16 x 1/2 dowel

1шт.

78

528158R2

LEVER

load control

1шт.

79

400068R1

BUTTON

GRIP, load control

1шт.

80

528159R1

LEVER

position control

1шт.

81

400072R1

BUTTON

GRIP, position and speed control

2шт.

82

529349R2

SUPPORT ASSY.

SUPPORT ASSY, hitch control shaft

1шт.

83

529351R1

SPOOL

variable flow control

1шт.

84

400086R1

PIN

hitch link connecting front

2шт.

124829

JAM NUT,Hex, 3/8" - 16, Gr 5

2шт.

85

360599R1

O-RING,0.07" Thk x 0.18" ID, -8, Cl 5, 75 Duro

3/16 x 5/16 x 1/16

2шт.

86

529352R1

SPRING

return

1шт.

87

529353R1

ARM ASSY.

ARM ASSY, flow control

1шт.

102436

SET SCREW,Sq Hd, 1/4"-20 x 1 1/2"

1шт.

114501

JAM NUT,Jam, 1/4"-20, G5

1шт.

65461C1

SET SCREW

SCREW W/NYLON PATCH INSERT, 1/4-28 x 3/8 hdls-hex-soc-set

1шт.

88

527919R1

BOLT

BOLT - Flow lever pivot

1шт.

89

400081R1

BOLT,3/8" - 16 x 72.90mm, HT

- Hitch control lever pivot

1шт.

19716R1

PIN,4.75mm OD x 44.45mm L, Coiled

3/16" x 1-3/4", coiled

2шт.

179840

BOLT,Hex, 3/8" - 16 x 1 1/8", Gr 5

SCREW, 3/8-16 x 1-1/8 hex-hd cap

3шт.

103321

LOCK WASHER,3/8"

WASHER, LOCK, 3/8"

3шт.

90

400079R1

SHAFT ASSY.

SHAFT ASSY, position control lever

1шт.

91

527923R1

PIN

link arm

1шт.

92

82301R1

BLEEDER,3/8" - 24 x 117mm

brake bleed

2шт.

93

NSS

NOT SOLD SEPARAT

GASKET, hyd lift housing lower, not serviced separately, furnish gasket package 538649R92

1шт.

94

65970C2

BREATHER ASSY.

BREATHER ASSY, hyd unit housing

1шт.

444695

PLUG

3/8-18 auto-hex-soc-hd pipe

1шт.

95

65969C1

COVER

linkage access

1шт.

179791

BOLT,Hex, 1/4" - 20 x 1/2", Gr 5

5шт.

96

399996R1

GASKET

linkage access cover

1шт.

97

537600R1

PLATE

inner retaining

1шт.

98

536849R1

PLATE

outer retaining

1шт.

99

531144R1

STUD

top cover short

2шт.

100

376011R1

BUSHING

quadrant shaft

1шт.

538649R92

GASKET KIT

PACKAGE, rear frame cover gasket, consists of (1) gasket (NSS), (3) seal 406734R1

1шт.

Выбрано товаров: 143