Запчасти Case IH 470 (210) - UPPER ADJUSTING LINK, DRAFT-O-MATIC (09) - CHASSIS/ATTACHMENTS

Схема запчастей Case IH 470 - (210) - UPPER ADJUSTING LINK, DRAFT-O-MATIC (09) - CHASSIS/ATTACHMENTS
17
2
11
12
6
15
4
21
13
19
5
1
5
18
20
10
23
4
3
22
14
16
3
7
FIT
1:1
100%

Артикул

Название

Примечание

Количество

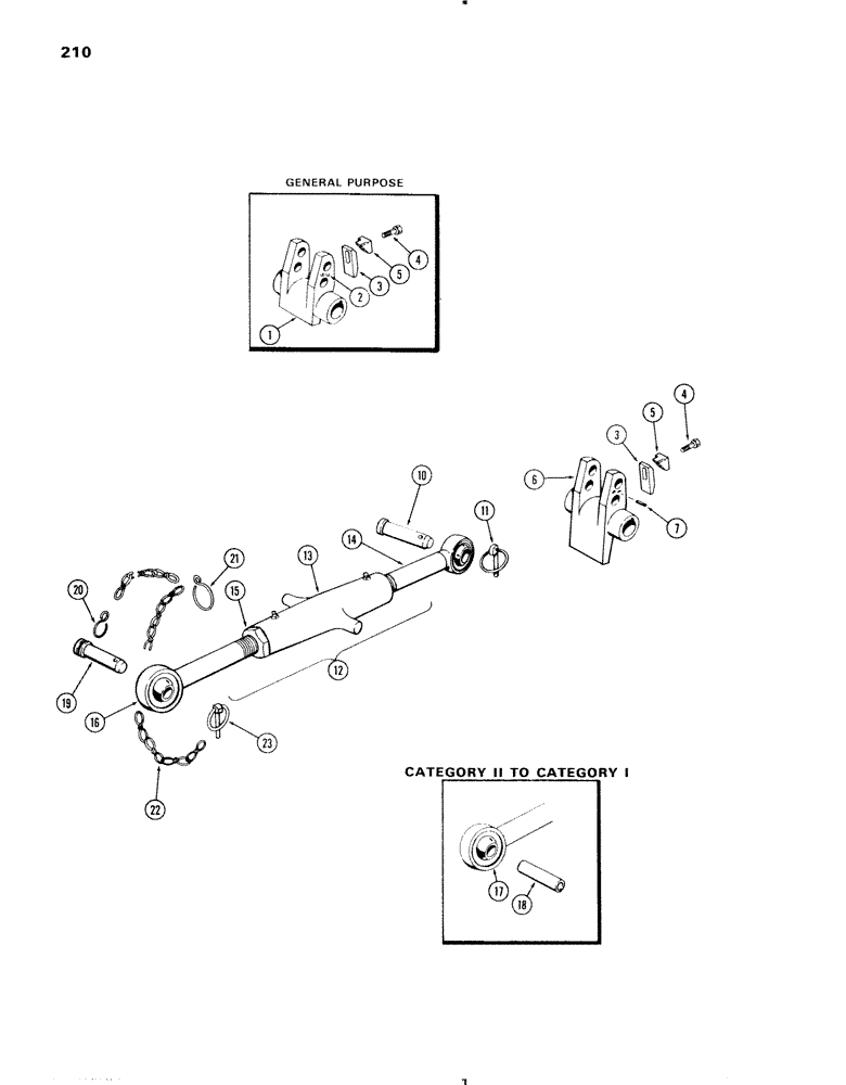
1

A38745

BRACKET

- mast (General Purpose)

1шт.

2

138-134

LOCK PIN,1/4" x 1", Slotted

PIN, 1/4" x 1", Slotted

2шт.

3

A38743

STOP

- mast bracket

1шт.

4

113-268

BOLT,Hex, 3/8" - 16 x 1", Gr 8, Full Thd

- hex hd. (3/8 x 1" N.C.) (Grade 8) (plated)

1шт.

5

A38744

WEDGE

- draft-o-matic lock out

1шт.

6

A38742

BRACKET

- mast (Standard 4 Wheel)

1шт.

7

138-134

LOCK PIN,1/4" x 1", Slotted

PIN, 1/4" x 1", Slotted

2шт.

10

G16735

PIN

- adjusting, Serial Range: link-mast

1шт.

11

A30338

PIN

KLICK PIN

1шт.

12

A36228

UPPER LINK

LINK ASSY. - upper adjusting (includes ref. 13 - 16)

1шт.

13

A36223

TURNBUCKLE

1шт.

14

A36225

RING, SNAP

- adjusting, front (3/4")

1шт.

15

25-1518

JAM NUT,Jam, 1 1/8"-12, G5

- hex (1-1/8" N.F. jam)

1шт.

16

A36226

LINK

- adjusting, rear (Cat. I)

1шт.

17

A38138

LINK - adjusting, rear (1") (Cat. II to Cat. I)

1шт.

18

A33499

ADAPTER

- (Cat. II to Cat. I)

1шт.

19

G16735

PIN

- link to implement (Cat. I)

1шт.

20

A30706

"S" HOOK -, Serial Range: chain-pin

1шт.

21

A29730

HOOK

"S" HOOK -, Serial Range: chain-link

1шт.

22

A30672

CHAIN - hitch pin & klik pin

2шт.

23

A30338

PIN

KLIK PIN

1шт.

Выбрано товаров: 21