Запчасти Case IH 470 (016) - WHEELS AND WHEEL DRIVE (86 HYDRAULIC DRIVE RAKE), 470 (148B) SPARK IGNITION ENGINE (02) - ENGINE

Схема запчастей Case IH 470 - (016) - WHEELS AND WHEEL DRIVE (86 HYDRAULIC DRIVE RAKE), 470 (148B) SPARK IGNITION ENGINE (02) - ENGINE
19
25
27
28
3
7
22
17
18
11
14
4
3
1
5
20
3
8
2
24
10
23
21
9
26
15
13
16
12
26
25
6
FIT
1:1
100%

Артикул

Название

Примечание

Количество

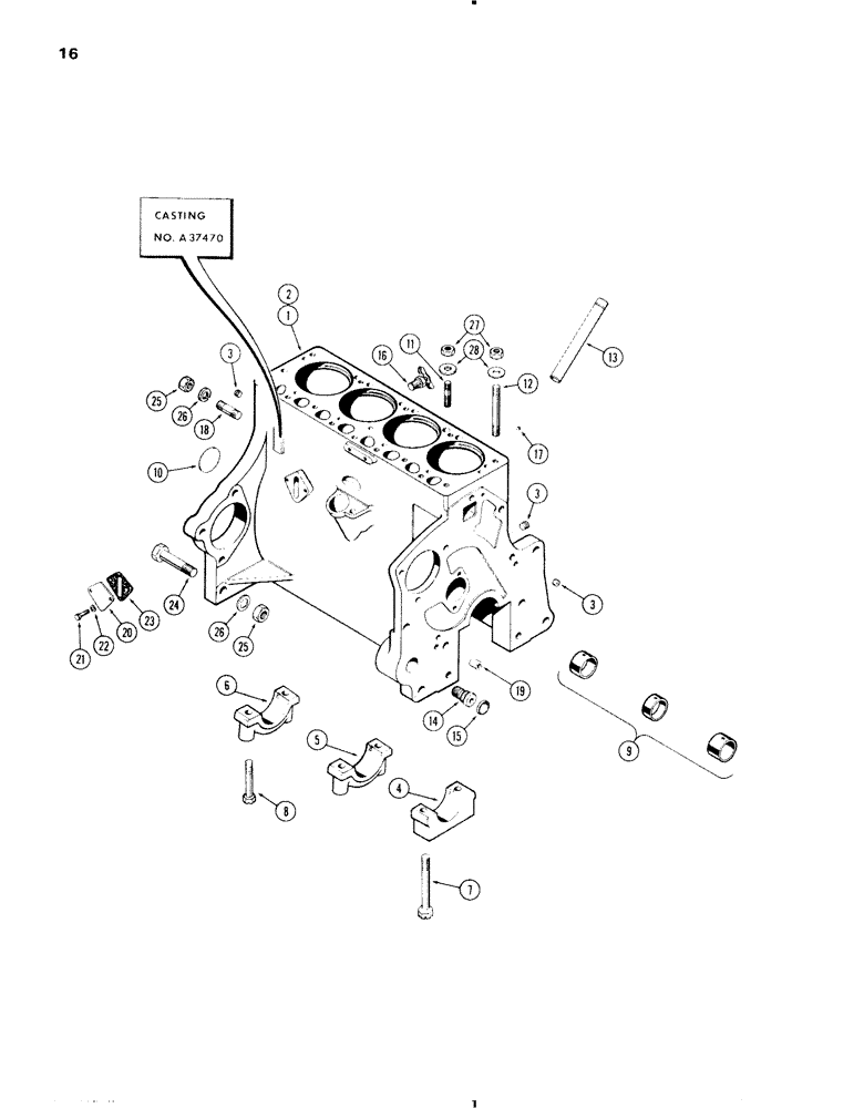
1

A41598

SHORT BLOCK ASSY. - (includes stripped block, crankshaft & bearings, camshaft & gear, pistons & rods, sleeves and oil pump) (includes ref. 2, 3, 4 and 6 - 19)

1шт.

2

A37828

SKELETON ENGINE

BLOCK ASSY. - stripped (Casting No. A37470) (includes ref. 3, 4 and 6 - 19)

1шт.

3

217-433

PLUG,Hex Soc, 1/4" - 18 NPTF

Oil gallery Hex Soc, 1/4"-18 NPTF

3шт.

4

G2035

CAP

- front bearing, crankshaft

1шт.

4

G2036

CAP

- center bearing, crankshaft

1шт.

6

G2037

CAP

- rear bearing, crankshaft

1шт.

7

G49059

BOLT

- front brg. cap & oil pump (1/2 x 4-3/4")

2шт.

8

G49037

BOLT

- bearing cap (1/2 x 3")

4шт.

9

A41225

KIT

BUSHING SET - camshaft (pre-sized)

1шт.

10

A39241

PLUG,Exp, 2.12" dia

- rear (2-1/8" dia.)

1шт.

11

A30057

STUD

- head (1/2" N.C. - N.F. x 2")

9шт.

12

A29436

STUD

- head (1/2" N.C. - N.F. x 5-7/8")

5шт.

13

A37149

TUBE

- dipstick & oil filter

1шт.

14

A153552

ADAPTER

- oil filter

1шт.

15

41-1016

PLUG,Cup, 1"

- adapter opening (1" cup type)

1шт.

16

A23656

COCK, DRAIN

VALVE - drain, cyl. block (1/4" P.T.)

1шт.

17

221-1850

PLUG,Hex Soc, 1/16"-27

- pipe, 1/16" socket hd.

1шт.

18

A29333

STUD

- engine to torque tube (5/8" N.C. - N.F. x 3")

2шт.

19

A29442

RING

- dowel, timing gear cover

2шт.

20

G11702

COVER

- fuel pump opening

1шт.

21

13-512

BOLT,Hex, 5/16" - 18 x 3/4", Gr 5

2шт.

22

92-5

LOCK WASHER,5/16"

2шт.

23

G46902

GASKET

- cover

1шт.

24

A30099

X

BOLT - engine to torque tube (5/8 x 3 1/2" N.F. hex)

2шт.

25

25-1110

NUT,5/8"-18, G5

- 5/8" N.F. hex

4шт.

26

92-10

LOCK WASHER,5/8"

WASHER, LOCK, 5/8"

4шт.

27

A30021

NUT

- head stud (1/2" N.F. hex)

14шт.

28

G49404

WASHER

- stud nut (17/32 x 27/32 x 1/16")

14шт.

Выбрано товаров: 28