Запчасти Case IH 470 (202) - DUAL FRONT WHEEL SUPPORT, GENERAL PURPOSE MODELS (05) - STEERING

Схема запчастей Case IH 470 - (202) - DUAL FRONT WHEEL SUPPORT, GENERAL PURPOSE MODELS (05) - STEERING
12
15
13
2
10
1
16
11
7
8
14
5
4
3
6
4
9
FIT
1:1
100%

Артикул

Название

Примечание

Количество

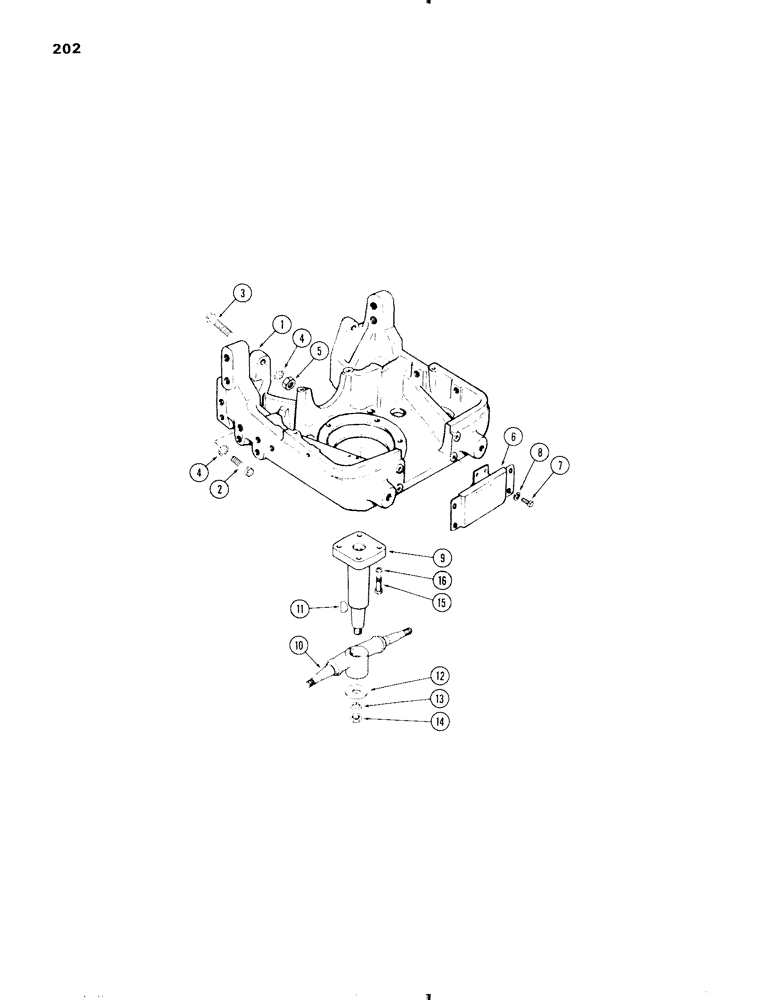
1

G1414

SUPPORT - steering gear and radiator

1шт.

2

113-663

BOLT (SPREADER)

BOLT - lower, support (5/8 x 2-1/4" N.C. hex hd.)

2шт.

3

114-627

BOLT - upper, support (5/8 x 3" N.F. hex hd.)

2шт.

4

193-34

LOCK WASHER,Int Tooth, 5/8"

WASHER, LOCK, Int Tooth, 5/8"

4шт.

5

25-1710

NUT,5/8"-18, G5, Hvy

- hex (5/8" N.F.)

1шт.

6

A35044

COVER - front support

1шт.

7

13-610

BOLT,Hex, 3/8" - 16 x 5/8", Gr 5, Full Thd

Cover Hex, 3/8"-16 x 5/8", G5, Full Thd

4шт.

8

92-6

LOCK WASHER,3/8"

4шт.

9

G15963

SHAFT - steering, Serial Range: gear-spindle

1шт.

10

G10812

SPINDLE - front wheel, dual

1шт.

11

126-40

WOODRUFF KEY,#G, 3/8" x 1 1/2"

Spindle #G, 3/8" x 1 1/2"

1шт.

12

A30052

WASHER

- take-up, spindle

1шт.

13

92-16

LOCK WASHER,1"

WASHER, LOCK, 1"

1шт.

14

25-1516

NUT,Jam, 1"-14, G5

- hex (1" N.F.)

1шт.

15

14-1032

BOLT,Hex, 5/8" - 18 x 2", Gr 5

Shaft to gear Hex, 5/8"-18 x 2", G5

4шт.

16

192-10

WASHER - lock (5/8")

4шт.

Выбрано товаров: 16