Запчасти Case IH 470 (222) - HYDRAULIC PUMP ADAPTER (08) - HYDRAULICS

Схема запчастей Case IH 470 - (222) - HYDRAULIC PUMP ADAPTER (08) - HYDRAULICS
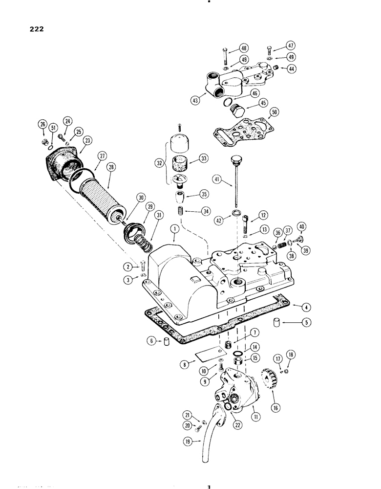
1
47
25
18
34
4
40
49
42
10
11
3
35
2
23
50
46
8
27
12
24
22
29
17
5
14
26
9
6
21
20
39
37
19
16
15
41
49
51
13
43
48
32
7
36
45
38
30
28
3
31
44
FIT
1:1
100%

Артикул

Название

Примечание

Количество

1

A37790

HOUSING

- adapter, hydraulic

1шт.

2

13-616

BOLT,Hex, 3/8" - 16 x 1", Gr 5, Full Thd

9шт.

2

13-628

BOLT,Hex, 3/8" - 16 x 1-3/4", Gr 5

1шт.

2

413-632

BOLT,Hex, 3/8" - 16 x 2", Gr 5

- 3/8" x 2" N.C. hex.

1шт.

3

92-6

LOCK WASHER,3/8"

11шт.

4

G10876

GASKET

- adapter housing

1шт.

5

G10711

PIN

- front dowel, housing

1шт.

6

A29426

AXLE PIN

PIN - rear dowel, housing

1шт.

7

221-32

PLUG,Sq Soc, 3/8"-18 NPTF

- pipe (3/8" socket head)

1шт.

8

G10922

BAFFLE - oil

1шт.

9

13-48

BOLT,Hex, 1/4" - 20 x 1/2", Gr 5

1шт.

10

92-4

LOCK WASHER,1/4"

WASHER, LOCK, 1/4"

1шт.

11

A35081

PUMP

ASSY. - hydraulic (For Repairs See Page 225)

1шт.

12

165-116

SCREW - cap (7/16 x 2" N.C. socket head)

2шт.

13

92-7

LOCK WASHER,7/16"

2шт.

14

A7623

O-RING,0.139" Thk x 0.984" ID, -214, Cl 5, 75 Duro

"O" RING - pump to adapter

1шт.

15

G10929

BUSHING

- dowel, Serial Range: pump-housing

1шт.

16

A35082

GEAR

- pump drive

1шт.

17

126-11

WOODRUFF KEY,#5, 1/8" x 5/8"

Gear to pump #5, 1/8" x 5/8"

1шт.

18

G46176

SNAP RING,#56, Ext

RING, snap, , gear to pump #56, Ext

1шт.

19

A35213

TUBE

- suction, hydraulic pump

1шт.

20

13-512

BOLT,Hex, 5/16" - 18 x 3/4", Gr 5

2шт.

21

92-5

LOCK WASHER,5/16"

2шт.

22

A27352

O-RING,0.859" ID x 1.137" OD x 0.139"

"O" RING - suction tube

1шт.

23

A35108

CAP

- cover, oil filter

1шт.

24

13-514

BOLT,Hex, 5/16" - 18 x 7/8", Gr 5

4шт.

25

92-5

LOCK WASHER,5/16"

4шт.

26

218-5158

PLUG,Hex Hd, 1 1/16"-12 ORB

Cap (w/no hitch) (Includes Ref. 51) Hex Hd, 1 1/16"-12 ORB

1шт.

27

A30095

O-RING,0.139" Thk x 2.984" ID, -234, Cl 5, 75 Duro

"O" RING - cap to housing

1шт.

28

A36524

FILTER, ELEMENT

ELEMENT - filter, hydraulic oil

1шт.

29

A36523

CAP

- retainer, filter element

1шт.

30

13-428

BOLT,Hex, 1/4" - 20 x 1-3/4", Gr 5

1шт.

31

A29993

VALVE SPRING

SPRING - retainer, filter element

1шт.

32

A9238

BREATHER

- oil (includes ref. 33)

1шт.

33

A10059

FILTER, ELEMENT

ELEMENT - filter, breather

1шт.

34

221-130

PIPE,Nipple, 1/4" NPT x 7/8"

NIPPLE - pipe (1/4" P.T. x 7/8")

1шт.

35

221-731

COUPLING - reducer, Serial Range: (3/4"-1/4")

1шт.

36

211-14

BALL,9/16" Dia

- drop check valve (.) 9/16" Dia

1шт.

37

A35427

SPRING

- drop check valve

1шт.

38

A27927

OIL PAN GASKET SET

- plug, drip check valve

1шт.

39

138-106

LOCK PIN,3/16" x 2 1/2", Slotted

PIN, 3/16" x 2 1/2", Slotted

1шт.

40

A14280

PLUG

- drop check valve

1шт.

41

A38309

DIPSTICK - oil, torque tube

1шт.

42

A38660

GASKET

- dipstick

1шт.

43

A35425

COVER ASSY

COVER - housing (w/D.O.M.)

1шт.

44

221-849

PLUG,Hex Soc, 1/8"-27

- pipe (1/8" socket head)

1шт.

45

86512512

PLUG,7/8" - 14 ORB

(5/8" O.D.) (Incl. Ref. 46) Hex Hd, 7/8"-14 ORB

1шт.

46

237-6010

O-RING,0.097" Thk x 0.755" ID, -910, Cl 6, 90 Duro

10-1, 90 Duro, .755" ID x .097" Thk, Plug

1шт.

47

13-520

BOLT,Hex, 5/16" - 18 x 1-1/4", Gr 5

- hex hd. (5/16 x 1-1/4" N.C.)

7шт.

48

13-528

BOLT,Hex, 5/16" - 18 x 1-3/4", Gr 5

- hex hd. (5/16 x 1-3/4" N.C.)

1шт.

49

92-5

LOCK WASHER,5/16"

8шт.

50

A35617

GASKET

- cover

1шт.

51

218-5008

O-RING,0.116" Thk x 0.924" ID, -912, Cl 6, 90 Duro

"O" RING - (3/4" tube) (See Ref. 26)

1шт.

Выбрано товаров: 53