Запчасти Case IH 474 (08-06) - DE-LUXE LIGHTING (06) - ELECTRICAL

Схема запчастей Case IH 474 - (08-06) - DE-LUXE LIGHTING (06) - ELECTRICAL
9
1
7
2
5
4
11
12
6
10
8
3
FIT
1:1
100%

Артикул

Название

Примечание

Количество

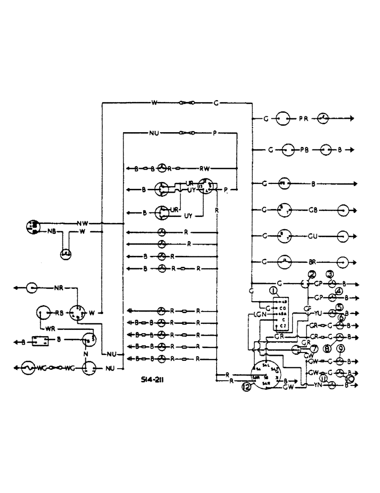
CODE, CABLE COLOUR, BLACK - B, BLUE - U, BROWN - N, GREEN - G, PINK - K, PURPLE - P, RED - R, SLATE - S, WHITE - W, YELLOW - Y, DARK - D, LIGHT - L, MEDIUM - M, ORANGE - O

1шт.

1

UNIT, FLASHER

1шт.

2

SWITCH, BRAKE LIGHT

1шт.

3

LIGHT, BRAKE R.H.

1шт.

4

LIGHT, BRAKE L.H.

1шт.

5

LIGHT, TRAILER WARNING

1шт.

6

LIGHT, FLASHER FRONT L.H.

1шт.

7

SWITCH, FLASHER

1шт.

8

LIGHT, FLASHER REAR L.H.

1шт.

9

LIGHT, FLASHER FRONT R.H.

1шт.

10

LIGHT, FLASHER REAR R.H.

1шт.

11

LIGHT, TRACTOR WARNING

1шт.

12

SOCKET, POWER 7 PIN

1шт.

ref

Part No.

English

1шт.

3113658R91

HARNESS

FENDER L.H., NOT ILLUSTRATED

1шт.

3113659R91

HARNESS

FENDER R.H. , NOT ILLUSTRATED

1шт.

708114R1

CLIP, CABLE, NOT ILLUSTRATED

2шт.

3113661R1

GROMMET

FENDER HARNESS, NOT ILLUSTRATED

2шт.

705897R1

CONNECTOR, ELEC

CONNECTOR, 1 WAY L.H. FENDER, NOT ILLUSTRATED

7шт.

705897R1

CONNECTOR, ELEC

CONNECTOR, 1 WAY R.H. FENDER, NOT ILLUSTRATED

9шт.

Выбрано товаров: 20