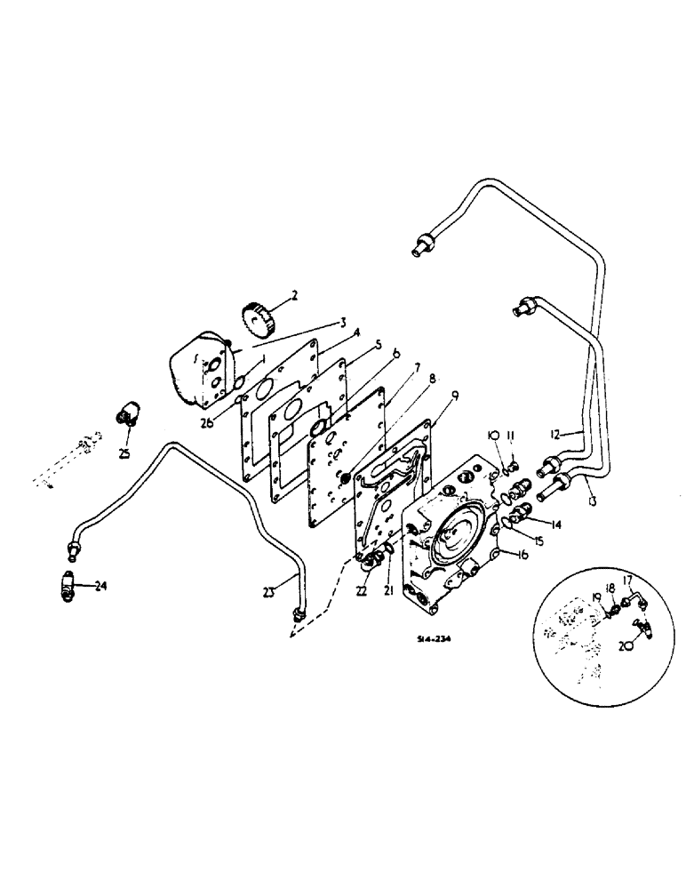
Запчасти Case IH 474 (10-02) - HYDRAULIC POWER SUPPLY AND MULTI CONTROL VALVE (07) - HYDRAULICS

Схема запчастей Case IH 474 - (10-02) - HYDRAULIC POWER SUPPLY AND MULTI CONTROL VALVE (07) - HYDRAULICS
8
21
14
7
10
11
2
3
13
25
20
16
6
4
24
5
22
23
12
26
9
15
FIT
1:1
100%

Артикул

Название

Примечание

Количество

1

372821R1

O-RING,0.103" Thk x 1.049" ID, -121, Cl 5, 75 Duro

1-1/16 x 1-1/4 x 3/32 - PUMP SUCTION PORT

1шт.

2

406764R1

PINION

GEAR, HYD PUMP DRIVEN - 27 T

1шт.

*

19258R1

LOCK NUT,1/2"-20, GB

NUT, 1/2-20 ESNA STOP

1шт.

3

406827R91

PUMP

ASSY, HYD GEAR - OPTIONAL W/406763R91

1шт.

3

84573150R

REMAN-HYD PUMP

474 INTERNATIONAL DIESEL TRACTOR, ASSY, HYD GEAR (1/73-12/74), Reman for New PN 406827R91

1шт.

3

84573150C

CORE-HYDRAULIC PUMP

Return Number

1шт.

3

406763R91

PUMP

ASSY, HYD GEAR - OPTIONAL W/406827R91

1шт.

3

84573150R

REMAN-HYD PUMP

474 INTERNATIONAL DIESEL TRACTOR, ASSY, HYD GEAR (1/73-12/74), Reman for New PN 406763R91

1шт.

3

84573150C

CORE-HYDRAULIC PUMP

Return Number

1шт.

*

179829

BOLT,Hex, 5/16" - 18 x 2 3/4", Gr 5

2шт.

*

186270

BOLT,Hex, 5/16" - 18 x 3 1/2", Gr 5

2шт.

*

382331R1

SEALING WASHER,8.33mm ID x 12.7mm OD x 0.79mm Thk

PUMP MOUNTING BOLT

4шт.

4

401737R2

GASKET

MULTIPLE CONTROL VALVE LIGHT - USED W/PUMP 406827R91

1шт.

5

401736R2

GASKET

MULTIPLE CONTROL VALVE HV - USED W/PUMP 406827R91 OR 406763R91

1шт.

6

707253R1

O-RING,-222, 70 Duro, 1.484" ID x .139" Thk

1-1/2 x 1-3/4 x 1/8 INLET PORT

1шт.

7

405458R1

PLATE

MULTIPLE CONTROL VALVE

1шт.

8

387926R2

RING

RE CTANGULAR

1шт.

9

65000C1

GASKET

MULTIPLE CONTROL VALVE BODY

1шт.

10

369751R1

O-RING,0.072" Thk x 0.351" ID, -904, Cl 6, 90 Duro

4-1, 90 Duro, .351" ID x .072" Thk, 1/4 OD tube

1шт.

11

9410356

PLUG

7/16-20 STR THD O-RING BOSS

1шт.

12

66761C1

TUBE ASSY.

TUBE ASSY, DRAFT CONTROL RETURN

1шт.

13

66764C1

PIPE

TUBE ASSY, AUXILLARY VALVE PRESSURE

1шт.

14

9410204

HYD CONNECTOR,7/8"-14, 37 Degree x 7/8"-14, O-Ring

ELBOW, 7/8-14 C-Z 37 DEG HYD FALRED TUBE

1шт.

*

- SHORT SWIVEL

2шт.

15

364885R1

O-RING,0.097" Thk x 0.755" ID, -910, Cl 6, 90 Duro

5/8 OD TUBE

2шт.

16

405440R95

LOCK VALVE

VALVE ASSY, MULTIPLE CONTROL

1шт.

*

280161

BOLT,Hex, 3/8" - 16 x 3", Gr 5

- 7 Req'd for Hydrostatic Drive Tractors Hex, 3/8"-16 x 3", G5

9шт.

*

186283

BOLT,Hex, 3/8" - 16 x 3 1/2", Gr 5

SCREW, 3/8-16 x 3-1/2 HEX HD CAP

1шт.

*

103321

LOCK WASHER,3/8"

WASHER, LOCK, 3/8"

10шт.

17

539835R1

TUBE ASSY.

TUBE ASSY, IPTO PRESSURE - TRACTORS W/IPTO

1шт.

18

9410200

HYD CONNECTOR,7/16" - 20 JIC x 7/16" - 20 ORB

UNION, 7/16-20 C-Z 37 DEG HYD FLARED

1шт.

*

TUBE SHORT SWIVEL -TRACTORS W/IPTO

1шт.

19

369751R1

O-RING,0.072" Thk x 0.351" ID, -904, Cl 6, 90 Duro

4-1, 90 Duro, .351" ID x .072" Thk, 1/4 OD tube, Tractors with IPTO

1шт.

20

9411115

TEE,7/16"-20, 37 Degree x 7/8"-14, O-Ring Br

7/16-20 C-Z 37 DEG HYD FLARED TUBE - TRACTORS W/IPTO

1шт.

*

9403369

CAP,37 Degree, 7/16"-20

7/16-20 C-Z 37 DEG HYD FLARED

1шт.

*

TUBE

1шт.

21

570828R1

O-RING,0.087" Thk x 0.644" ID, -908, Cl 6, 90 Duro

1/2 OD TUBE

1шт.

22

9410977

ELBOW,90 Degree, 3/4"-16, 37 Degree x 3/4"-16, O-Ring

3/4-16 C-Z 37 DEG HYD FLARED TUBE

1шт.

*

ADJ STR THD 90 DEG

1шт.

23

529617R3

TUBE

ASSY, MCV DUMP - HYDROSTATIC DRIVE TRACTORS

1шт.

24

534773R2

ELBOW

MCV DUMP ORIFICE - HYDROSTATIC DRIVE TRACTORS

1шт.

25

534773R2

ELBOW

1шт.

26

21433R1

O-RING,0.103" Thk x 0.674" ID, -115, Cl 6, 90 Duro

11/16 x 7/8 x 3/32 - PUMP PRESSURE PORT

1шт.

ref

PART NO.

English

1шт.

*

529865R1

SEAL

PUMP TO REAR FRAME RIB - SYNCHROMESH DRIVE TRA CTORS , PARTS NOT LISTED

1шт.

*

406763R91

PUMP

ASSY, HYD GEAR - CONSISTS OF, PARTS NOT LISTED

1шт.

*

84573150R

REMAN-HYD PUMP

474 INTERNATIONAL DIESEL TRACTOR, ASSY, HYD GEAR (1/73-12/74), Reman for New PN 406763R91

1шт.

*

84573150C

CORE-HYDRAULIC PUMP

Return Number

1шт.

*

124546

WOODRUFF KEY,#6, 5/32" x 5/8", HT

Pump shaft, Parts not listed #6, 5/32" x 5/8", HT

1шт.

*

534262R91

PACKAGE

KIT, SEAL PACK , PARTS NOT LISTED

1шт.

*

372821R1

O-RING,0.103" Thk x 1.049" ID, -121, Cl 5, 75 Duro

SUCTION PORT , PARTS NOT LISTED

1шт.

*

350667R1

O-RING,0.103" Thk x 0.674" ID, -115, Cl 5, 75 Duro

PRESSURE PORT , PARTS NOT LISTED

1шт.

*

406827R91

PUMP

ASSY, HYD GEAR - CONSISTS OF, PARTS NOT LISTED

1шт.

*

84573150R

REMAN-HYD PUMP

474 INTERNATIONAL DIESEL TRACTOR, ASSY, HYD GEAR (1/73-12/74), Reman for New PN 406827R91

1шт.

*

84573150C

CORE-HYDRAULIC PUMP

Return Number

1шт.

*

16007R1

BALL

7/32 DIA. , PARTS NOT LISTED

1шт.

*

124546

WOODRUFF KEY,#6, 5/32" x 5/8", HT

Pump drive gear, Parts not listed #6, 5/32" x 5/8", HT

1шт.

*

373244R91

SEAL

SEAL, PUMP SHAFT OIL , PARTS NOT LISTED

1шт.

*

371523R1

SPRING

BACK CHECK , PARTS NOT LISTED

1шт.

*

534261R91

SEAL KIT

PACKAGE, HYD PUMP O-RING , PARTS NOT LISTED

1шт.

*

534261R91

SEAL KIT

PACKAGE, HYD PUMP O-RING AND GASKET - SERVICE - CONSISTS OF 1 O-RING 22276R1, 1 O-RING 372821R1, 1 O-RING 350667R1 , PARTS NOT LISTED

1шт.

Выбрано товаров: 61