Запчасти Case IH 474 (10-05) - POWER STEERING (07) - HYDRAULICS

Схема запчастей Case IH 474 - (10-05) - POWER STEERING (07) - HYDRAULICS
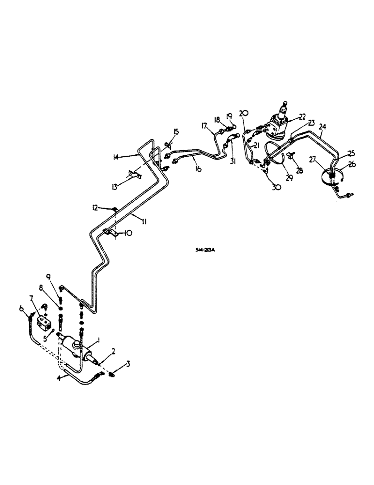
30
15
10
4
25
16
3
26
19
22
1
24
6
11
20
12
27
13
14
17
23
7
18
2
8
31
28
9
29
21
FIT
1:1
100%

Артикул

Название

Примечание

Количество

1

CYLINDER ASSY, HYD PS - FOR COMPONENTS, SEE LIST OF PARTS UNDER DETAILS OF POWER STEERING CYLINDER

1шт.

2

364839R1

O-RING,0.078" Thk x 0.468" ID, -906, Cl 6, 90 Duro

6-1, 90 Duro, .468" ID x .078" Thk, 3/8 OD tube

2шт.

3

9410976

ELBOW,90 Degree, 9/16"-18, 37 Degree x 9/16"-18, O-Ring

9/16-18 C-Z 37 DEG HYD FLARED

2шт.

4

530132R1

HYDRAULIC HOSE,0.25" ID x 18.00", SAE 100R1

HOSE ASSY, POWER STEERING CYL R.H.

1шт.

5

570828R1

O-RING,0.087" Thk x 0.644" ID, -908, Cl 6, 90 Duro

5/8 OD TUBE

1шт.

522246R1

HEADED PIN,19.05mm OD x 63.5mm L

PIN, 3/4 x 2-1/2 STD HD

1шт.

432-1620

COTTER PIN,1/4" x 1 1/4"

Pin, Split (Cotter), 1/4" x 1 1/4"

1шт.

6

530131R1

HOSE

ASSY, POWER STEERING CYL L.H.

1шт.

7

549670R1

CLEANER

CLEVIS, CYL END 7/8 THREAD

1шт.

8

9403293

LOCK NUT,Blkhd, 9/16"-18

NUT, 9/16-18 C-Z BULKHEAD UNION LOCK

2шт.

9

9403254

FITTING,Blkhd, 9/16"-18, 37 Degree x 9/16"-18, 37 Degree

UNION, 9/16-18 C-Z 37 DEG HYD FLARED

1шт.

TUBE BULKHEAD

2шт.

115553

LOCK WASHER,Int Tooth, 5/8"

WASHER, LOCK, Int Tooth, 5/8"

2шт.

10

529646R1

BRACKET

FRONT MANIFOLD SUPPORT

1шт.

9635082

NUT,5/16" - 18, Gr 5

5/16-18 C-Z HEX

1шт.

11

529631R1

TUBE

ASSY, POWER STEERING R.H. FORWARD

1шт.

12

384891R11

CLAMP

ASSY, POWER STEERING TUBE

1шт.

413-412

BOLT,Hex, 1/4" - 20 x 3/4", Gr 5

SCREW, 1/4-20 x 3/4 HEX HD CAP

1шт.

103319

LOCK WASHER,1/4"

WASHER, LOCK, 1/4"

1шт.

13

529642R1

BRACKET

FRONT MANIFOLD

1шт.

109084

NUT,1/4"-20, G5

1шт.

103319

LOCK WASHER,1/4"

WASHER, LOCK, 1/4"

1шт.

14

529632R1

TUBE

ASSY, POWER STEERING L.H. FORWARD

1шт.

15

529643R11

CLAMP

ASSY, POWER STEERING TUBE

1шт.

16

537425R1

TUBE

ASSY, POWER STEERING R.H. REAR

1шт.

17

537424R1

TUBE

ASSY, POWER STEERING L.H. REAR

1шт.

18

587639R1

HYD CONNECTOR,9/16"-18, 37 Degree x 3/4"-18, O-Ring

UNION, 9/16-18 C-Z 37 DEG HYD FLARED

1шт.

19

570828R1

O-RING,0.087" Thk x 0.644" ID, -908, Cl 6, 90 Duro

1/2 OD TUBE

4шт.

20

537429R1

PIPE FITTING

TUBE ASSY, POWER STEERING RETURN

1шт.

FORWARD

1шт.

21

537428R1

TUBE

ASSY, POWER STEERING PRESSURE

1шт.

FORWARD

1шт.

22

537422R92

LOCK VALVE

VALVE ASSY, INTEGRAL POWER STEERING - FOR COMPONENTS, SEE LIST OF PARTS UNDER DETAILS OF INTEGRAL HYDROSTATIC STEERING VALVE

1шт.

23

529637R2

GUIDE

MANIFOLD TUBE

1шт.

24

66105C1

TUBE ASSY.

TUBE ASSY, POWER STEERING PRESSURE

1шт.

REAR

1шт.

25

66104C1

PIPE

TUBE ASSY, POWER STEERING RETURN REAR

1шт.

26

306132C1

CABLE TIE,14.5" L

STRAP, REAR MANIFOLD TUBES

1шт.

27

536009R1

FUEL HOSE,0.31" ID x 2.50"

Spacer 0.31" ID x 2.50"

2шт.

28

529638R1

BRACKET

REAR MANIFOLD

1шт.

29

306132C1

CABLE TIE,14.5" L

STRAP, REAR MANIFOLD TUBES

1шт.

30

9402942

ELBOW,90 Degree, 9/16"-18, 37 Degree x 9/16"-18, 37 Degree

9/16-18 C-Z 37 DEG HYD FLARED

2шт.

31

537423R1

ELBOW

ASSY, HYD TUBE

2шт.

Выбрано товаров: 43