Запчасти Case IH 474 (10-14) - DRAFT CONTROL (07) - HYDRAULICS

Схема запчастей Case IH 474 - (10-14) - DRAFT CONTROL (07) - HYDRAULICS
16
11
47
33
4
90
18
40
27
80
9
5
76
46
77
72
37
18
24
70
26
81
89
81
82
53
50
63
55
54
41
51
83
29
14
62
63
34
36
43
91
56
85
71
8
36
3
76
36
36
10
13
16
45
68
22
92
25
36
44
30
87
6
31
12
58
78
60
32
57
65
23
21
35
17
60
59
75
67
76
88
79
39
49
38
61
28
69
56
2
20
6
84
73
63
74
64
7
42
93
48
FIT
1:1
100%

Артикул

Название

Примечание

Количество

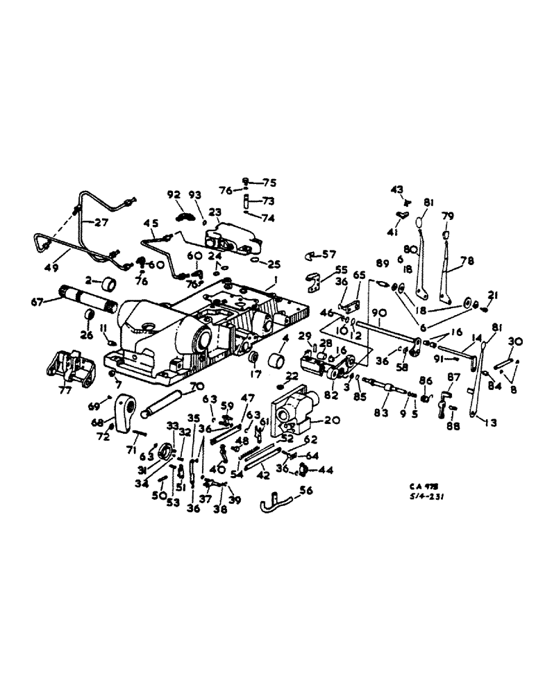
1

406003R22

HOUSING ASSY.

HOUSING ASSY, HYDRAULIC UNIT

1шт.

531143R2

STUD

TOP COVER - LONG

2шт.

531144R1

STUD

TOP COVER - SHORT

2шт.

2

527749R1

BUSHING,63.52mm ID x 66.67mm OD x 50.8mm L

ROCKSHAFT LH

1шт.

3

529355R1

WASHER

BACK-UP

2шт.

4

399992R1

BUSHING

BEARING, ROCKSHAFT RH

1шт.

5

529356R1

PLUG

VARIABLE FLOW CONTROL VALVE

1шт.

6

536847R1

BELLEVILLE WASHER

WASHER, BELLEVILLE

7шт.

18253R1

LOCK NUT,3/8"-16, GB

NUT, 3/8-16 NYLON INSERT

3шт.

7

273279R91

BUSHING

BEARING, SENSING SHAFT

2шт.

376022R91

OIL SEAL

SEAL, SENSING SHAFT OIL

1шт.

530092R91

OIL SEAL

SEAL, SENSING SHAFT OIL

1шт.

8

204502R1

SNAP RING,#43, Ext

Arm #43, Ext

4шт.

9

364839R1

O-RING,0.078" Thk x 0.468" ID, -906, Cl 6, 90 Duro

6-1, 90 Duro, .468" ID x .078" Thk, 3/8 OD tube

1шт.

10

574069R1

O-RING,0.750" ID x .062"

3/4 x 7/8 x 1/16

1шт.

11

399993R1

BUSHING

ECCENTRIC SHAFT

1шт.

12

252739R1

O-RING,0.103" Thk x 0.487" ID, -112, Cl 5, 75 Duro

1/2 x 11/16 x 3/32

1шт.

13

527921R1

LEVER ASSY.

LEVER ASSY, FLOW CONTROL ADJ

1шт.

14

534352R1

SHAFT ASSY.

SHAFT ASSY, LOAD CONTROL

1шт.

15

- NOT APPLICABLE -

1шт.

16

374940R1

NYLON BEARING

BEARING, CONTROL LEVER SHAFT

3шт.

17

380770R91

OIL SEAL

SEAL, ROCKSHAFT RH OIL - OPTIONAL W/530096R91

1шт.

17

530096R91

SEAL

ROCKSHAFT RH OIL - OPTIONAL W/380770R91

1шт.

18

380421R1

FRICTION WASHER

DISC, SENSITIVITY CONTROL FRICTION

3шт.

19

- NOT APPLICABLE -

1шт.

20

VALVE ASSY, DRAFT CONTROL CYL - FOR COMPONENTS, SEE LIST OF PARTS UNDER DETAILS OF DRAFT CONTROL, CONTROL CYLINDER VALVE

1шт.

179884

BOLT,Hex, 1/2" - 13 x 1 3/8", Gr 5, Full Thd

SCREW, 1/2-13 x 1-3/8 HEX HD CAP

3шт.

400000R1

SEALING WASHER

CAP SCREW SEALING

3шт.

21

400087R1

PIN

HITCH LINK CONNECTING REAR

2шт.

22

400002R1

OLIVE

SEAL, CYL TO HYD HSG

2шт.

23

400001R91

CONTROL VALVE

VALVE ASSY, UNLOADING - FLOW CONTROL - FOR COMPONENTS, SEE LIST OF PARTS UNDER DETAILS OF UNLOADING AND FLOW CONTROL VALVE

1шт.

178427R1

SCREW,Hex, 3/8" - 16 x 2 1/8"

3/8-16 x 2-1/8 HEX HD CAP

2шт.

181421R1

BOLT,Hex, 3/8" - 16 x 1 1/8", w/ Nylon Pellet

SCREW, 3/8-16 x 1-1/8 HEX HD CAP

2шт.

24

377952R1

O-RING,0.103" Thk x 0.549" ID, -113, Cl 6, 90 Duro

9/16 x 3/4 x 3/32

2шт.

25

21433R1

O-RING,0.103" Thk x 0.674" ID, -115, Cl 6, 90 Duro

11/16 x 7/8 x 3/32

1шт.

26

380212R91

OIL SEAL

SEAL, ROCKSHAFT LH OIL

1шт.

27

66760C1

TUBE ASSY.

TUBE ASSY, DRAFT CONTROL PRESSURE

1шт.

28

527927R1

SPACER

LOAD CONTROL SHAFT

1шт.

29

364577R1

PIN,5/32" x 3/4", Coiled

1шт.

30

400085R1

STUD

HITCH LINK CONNECTING ROD

2шт.

31

533340R1

HUB ASSY.

HUB ASSY, ROCKSHAFT ACTUATING

1шт.

32

379314R1

PIN

ROCKSHAFT ACTUATING HUB

1шт.

33

377792R1

SET SCREW

SCREW, ROCKSHAFT HUB SET

1шт.

34

376057R1

BUCKET TOOTH KEY

KEY, ROCKSHAFT HUB

1шт.

35

400008R1

LINK

POSITION CONTROL WALKING

1шт.

36

104977R1

SNAP RING,#X31, .243" Dia, E-Type

RING, RETAINING, #X31, .243" Dia, E-Type

8шт.

37

400036R1

ECCENTRIC ASSY.

ECCENTRIC ASSY, POSITION CONTROL

1шт.

38

355967R1

O-RING,0.364" ID x 0.003" Width

3/8 x 1/2 x 1/16

1шт.

39

971043R1

SNAP RING,#50, Ext

Eccentric shaft #50, Ext

1шт.

40

400014R1

LEVER ASSY.

LEVER ASSY, FOLLOW UP WALKING BEAM

1шт.

95-11041

WASHER,3/8"

13/32 x 13/16 x .051 SPACER

1шт.

41

528169R1

STOP

POSITION CONTROL

1шт.

42

400016R1

BAR

WALKING BEAM TO QUADRANT LINK

1шт.

43

531340R1

KNOB

ADJUSTABLE STOP PIN

1шт.

44

400017R1

LEVER ASSY.

LEVER ASSY, SLOW MOTION ACTUATING

1шт.

102436

SET SCREW,Sq Hd, 1/4"-20 x 1 1/2"

1шт.

SET

1шт.

114501

JAM NUT,Jam, 1/4"-20, G5

1шт.

45

66759C1

TUBE ASSY.

TUBE ASSY, VARIABLE FLOW

1шт.

46

303004R1

SNAP RING,#78, Ext

Slow motion actuating lever #78, Ext

1шт.

RETAINER SNAP

1шт.

47

400019R1

LINK

WALKING BEAM TO VALVE

1шт.

48

376041R1

SCREW,Shldr, Hex, 1/4" - 20 x 0.70", W/ Nylon Pellet

Shoulder

1шт.

95-11034

WASHER,1/4"

11/32 x 11/16 x .051

2шт.

103373

COTTER PIN,3/32" x 3/4"

Pin, Split (Cotter), 3/32" x 3/4"

1шт.

49

66758C1

TUBE

VARIABLE FLOW CONTROL SUPPLY

1шт.

50

400020R1

ROD

DRAFT CONTROL

1шт.

51

400021R1

LINK ASSY.

LINK ASSY, DRAFT CONTROL

1шт.

52

400024R1

PIN

BAR, SENSING BEAM

1шт.

53

400038R1

PIN

SENSING LEVER

1шт.

20092R1

PIN,3/16" x 1 3/8", Coiled

1шт.

54

400025R1

SPRING

SENSING BEAM

1шт.

55

400026R2

SUPPORT

BRACKET ASSY, HYD SWITCH LEVER

1шт.

56

400029R1

TUBE

ASSY, LUB

1шт.

222-504

TUBE NUT,9/16"-20

NUT, 9/16-20 HI-DUTY TUBE FITTING

3шт.

179816

BOLT,Hex, 5/16" - 18 x 3/4", Gr 5

3шт.

700153R1

NUT, GLAND

1шт.

700154R1

OLIVE

1шт.

57

400033R1

LEVER

HYD SWITCH

1шт.

13-510

BOLT,Hex, 5/16" - 18 x 5/8", Gr 5, Full Thd

1шт.

532467R1

WASHER

SAFETY SWITCH

1шт.

532468R1

SPACER

SAFETY SWITCH

1шт.

58

527926R1

LINK

FLOW CONTROL OVER.RIDE

1шт.

59

400039R1

PLATE ASSY.

PLATE ASSY, ECCENTRIC

1шт.

60

9410077

ELBOW, 3/4-16 37 DEG HYD FLARED TUBE ADJUSTABLE STRAIGHT THREAD 90 DEG

2шт.

61

400042R2

LEVER ASSY.

LEVER ASSY, DRAFT CONTROL TRIGGER

1шт.

62

- NOT SERVICEABLE -

1шт.

63

110668R1

CIRCLIP,#37, .300" Dia, E-Type

Ring, Retaining, #37, .300" Dia, E-Type

3шт.

64

400044R1

LINK

TRIGGER TO QUADRANT

1шт.

65

534728R1

LEVER

ASSY, DRAFT SENSITIVITY CONTROL

1шт.

66

- NOT APPLICABLE -

1шт.

67

400049R1

ROCKSHAFT

HYD DRAFT CONTROL

1шт.

68

400053R1

LEVER

ROCKSHAFT BELL CRANK

1шт.

69

376069R1

SET SCREW

SCREW, ROCKSHAFT BELLCRANK SET

1шт.

70

400054R1

PIN

ROD, HYD CYL CONNECTING

1шт.

71

400052R1

PIN

HYD CYL CONN ROD

1шт.

16558R1

WASHER

17/64 x 5/8 x 18 GA

1шт.

72

83723R1

WAVE WASHER

SPRING

1шт.

103384

COTTER PIN,1/8" x 3/4"

Pin, Split (Cotter), 1/8" x 3/4"

1шт.

537126R1

RETAINING PLATE

PLATE, RETAINING LIFT ARM

2шт.

271556

WHEEL CYLINDER,Hex, 5/8" - 11 x 1 1/4", Gr 5

SCREW, 5/8--11 x 1-1/4 HEX HD CAP

2шт.

73

400095R91

HYDRAULIC VALVE

VALVE ASSY, CUSHION

1шт.

74

702788R1

O-RING,0.103" Thk x 0.362" ID, -110, Cl 6, 90 Duro

3/8 x 9/16 x 3/32

1шт.

75

9410359

PLUG

3/4-16 STR THD O-RING BOSS

1шт.

76

570828R1

O-RING,0.087" Thk x 0.644" ID, -908, Cl 6, 90 Duro

1/2 OD TUBE

3шт.

77

527229R91

SUPPORT

SPRING ASSY, DRAFT SENSING

1шт.

21047R1

HEX SOC SCREW,5/8"-11 x 1 3/4"

5/8-11 x 1-3/4 HEX SOC HD

4шт.

19842R1

DOWEL,5/16" x 1/2"

PIN, 5/16 x 1/2 DOWEL

1шт.

78

528158R2

LEVER

LOAD CONTROL

1шт.

536849R1

PLATE

OUTER RETAINING

1шт.

79

400068R1

BUTTON

GRIP, LOAD CONTROL

1шт.

80

528159R1

LEVER

POSITION CONTROL

1шт.

537600R1

PLATE

INNER RETAINING

1шт.

81

400072R1

BUTTON

GRIP, POSITION + SPEED CONTROL

2шт.

82

529349R2

SUPPORT ASSY.

SUPPORT ASSY, HITCH CONTROL SHAFT

1шт.

83

529351R1

SPOOL

VARIABLE FLOW CONTROL

1шт.

84

400086R1

PIN

HITCH LINK CONNECTING FRONT

2шт.

124829

JAM NUT,Hex, 3/8" - 16, Gr 5

2шт.

85

360599R1

O-RING,0.07" Thk x 0.18" ID, -8, Cl 5, 75 Duro

3/16 x 5/16 x 1/16

1шт.

86

529352R1

SPRING

RETURN

1шт.

87

529353R1

ARM ASSY.

ARM ASSY, FLOW CONTROL

1шт.

102436

SET SCREW,Sq Hd, 1/4"-20 x 1 1/2"

1шт.

114501

JAM NUT,Jam, 1/4"-20, G5

1шт.

65461C1

SET SCREW

SCREW, 1/4-28 x 3/8 HEX SOC HD SET

1шт.

88

527919R1

BOLT

BOLT - Flow lever pivot

1шт.

89

400081R1

BOLT,3/8" - 16 x 72.90mm, HT

- Hitch control lever pivot

1шт.

19716R1

PIN,4.75mm OD x 44.45mm L, Coiled

2шт.

179840

BOLT,Hex, 3/8" - 16 x 1 1/8", Gr 5

SCREW, 3/8-16 x 1-1/8 HEX HD CAP

3шт.

103321

LOCK WASHER,3/8"

WASHER, LOCK, 3/8"

3шт.

90

400079R1

SHAFT ASSY.

SHAFT ASSY, POSITION CONTROL LEVER

1шт.

91

527923R1

PIN

LINK ARM

1шт.

92

9410978

ELBOW,90 Degree, 7/8"-14, 37 Degree x 7/8"-14, O-Ring

7/8-14 C-Z 37 DEG HYD FLARED TUBE

1шт.

STR THD 90 DEG

1шт.

93

364885R1

O-RING,0.097" Thk x 0.755" ID, -910, Cl 6, 90 Duro

5/8 OD TUBE

1шт.

Выбрано товаров: 134