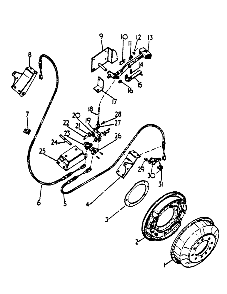
Запчасти Case IH 474 (04-04) - HAND OPERATED DRUM BRAKE ATTACHMENT (5.1) - BRAKES

Схема запчастей Case IH 474 - (04-04) - HAND OPERATED DRUM BRAKE ATTACHMENT (5.1) - BRAKES
3
5
21
24
31
9
13
14
18
7
29
15
12
19
23
2
25
6
27
20
11
1
22
30
4
10
8
26
16
17
28
FIT
1:1
100%

Артикул

Название

Примечание

Количество

1

528487R1

DRUM

BRAKE

2шт.

2

3068536R91

DRUM BRAKE ASSY

DRUM ASSY, 14 x 2 DAFC BRAKE - FOR COMPONENTS, SEE LIST OF PARTS UNDER DETAILS OF BRAKE DRUM ASSY

2шт.

271501

SOCKET

NUT, 7/16-14 CZ HEX

10шт.

180148

SCREW,Hex, 7/16" - 14 x 1 3/8"

7/16-14 x 1-3/8 HEX HD CAP

6шт.

180150

BOLT,Hex, 7/16" - 14 x 1 5/8"

SCREW, 7/16-14 x 1-5/8 HEX HD CAP

4шт.

120383

LOCK WASHER,Helical Spring, 7/16"

WASHER, LOCK, 7/16"

10шт.

3

3069199R1

SHIM

DRUM BRAKE BACK PLATE

2шт.

4

528458R1

BRACKET ASSY, CAM AND CABLE ANCHOR RH -

1шт.

5

528447R91

CABLE

ASSY, BRAKE ACTUATING RH

1шт.

6

528446R91

CABLE

ASSY, BRAKE ACTUATING LH

1шт.

3069964R1

RING, SNAP

19mm EXTERNAL - OPTIONAL W/3069977R1

1шт.

3069977R1

SNAP RING

RING, SNAP 19mm EXTERNAL - OPTIONAL W/3069964R1 - 3 OR AS REQUIRED

1шт.

7

528477R1

CLAMP

BRAKE CABLE

2шт.

179837

BOLT,Hex, 3/8" - 16 x 3/4", Gr 5

2шт.

103321

LOCK WASHER,3/8"

WASHER, LOCK, 3/8"

2шт.

8

528457R1

BRACKET ASSY, CAM AND CABLE ANCHOR LH

1шт.

9

528469R1

BRACKET

ASSY, PARKING BRAKE RATCHET

1шт.

102635

NUT,3/8"-16, G5

1шт.

179837

BOLT,Hex, 3/8" - 16 x 3/4", Gr 5

3шт.

179839

BOLT,Hex, 3/8" - 16 x 1", Gr 5

1шт.

103321

LOCK WASHER,3/8"

WASHER, LOCK, 3/8"

1шт.

108635

PIN,1/8" x 1 1/8"

Split (Cotter), 1/8" x 1 1/8"

1шт.

10

534318R2

BAR

1шт.

11

402013R1

NUT

ADJUSTABLE PIVOT

1шт.

12

114493

JAM NUT,Jam, 5/16"-24, G5

1шт.

13

528468R1

LEVER

PARK BRAKE HANDLE

1шт.

Q1329

HEADED PIN,1/4" x 1 3/4"

PIN, 1/4 x 1-3/4 STD HD

1шт.

103384

COTTER PIN,1/8" x 3/4"

PIN, 1/4 x 3/4 COTTER

1шт.

16558R1

WASHER

17/64 x 5/8 x .036

1шт.

14

402731R1

SPRING

PARK BRAKE HANDLE PAWL

1шт.

15

3112679R1

HANDLE

ASSY, PARK BRAKE PAWL

1шт.

16

3070650R1

WASHER, PARKING BRAKE RATCHET PIVOT PIN

1шт.

17

528472R1

BRACKET, PARKING BRAKE SWITCH MOUNTING

1шт.

18

528455R1

ROD

HAND LEVER TO LINKAGE CONNECTING

1шт.

120368

NUT,5/16"-24, G5

1шт.

19

3068522R1

YOKE, COMPRESSION

1шт.

20

3068520R1

LINK, SWIVEL

2шт.

21

3068521R1

LINK, COMPENSATOR

4шт.

22

3068512R1

PIN

LINK

8шт.

107762

WASHER,3/32" x 5/8"

PIN, SPLIT, (COTTER), 3/32" x 5/8"

8шт.

95-11034

WASHER,1/4"

11/32 x 11/16 x 11 GA

8шт.

23

528463R1

LEVER ASSY, BELLCRANK LH

1шт.

109461

LUBE NIPPLE,1/8"-27 x .66 lg

NIPPLE, LUBE, , Bellcrank hub 1/8"-27 x .66 lg

1шт.

24

528462R1

PIN, BELLCRANK AXIS

1шт.

103385

COTTER PIN,1/8" x 1"

PIN, SPLIT (COTTER), 1/8" x 1"

2шт.

496-21066

WASHER,16.6mm ID x 33.5mm OD x 3.8mm Thk

21/32 x 1-5/16 x .095

2шт.

25

528451R1

BRACKET ASSY, CABLE REACTION

1шт.

271557

DEFLECTOR,Hex, 5/8" - 11 x 1 3/8", Gr 5

SCREW, 5/8-11 x 1-3/8 HEX HD CAP

2шт.

26

528464R1

LEVER ASSY, BELLCRANK RH

1шт.

109461

LUBE NIPPLE,1/8"-27 x .66 lg

NIPPLE, LUBE, , Bellcrank 1/8"-27 x .66 lg

1шт.

HUB

1шт.

27

3068529R1

CLEVIS

END, PULL ROD FORK

1шт.

28

3068523R1

PIN

YOKE

1шт.

107762

WASHER,3/32" x 5/8"

PIN, SPLIT, (COTTER), 3/32" x 5/8"

1шт.

95-11041

WASHER,3/8"

13/32 x 13/16 x 16 GA

1шт.

29

3068530R1

KEY

BRAKE LEVER

2шт.

30

3068513R1

LEVER

CAMSHAFT

2шт.

102635

NUT,3/8"-16, G5

2шт.

179847

BOLT,Hex, 3/8" - 16 x 2", Gr 5

2шт.

103321

LOCK WASHER,3/8"

WASHER, LOCK, 3/8"

2шт.

31

3068514R1

SPRING

ACTUATING CABLE RETURN LH

1шт.

31

3068515R1

SPRING

ACTUATING CABLE RETURN RH

1шт.

ref

Part No.

English

1шт.

3112681R1

ANGLE, L.H FENDER REINFORCING - USED W/SAFETY FRAME OR CAB LH FENDER SHEET - NOT ILLUSTRATED

1шт.

Выбрано товаров: 64