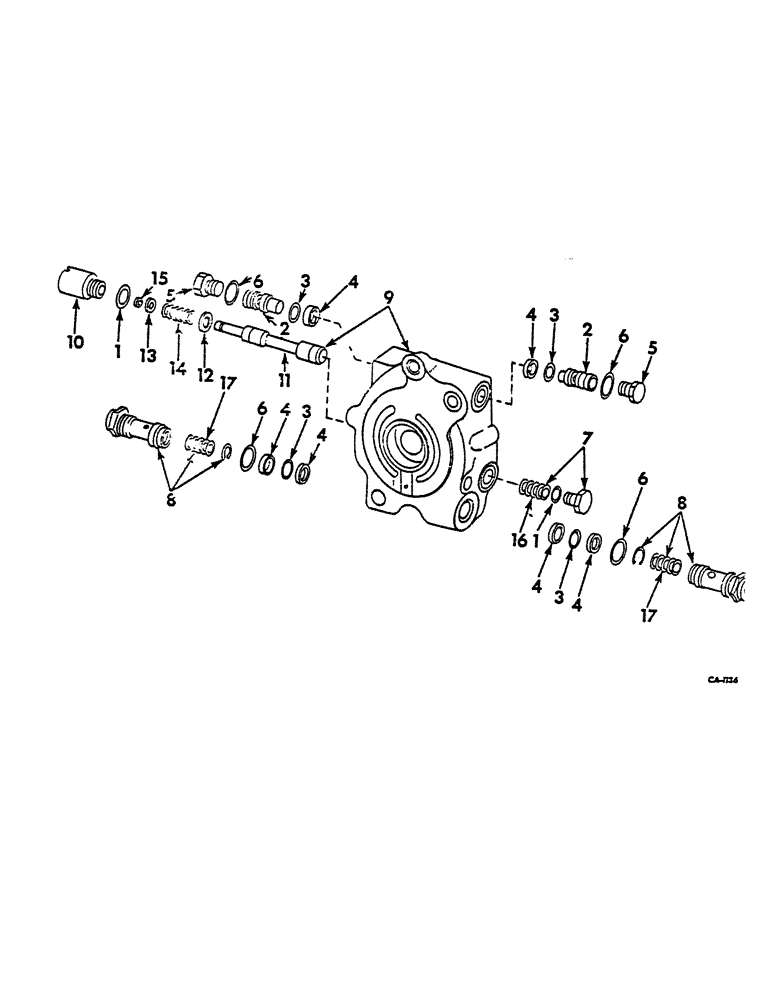
Запчасти Case IH 474 (07-11) - CENTER SECTION VALVE (04) - Drive Train

Схема запчастей Case IH 474 - (07-11) - CENTER SECTION VALVE (04) - Drive Train
4
6
1
10
4
2
1
5
12
3
8
11
9
6
6
2
17
3
3
16
3
4
4
17
13
14
6
8
4
15
7
4
FIT
1:1
100%

Артикул

Название

Примечание

Количество

BODY, W/VALVES CENTRE SECTION

1шт.

1

364885R1

O-RING,0.097" Thk x 0.755" ID, -910, Cl 6, 90 Duro

5/8 OD TUBE

2шт.

2

528778R1

CHECK VALVE

VALVE ASSY, CHECK - OPTIONAL W/528345R1

2шт.

2

528345R1

CHECK VALVE

VALVE ASSY, CHECK - OPTIONAL W/528778R1

2шт.

3

20947R1

O-RING,0.103" Thk x 0.799" ID, -117, Cl 6, 90 Duro

3/16 x 1 x 3/32 CHECK VALVE

4шт.

4

393887R1

BACK-UP RING

RING, BACK-UP CHECK VALVE

6шт.

5

400988R1

PLUG

1-3/16-12 STR THD O RING BOSS

2шт.

6

297459R1

O-RING,0.116" Thk x 1.048" ID, -914, Cl 6, 90 Duro

7/8 OD TUBE - CHECK VALVE

4шт.

7

533356R11

PLUG

ASSY, SHUTTLE VALVE SPRING

1шт.

8

531770R1

VALVE

ASSY, RELIEF

2шт.

9

400987R92

BODY

ASSY, CENTRE SECTION - CONSISTS OF

1шт.

NSS

NOT SOLD SEPARAT

BODY

1шт.

Not available for service

1шт.

O-RING 364885R1

2шт.

NSS

NOT SOLD SEPARAT

PLUG

2шт.

Not available for service

1шт.

NSS

NOT SOLD SEPARAT

PLUG

1шт.

Not available for service

1шт.

PLUG 533356R11

1шт.

PLUG 396067R1

1шт.

RING 396066R1

1шт.

SPRING 531079R1

1шт.

SPRING 533357R1

1шт.

NSS

NOT SOLD SEPARAT

VALVE

1шт.

Not available for service

1шт.

WASHER 396063R2

1шт.

WASHER 396064R2

1шт.

10

396067R1

PLUG

SHUTTLE VALVE SPRING RETAINER

1шт.

11

406379R1

VALVE

CENTRE SECTION SHUTTLE -CODE

1шт.

A -

1шт.

11

406380R1

VALVE

CENTRE SECTION SHUTTLE -CODE

1шт.

B -

1шт.

11

406381R1

VALVE

CENTRE SECTION SHUTTLE -CODE

1шт.

C -

1шт.

11

406382R1

VALVE

CENTRE SECTION SHUTTLE -CODE

1шт.

D -

1шт.

11

406383R1

VALVE

CENTRE SECTION SHUTTLE -CODE

1шт.

E -

1шт.

11

406384R1

VALVE

CENTRE SECTION SHUTTLE -CODE

1шт.

F -

1шт.

12

396063R2

WASHER

SHUTTLE VALVE INNER

1шт.

13

396064R2

WASHER

SHUTTLE VALVE OUTER

1шт.

14

531079R1

SPRING

SHUTTLE VALVE CENTERING

1шт.

15

396066R1

SNAP RING,#46, .433", Ext

RING, SHUTTLE VALVE SNAP

1шт.

16

533357R1

SPRING

SHUTTLE VALVE CENTERING

1шт.

17

SPRING, SPOOL RETURN - NOT SERVICED SEPARATELY - ORDER VALVE 531770R1

1шт.

ref

Part No.

English

1шт.

393885R91

GASKET KIT

PACKAGE, RELIEF VALVE SEAL - CONSISTS OF REF NOS 3,4 AND 6 , NOT ILLUSTRATED

1шт.

Выбрано товаров: 48