Запчасти Case IH 474 (07-54) - TUBES AND VALVES FOOT SPEED CONTROLS (04) - Drive Train

Схема запчастей Case IH 474 - (07-54) - TUBES AND VALVES FOOT SPEED CONTROLS (04) - Drive Train
31
21
16
14
2
6
7
30
26
22
24
38
15
32
45
10
18
35
44
4
43
34
33
41
29
5
19
28
1
20
37
23
27
46
42
8
40
17
13
25
11
12
39
9
3
36
FIT
1:1
100%

Артикул

Название

Примечание

Количество

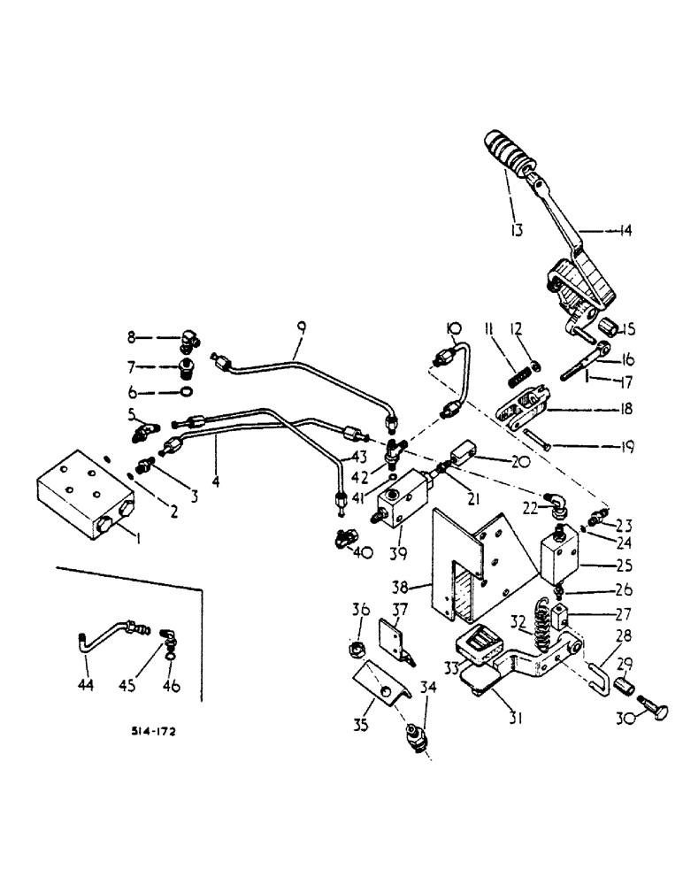
1

MANIFOLD ASSY, CHECK VALVE - FOR COMPONENTS, SEE LIST OF PARTS UNDER DETAILS OF CHECK VALVE MANIFOLD

1шт.

180130

BOLT,Hex, 3/8" - 16 x 2", Gr 5

SCREW, 3/8 x 2 HEX HD CAP

2шт.

2

369751R1

O-RING,0.072" Thk x 0.351" ID, -904, Cl 6, 90 Duro

4-1, 90 Duro, .351" ID x .072" Thk, 1/4 OD tube

2шт.

3

9410200

HYD CONNECTOR,7/16" - 20 JIC x 7/16" - 20 ORB

UNION, 7/16-20 C-Z 37 DEG HYD FLARED TUBE

1шт.

SHORT SWIVEL

1шт.

4

537924R1

TUBE ASSY.

TUBE ASSY, FOOT-N-INCH PRESSURE

1шт.

5

9411102

ELBOW,45 Degree, 7/16"-20, 37 Degree x 7/16"-20, O-Ring

7/16-20 C-Z 37 DEG HYD FLARED TUBE

1шт.

ADJ STR THD 45 DEG

1шт.

6

570828R1

O-RING,0.087" Thk x 0.644" ID, -908, Cl 6, 90 Duro

1/2 OD TUBE

1шт.

7

24900R1

HYD CONNECTOR,1/2"-20, 37 Degree x 3/4"-16, O-Ring

CONNECTOR, HYD., 1/2"-20, 37 deg x 3/4"-16, O-Ring

1шт.

SHORT SWIVEL REDUCER

1шт.

8

9410279

ELBOW,90 Degree, 1/2"-20, 37 Degree x 1/2"-20, 37 Degree Fem Sw

1/2-20 C-Z 37 DEG HYD FLARED TUBE

1шт.

90 DEG SWIVEL

1шт.

9

537927R1

TUBE ASSY.

TUBE ASSY, DECELERATOR VALVE DUMP

1шт.

10

537925R1

TUBE ASSY.

TUBE ASSY, FOOT-N-INCH DUMP

1шт.

11

404290R1

SPRING

DECELERATOR VALVE CLEVIS

1шт.

12

446548

WASHER,0.38" ID x 0.75" OD x 0.05" Thk

3/8 x 3/4 x 16 GA

1шт.

13

528138R1

HANDLE

RANGE SHIFT LEVER

1шт.

14

537941R11

LEVER

ASSY, RANGE SHIFT

1шт.

15

539245R1

BUSHING

RANGE SHIFT LEVER

2шт.

16

537940R1

ROD

DECELERATOR VALVE CLEVIS

1шт.

17

19372R1

PIN,3.17mm OD x 22.23mm L, Coiled

1шт.

18

537939R1

CLEVIS

DECELERATOR VALVE

1шт.

19

22751R1

HEADED PIN,5/16" x 1 5/8"

PIN, 5/16" x 1 5/8"

1шт.

103384

COTTER PIN,1/8" x 3/4"

Pin, Split (Cotter), 1/8" x 3/4"

1шт.

20

398766R1

UNION

BLOCK, DECELERATOR VALVE ADJUSTING

1шт.

21

120368

NUT,5/16"-24, G5

1шт.

22

9410278

ELBOW,90 Degree, 7/16"-20, 37 Degree x 7/16"-20, 37 Degree Fem Sw

7/16-20 C-Z 37 DEG HYD FLARED

1шт.

TUBE 90 DEG SWIVEL

1шт.

23

9410201

HYD CONNECTOR,1/2"-20, 37 Degree x 1/2"-20, O-Ring

UNION, 1/2-20 C-Z 37 DEG HYD FLARED TUBE

1шт.

SHORT SWIVEL

1шт.

24

369384R1

O-RING,0.072" Thk x 0.414" ID, -905, Cl 6, 90 Duro

5-1, 90 Duro, .414" ID x .072" Thk, 5/16 OD tube

1шт.

25

398705R91

VALVE

ASSY, FOOT-N-INCH - FOR COMPONENTS, SEE LIST OF PARTS UNDER DETAILS OF FOOT-N-INCH VALVE

1шт.

120377

NUT,3/8" - 16, Gr 5

2шт.

180130

BOLT,Hex, 3/8" - 16 x 2", Gr 5

SCREW, 3/8-16 x 2 HEX HD CAP

2шт.

120382

LOCK WASHER,Helical Spring, 3/8"

WASHER, LOCK, 3/8"

2шт.

26

120368

NUT,5/16"-24, G5

1шт.

27

398766R1

UNION

BLOCK, FOOT-N-INCH VALVE ADJUSTING

1шт.

28

534463R1

NO LONGER SERVICED

LINK, ASSY, FOOT-N-INCH VALVE PEDAL

1шт.

103384

COTTER PIN,1/8" x 3/4"

Pin, Split (Cotter), 1/8" x 3/4"

1шт.

29

537936R1

BUSHING

1шт.

30

532965R3

BOLT,3/8" - 16 x 1.7"

FOOT-N-INCH PEDAL PIVOT SHOULDER

1шт.

120377

NUT,3/8" - 16, Gr 5

1шт.

120382

LOCK WASHER,Helical Spring, 3/8"

WASHER, LOCK, 3/8"

1шт.

31

537933R91

PEDAL

ASSY, FOOT-N-INCH

1шт.

32

537938R1

SPRING

FOOT-N-INCH PEDAL RETURN

1шт.

33

237672R1

PAD

FOOT-N-INCH PEDAL

1шт.

34

3072122R91

IGNITION SWITCH

SWITCH ASSY, NEUTRAL STARTING

1шт.

35

539595R1

BRACKET

NEUTRAL STARTING SWITCH

1шт.

36

3112570R1

NUT

NUT, NEUTRAL STARTING SWITCH LOCK

1шт.

37

539596R1

SUPPORT ASSY.

SUPPORT, NEUTRAL STARTING SWITCH

1шт.

120375

NUT,Hex, 1/4" - 20, Gr 5

4шт.

413-412

BOLT,Hex, 1/4" - 20 x 3/4", Gr 5

4шт.

492-11025

LOCK WASHER,1/4"

WASHER, LOCK, 1/4"

4шт.

38

537928R1

BRACKET

ASSY., VALVE MOUNTING

1шт.

186282

BOLT,Hex, 3/8" - 16 x 3 1/4", Gr 5

SCREW, 3/8-16 x 3-1/4 HEX HD CAP

2шт.

39

404211R91

VALVE

ASSY, DECELERATOR - FOR COMPONENTS, SEE LIST OF PARTS UNDER DETAILS OF DECELERATOR VALVE

1шт.

120377

NUT,3/8" - 16, Gr 5

2шт.

180130

BOLT,Hex, 3/8" - 16 x 2", Gr 5

SCREW, 3/8-16 x 2 HEX HD CAP

2шт.

120382

LOCK WASHER,Helical Spring, 3/8"

WASHER, LOCK, 3/8"

2шт.

40

9410278

ELBOW,90 Degree, 7/16"-20, 37 Degree x 7/16"-20, 37 Degree Fem Sw

7/16-20 37 DEG HYD FLARED TUBE

1шт.

90 DEG SWIVEL

1шт.

41

369384R1

O-RING,0.072" Thk x 0.414" ID, -905, Cl 6, 90 Duro

5-1, 90 Duro, .414" ID x .072" Thk, 5/16 OD tube

1шт.

42

9411129

TEE,1/2"-20, 37 Degree x 1/2"-20, O-Ring Run

1/2-20 C-Z 37 DEG HYD FLARED TUBE

1шт.

ADJ STR THD 90 DEG

1шт.

43

537926R1

TUBE ASSY.

TUBE ASSY, DECELERATOR VALVE PRESSURE

1шт.

44

539461R1

TUBE ASSY.

TUBE ASSY, BRAKE RESERVOIR DUMP

1шт.

45

9411103

ELBOW,45 Degree, 1/2"-20, 37 Degree x 1/2"-20, O-Ring

1/2-20 C-Z 37 DEG HYD FLARED TUBE

1шт.

ADJ STR THD 45 DEG HS DRIVE UNIT HOUSING COVER

1шт.

46

369384

O-RING 9/16 x 3/4 x 3/32

1шт.

Выбрано товаров: 70