Запчасти Case IH 484 (07-11) - DRIVE TRAIN, DIFFERENTIAL LOCK (04) - Drive Train

Схема запчастей Case IH 484 - (07-11) - DRIVE TRAIN, DIFFERENTIAL LOCK (04) - Drive Train
6
9
8
10
11
13
5
14
12
2
4
7
3
1
FIT
1:1
100%

Артикул

Название

Примечание

Количество

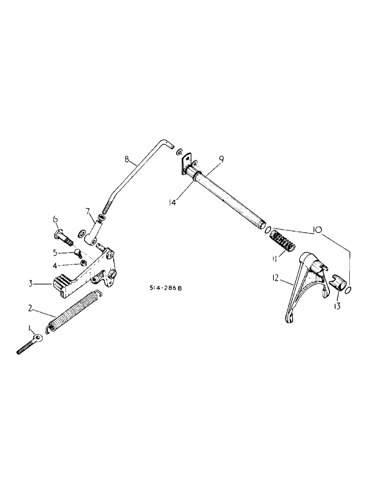
1

3121850R1

EYEBOLT,3/8" - 16 x 3"

BOLT, pedal return spring eye

1шт.

102635

NUT,3/8"-16, G5

2шт.

2

3121849R1

SPRING

diff. lock pedal return

1шт.

3

66441C1

PEDAL

diff. lock

1шт.

11002VA

WASHER

.531 x .875 x .054 pln

1шт.

103384

COTTER PIN,1/8" x 3/4"

Pin, Split (Cotter), 1/8" x 3/4"

1шт.

4

109084

NUT,1/4"-20, G5

1шт.

5

1282707C1

BOLT,1/4" - 20 x 1", Full Thd

BOLT, pedal adjusting

1шт.

6

527885R1

BOLT

BOLT, diff. lock pedal pivot

1шт.

7

527880R1

END

diff. lock pedal return rod

1шт.

8

527879R1

ROD

diff. lock pedal

1шт.

114503

JAM NUT,Jam, 3/8"-16, G5

1шт.

Q1597

WASHER

.406 x .734 x .056 pln

2шт.

103384

COTTER PIN,1/8" x 3/4"

Pin, Split (Cotter), 1/8" x 3/4"

2шт.

9

527871R1

SHAFT ASSY.

SHAFT ASSY, diff. lock, Serial Range: -8000

1шт.

9

1500384C1

SHAFT ASSY.

SHAFT ASSY, diff. lock, Start Serial: 8001

1шт.

10

352221R1

O-RING,0.103" Thk x 0.549" ID, -113, Cl 5, 75 Duro

9/16 x 3/4 x 3/32

2шт.

11

527878R1

SPRING

diff. lock fork actuating

1шт.

12

527874R3

FORK

ASSY, diff. lock shaft, Serial Range: -8000

1шт.

12

1500386C1

FORK

ASSY, diff. lock shaft, Start Serial: 8001

1шт.

1500388C2

PIN

cam

1шт.

365704R1

PIN,1/8" x 5/8", Coiled

1шт.

Q3501

WASHER

.781 x 1.250 x .054 pln

1шт.

13

527877R1

CAM

diff. lock shaft, Serial Range: -8000

1шт.

19885R1

PIN,1/4" x 1 3/8", Coiled

1шт.

14

551658R1

WASHER

25/32 x 1-1/4 x 22 ga

1шт.

14

Q3501

WASHER

25/32 x 1-1/4 x 16 ga

1шт.

Выбрано товаров: 27