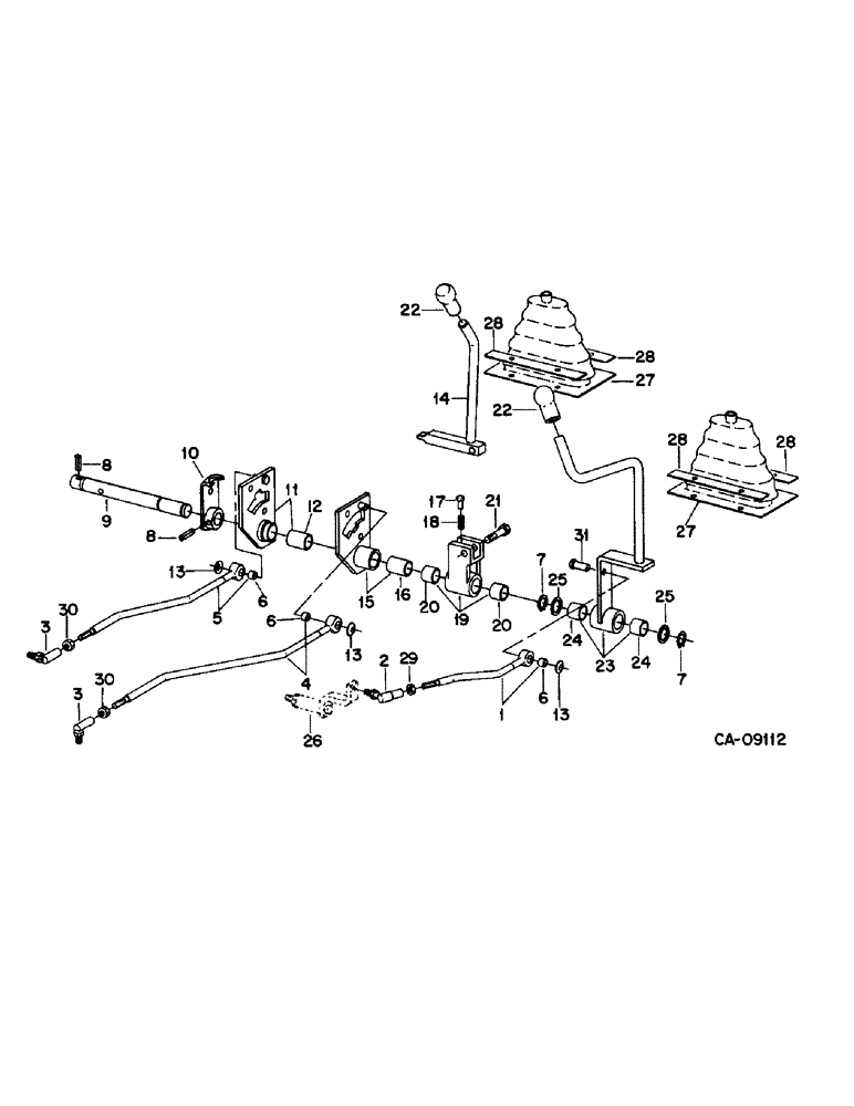
Запчасти Case IH 484 (07-33) - DRIVE TRAIN, TRANSMISSION CONTROLS, EXTERNAL, TRACTOR WITH FORWARD AND REVERSE (04) - Drive Train

Схема запчастей Case IH 484 - (07-33) - DRIVE TRAIN, TRANSMISSION CONTROLS, EXTERNAL, TRACTOR WITH FORWARD AND REVERSE (04) - Drive Train
3
6
10
16
25
6
8
28
4
23
5
19
18
20
3
28
12
14
24
21
6
30
31
7
27
20
11
22
8
28
29
25
7
13
13
22
27
15
24
26
9
17
30
28
13
2
1
FIT
1:1
100%

Артикул

Название

Примечание

Количество

1

3129232R91

ROD ASSY.

ROD, shift includes ref no. 6

1шт.

2

653267C1

JOINT, 3/8 C-Z type G-4 ball

1шт.

124925

JAM NUT,Jam, 3/8"-24, G5

1шт.

3

1500497C1

BALL JOINT

JOINT, ball

2шт.

231-4617

LOCK NUT,7/16"-20, GB

NUT, 7/16-NF cad P/T lock type 5, or

2шт.

701455R1

NUT, 7/16-20 prev. torque turrent

2шт.

4

3129226R91

ROD ASSY.

ROD ASSY, speed shift, 3rd/4th, includes ref no. 6

1шт.

5

3129222R91

ROD ASSY.

ROD ASSY, speed shift, 1st/2nd, includes ref no. 6

1шт.

6

3129156R1

BUSHING,9.58mm ID x 12.79mm OD x 12.7mm L

rod end eye

3шт.

7

454331R1

SNAP RING,#87, Ext

2шт.

8

617940R1

PIN,5/16" x 1 3/4", Coiled

2шт.

9

3129270R1

SHAFT

range shift lever

1шт.

10

3129218R2

PLATE

GATE ASSY, shift

1шт.

11

3129211R91

LEVER ASSY.

LEVER ASSY, shift, 1st/2nd, includes ref no. 12

1шт.

Q3641

WASHER

.406 x .750 x .021 pln

1шт.

103373

COTTER PIN,3/32" x 3/4"

Pin, Split (Cotter), 3/32" x 3/4"

1шт.

12

3129207R1

BUSHING,22.25mm ID x 25.48mm OD x 30mm L

lever

1шт.

13

83723R1

WAVE WASHER

wave

3шт.

14

3129265R2

LEVER

speed shift

1шт.

15

3129217R91

LEVER ASSY.

LEVER ASSY, speed shift, 3rd/4th, includes ref no. 16

1шт.

Q3641

WASHER

.406 x .750 x .021 pln

1шт.

103373

COTTER PIN,3/32" x 3/4"

Pin, Split (Cotter), 3/32" x 3/4"

1шт.

16

3129207R1

BUSHING,22.25mm ID x 25.48mm OD x 30mm L

lever

1шт.

17

22938R1

HEADED PIN,5/16" x 1/2"

PIN, HEADED, 5/16" x 1/2"

1шт.

18

71486C1

SPRING

1шт.

19

3129214R92

HOUSING ASSY.

HOUSING ASSY, selector arm includes ref no. 20

1шт.

20

530815R1

BUSHING,22.27mm ID x 25.46mm OD x 22.23mm L

housing

2шт.

21

23225R1

HEADED PIN,3/8" x 2"

PIN, HEADED, , Selector arm pivot 3/8" x 2", Serial Range: -10138

1шт.

95-11041

WASHER,3/8"

(.406 x .812 x .051 pln) 3/8"

1шт.

103384

COTTER PIN,1/8" x 3/4"

Pin, Split (Cotter), 1/8" x 3/4"

1шт.

21

1282929C1

BOLT,Hex, 3/8" - 16 x 6"

- Selector arm pivot, Start Serial: 10139

1шт.

9413979

LOCK NUT,3/8"-16, GC

NUT, 3/8 PHC P/T lock type 8

1шт.

95-11041

WASHER,3/8"

(.406 x .812 x .051 pln) 3/8"

1шт.

22

1265216C1

BALL KNOB

KNOB, shift lever replaces 3129267R1

2шт.

23

3129271R92

LEVER ASSY.

LEVER ASSY, range shift includes ref no. 24

1шт.

24

530815R1

BUSHING,22.27mm ID x 25.46mm OD x 22.23mm L

range shift lever

2шт.

25

615192R1

WASHER

.906 x 1.250 x .027 pln

2шт.

26

ARM ASSY. range shift outer rear, see, gear shift mechansim, range

1шт.

27

1502031C1

BOOT

control lever

2шт.

28

1502032C1

STRIP

retaining

4шт.

28

1283389C1

STRIP

retaining 1 used on RH side of RH boot on tractors w/rops

1шт.

27046R1

SELF-TAP SCREW,Cross Pan Hd, #8 x 7/8"

SCREW, no. 8-18 x 7/8 PHC P/HDCR tap

8шт.

29

3048059R91

LOCK NUT

NUT, 3/8-24 hex lock

1шт.

30

1500536C1

JAM NUT

7/16-28 hex jam

2шт.

31

865197R1

CLEVIS PIN,3/8" x 1.218"

PIN, 3/8 x 1.218 PHC clevis

1шт.

Q3641

WASHER

.406 x .750 x .021 pln

1шт.

103373

COTTER PIN,3/32" x 3/4"

Pin, Split (Cotter), 3/32" x 3/4"

1шт.

1135111R1

DECAL

PRODUCT GRAPHIC, range, high & low

1шт.

P/N 1135111R1 - Decal has rabbit on top and turtle on bottom not H & L. csd

1шт.

533593R1

PRODUCT GRAPHIC

forward/reverse

1шт.

1135097R1

DECAL

PRODUCT GRAPHIC, 1/2 speed

1шт.

1135098R1

DECAL

PRODUCT GRAPHIC, 3/4 speed

1шт.

Выбрано товаров: 52