Запчасти Case IH 484 (10-10) - HYDRAULICS, AUXILIARY VALVES, 2ND BANK, DOUBLE (07) - HYDRAULICS

Схема запчастей Case IH 484 - (10-10) - HYDRAULICS, AUXILIARY VALVES, 2ND BANK, DOUBLE (07) - HYDRAULICS
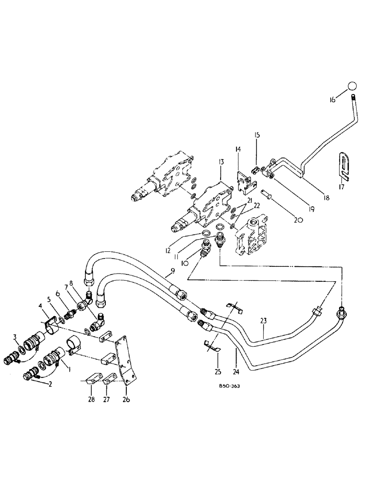
13
8
14
20
22
1
6
17
3
21
15
18
24
5
25
9
12
2
26
10
11
19
27
16
23
4
7
28
FIT
1:1
100%

Артикул

Название

Примечание

Количество

1

395150R91

COUPLING, QUICK, FEM

COUPLING ASSY, self sealing female

2шт.

2

401757R1

PLUG ASSY, dust coupling, or

2шт.

2

373220R1

PLUG

ASSY, dust coupling

2шт.

3

401758R1

WASHER,14.48mm ID x 38.1mm OD x 3.05mm Thk

dust plug

2шт.

4

3114106R1

CLAMP

coupling

2шт.

5

364885R1

O-RING,0.097" Thk x 0.755" ID, -910, Cl 6, 90 Duro

5/8 OD tube class 6

2шт.

6

9410204

HYD CONNECTOR,7/8"-14, 37 Degree x 7/8"-14, O-Ring

CONNECTOR, 5/8 C-Z hyd fld short swivel

1шт.

7

9410282

ELBOW,90 Degree, 7/8"-14, 37 Degree x 7/8"-14, 37 Degree Fem Sw

5/8 C-Z hyd fld 90D swivel

1шт.

8

9410978

ELBOW,90 Degree, 7/8"-14, 37 Degree x 7/8"-14, O-Ring

5/8 C-Z hyd fld adj 90D

1шт.

9

3129556R1

HOSE

ASSY, rear outlet

2шт.

10

9411106

ELBOW

5/8 C-Z hyd fld adj 45D

1шт.

11

9410204

HYD CONNECTOR,7/8"-14, 37 Degree x 7/8"-14, O-Ring

CONNECTOR, 5/8 C-Z hyd fld short swivel

1шт.

12

364885R1

O-RING,0.097" Thk x 0.755" ID, -910, Cl 6, 90 Duro

5/8 OD tube class 6

2шт.

13

62464C94

VALVE

ASSY, hyd open center control

1шт.

450517

BOLT,Hex, 3/8" - 16 x 4 3/4", Gr 5

3/8 x 4-3/4 pln type 5

4шт.

14

114556C1

BRACKET

aux valve control handle

1шт.

179793

BOLT,Hex, 1/4" - 20 x 5/8", Gr 5, Full Thd

2шт.

103319

LOCK WASHER,1/4"

WASHER, LOCK, 1/4"

2шт.

15

1310D

LINK

no. 50 single pitch connecting

1шт.

16

3123087R1

BUTTON

KNOB, aux valve lever

1шт.

17

3125862R1

PLATE

aux valve lockout

1шт.

164603C1

THUMB SCREW,3/8" - 16 x 5/8"

SCREW, adjusting

1шт.

120394

WASHER,3/8", SAE

WASHER, .406 x .812 x .051

1шт.

120382

LOCK WASHER,Helical Spring, 3/8"

WASHER, LOCK, 3/8"

1шт.

18

3129559R1

LEVER

ASSY, aux valve

1шт.

19

120394

WASHER,3/8", SAE

WASHER, .406 x .812 x .051

2шт.

20

46883H

CLEVIS PIN,3/8" x 1 9/16"

PIN, 3/8 x 1.562 pln clevis

1шт.

103373

COTTER PIN,3/32" x 3/4"

Pin, Split (Cotter), 3/32" x 3/4"

1шт.

21

20947R1

O-RING,0.103" Thk x 0.799" ID, -117, Cl 6, 90 Duro

13/16 x 1 class 6

2шт.

22

383219R1

O-RING,0.924" ID x 0.103" Width

15/16 x 1-1/8 class 6

1шт.

23

3129555R1

TUBE

ASSY, rear outlet, lower

1шт.

24

3129554R1

HYD TUBE

TUBE ASSY, rear outlet, raise

1шт.

25

535301R1

CLAMP

rear outlet tube

2шт.

180081

BOLT,Hex, 5/16"-18 x 1 1/4", G5

1шт.

80681

LOCK WASHER,5/16"

WASHER, LOCK, 5/16"

1шт.

120376

NUT,5/16"-18, G5

1шт.

26

3129558R1

PLATE

coupling

1шт.

180081

BOLT,Hex, 5/16"-18 x 1 1/4", G5

2шт.

180085

SPRING

5/16 x 1-3/4 type 5

2шт.

413-540

BOLT,Hex, 5/16" - 18 x 2-1/2", Gr 5

5/16 x 2-1/2 type 5

2шт.

80681

LOCK WASHER,5/16"

WASHER, LOCK, 5/16"

6шт.

120376

NUT,5/16"-18, G5

6шт.

27

1500503C1

SPACER

2шт.

28

3129557R1

SPACER

2шт.

Выбрано товаров: 44