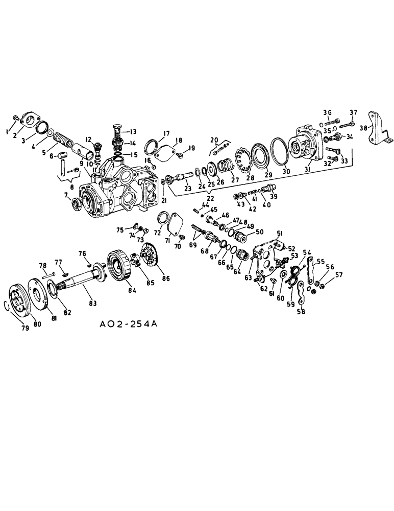
Запчасти Case IH 484 (12-36) - POWER, FUEL INJECTION PUMP, BOSCH INJECTION C. R. PUMP Power

Схема запчастей Case IH 484 - (12-36) - POWER, FUEL INJECTION PUMP, BOSCH INJECTION C. R. PUMP Power
53
8
86
72
68
15
75
65
79
63
70
64
38
13
58
33
84
25
83
73
78
36
67
35
77
54
1
42
14
4
37
27
66
17
76
48
7
31
82
62
2
10
39
49
18
56
69
24
40
71
51
9
28
41
30
74
20
43
46
61
16
22
6
85
57
23
19
47
80
81
45
34
11
60
55
3
32
5
44
26
29
52
50
21
59
12
FIT
1:1
100%

Артикул

Название

Примечание

Количество

3144402R91

PUMP

fuel injection, EP/VA3/100H 1100 CR 62

1шт.

Engine serial no. 379591 and below.

1шт.

3144222R93

PUMP, FUEL INJECTION

EP/VA3/100H 1090 CR43/3

1шт.

Engine serial no. 379592 and above.

1шт.

9635082

NUT,5/16" - 18, Gr 5

2шт.

103320

LOCK WASHER,5/16"

WASHER, LOCK, 5/16"

2шт.

3055574R1

WASHER,8.5mm ID x 19mm OD x 2.5mm Thk

.355 x .748 x .098

2шт.

1

439189C1

SCREW

pan hd

2шт.

931585R1

BOLT,M6 x 15mm, Cl 10.9

hex hd

1шт.

2

3078489R1

COVER

advance housing

1шт.

3

3078488R1

RING

packing

1шт.

4

3078528R1

THRUST WASHER

thrust, 0.6mm

1шт.

4

3078529R1

THRUST WASHER

thrust, 0.8mm

1шт.

4

3078530R1

THRUST WASHER

thrust, 1.0mm

1шт.

4

3078531R1

THRUST WASHER

thrust, 1.2mm

1шт.

4

3078532R1

THRUST WASHER

thrust, 1.4mm

1шт.

4

3078533R1

THRUST WASHER

thrust, 3.0mm

1шт.

5

3078608R1

SPRING

advance piston

1шт.

Engine serial no. 379591 and below.

1шт.

5

3078565R1

SPRING

advance piston

1шт.

Engine serial no. 379592 and above.

1шт.

6

3078482R1

SLIDE

advance piston

1шт.

7

3078355R2

OIL SEAL

oil drive shaft

1шт.

8

3078481R1

PIN

connecting auto advance

1шт.

9

3078572R91

HOUSING

w/advance piston, complete

1шт.

10

3078358R1

O-RING

regulator valve

1шт.

11

3078535R1

O-RING

regulator valve

1шт.

12

3078698R1

VALVE

regulator

1шт.

Engine serial no. 379591 and below.

1шт.

12

3078646R1

VALVE

regulator

1шт.

Engine serial no. 379592 and above.

1шт.

13

3059086R1

BANJO BOLT

SCREW, inlet union pump hsg

1шт.

14

3078484R1

VALVE

overflow

1шт.

15

3078483R1

O-RING,2.5mm Thk x 15mm ID

union adapter advance housing

1шт.

16

3078487R1

O-RING

packing

1шт.

17

3078488R1

RING

packing plate advance housing

1шт.

18

3078486R1

COVER

PLATE, advance housing

1шт.

19

931585R1

BOLT,M6 x 15mm, Cl 10.9

M6 x 15 class 10.9

2шт.

20

(Not used this application)

1шт.

21

3078761R2

WASHER

1.80mm

1шт.

21

3078763R2

WASHER

1.84mm

1шт.

21

3078765R2

WASHER

1.88mm

1шт.

21

3078767R2

WASHER

1.92mm

1шт.

21

3078769R2

WASHER

1.96mm

1шт.

21

3078771R2

WASHER

2.00mm

1шт.

21

3078773R2

WASHER

2.04mm

1шт.

21

3078775R2

WASHER

2.08mm

1шт.

21

3078777R2

WASHER

2.12mm

1шт.

21

3078779R2

WASHER

2.16mm

1шт.

21

3078781R2

WASHER

2.20mm

1шт.

21

3078783R2

WASHER

2.24mm

1шт.

21

3078785R2

WASHER

2.28mm

1шт.

21

3078787R2

WASHER

2.32mm

1шт.

21

3078789R2

WASHER

2.36mm

1шт.

21

3078791R2

WASHER

2.40mm

1шт.

21

3078793R2

WASHER

2.44mm

1шт.

21

3078795R2

WASHER

2.48mm

1шт.

21

3078797R2

WASHER

2.52mm

1шт.

21

3078799R2

WASHER

2.56mm

1шт.

21

3078801R2

WASHER

2.60mm

1шт.

21

3078803R2

WASHER

2.64mm

1шт.

21

3078805R2

WASHER

2.68mm

1шт.

21

3078807R2

WASHER

2.72mm

1шт.

21

3078809R2

WASHER

2.76mm

1шт.

21

3078811R2

WASHER

2.80mm

1шт.

21

3078813R2

WASHER

2.84mm

1шт.

21

3078815R2

WASHER

2.88mm

1шт.

22

3078770R91

HEAD

distributor assy w/plunger, throttle and control plunger

1шт.

Engine serial no. 379591 and below.

1шт.

22

3078701R91

HEAD

distributor assy w/plunger

1шт.

Engine serial no. 379592 and above.

1шт.

23

NOT SERVICED SEPARATELY, order head assy 3078770R91 or 3078701R91

1шт.

24

3078540R1

WASHER

plunger, 1.35mm

1шт.

24

3078541R1

WASHER

plunger, 1.60mm

1шт.

24

3078542R1

WASHER

plunger, 1.85mm

1шт.

25

3078537R1

WASHER

plunger, 1.65mm

1шт.

25

3078571R1

WASHER

plunger, 2.35mm

1шт.

26

3078516R1

SEAT

spring plunger

1шт.

27

3078515R1

SPRING

plunger

1шт.

28

3078576R1

SPRING WASHER

spring

1шт.

29

3078578R1

FILTER, FUEL

FILTER

1шт.

30

3078366R1

O-RING

distributor head

1шт.

31

NOT SERVICED SEPARATELY, order head assy 3078770R91 or 3078701R91

1шт.

32

NOT SERVICED SEPARATELY, order head assy 3078770R91 or 3078701R91

1шт.

33

NOT SERVICED SEPARATELY, order head assy 3078770R91 or 3078701R91

1шт.

34

3078514R1

PLUG

distributor head

1шт.

3132407R1

O-RING

packing distributor head plug

1шт.

35

(Not used this application)

1шт.

36

3078600R1

SCREW

pump to distributor head

2шт.

37

3078600R1

SCREW

pump to distributor head

2шт.

38

3078549R1

SUPPORT

BRACKET, injection pump

1шт.

39

3059067R2

HYD CONNECTOR

HOLDER, delivery valve

3шт.

40

3059066R1

WASHER,2.5mm ID x 7.3mm OD x 1.5mm Thk

delivery valve

3шт.

41

3132408R1

SPRING

delivery valve

3шт.

42

3059064R1

VALVE

delivery

3шт.

43

3079378R1

WASHER

delivery valve

3шт.

44

3078555R1

SPRING

throttle

1шт.

45

(Not used)

1шт.

46

3078517R1

SHAFT

throttle

1шт.

47

3078519R1

WASHER

throttle shaft

1шт.

48

3078354R1

O-RING,2mm Thk x 6.5mm ID

throttle shaft

1шт.

49

785602R1

O-RING

control plunger and throttle shaft bushing

1шт.

50

3078556R1

BUSHING

throttle shaft

1шт.

51

3078557R1

PLATE

stop

1шт.

52

3132885R1

BOLT

stop

1шт.

86500688

NUT,Hex, M6 x 1.0, Cl 10.9

hex. stop screw M6, Cl 8

1шт.

53

3132251R1

STOP LOCK

SCREW, stop

1шт.

3079141R1

NUT

hex stop screw

1шт.

54

3132588R1

SPRING

torsion throttle shaft

1шт.

55

3132590R1

LEVER

throttle, optional w/3132591R1

1шт.

55

3132591R1

LEVER

throttle, optional w/3132590R1

1шт.

56

933987R1

LOCK WASHER,M6

WASHER, lock throttle and control plunger lever

2шт.

57

86500688

NUT,Hex, M6 x 1.0, Cl 10.9

hex throttle and control plunger lever M6, Cl 8

1шт.

58

3059077R1

LEVER

control plunger, optional w/3059078R1

1шт.

58

3059078R1

LEVER

control plunger, optional w/3059077R1

1шт.

59

3132589R1

SPRING

torsion control plunger shaft

1шт.

60

3059076R1

WASHER

control plunger shaft

1шт.

61

931320R1

SCREW,M6 x 12mm, Cl 8.8

countersunk stop plate

4шт.

62

3059074R1

SCREW

stop

1шт.

86500688

NUT,Hex, M6 x 1.0, Cl 10.9

hex stop screw M6, Cl 8

1шт.

63

3136136R1

SCREW

stop

1шт.

86500688

NUT,Hex, M6 x 1.0, Cl 10.9

hex stop screw M6, Cl 8

1шт.

64

3078524R1

BUSHING

control plunger shaft

1шт.

65

785602R1

O-RING

control plunger and throttle shaft bushing

1шт.

66

3078363R1

O-RING

control plunger shaft

1шт.

67

3078523R1

WASHER

control plunger shaft

1шт.

68

3078521R1

SHAFT

control plunger

1шт.

69

3078772R91

PACKAGE

service control plunger spring

1шт.

Engine serial no. 379591 and below.

1шт.

69

3078610R1

PACKAGE

service control plunger spring

1шт.

Engine serial no. 379592 and above.

1шт.

70

931330R1

SCREW,M6 x 1 x 12mm, Cl 8.8

pan hd mach timing window cover

2шт.

71

3078486R1

COVER

timing window

1шт.

72

3078485R1

RING

packing timing window cover

1шт.

73

931326R1

SCREW,Slotted Cheese , M4 x 0.7 x 5mm, Cl 8.8

pan hd slotted timing pointer

1шт.

74

933982R1

WAVE WASHER,M4.3 ID x 9 OD x .5 Thk

WASHER, lock timing pointer

1шт.

75

3132598R1

INDICATOR

timing

1шт.

76

3132395R1

KEY

woodruff drive shaft rear

1шт.

77

3079101R1

WOODRUFF KEY

KEY, woodruff drive shaft

1шт.

78

3078477R1

BOLT,CSK

c/sk support ring

2шт.

79

3078474R1

RING

retaining

1шт.

80

3078475R91

PUMP

charge

1шт.

81

3078476R1

RING

support charge pump

1шт.

82

3078479R1

THRUST WASHER

thrust roller retainer

1шт.

83

3078473R1

SHAFT

drive

1шт.

84

3078550R91

PUMP

RETAINER, roller assy

1шт.

85

3059007R1

DISC

cross type

1шт.

86

3078896R1

BOLT

CAM, face

1шт.

Engine serial no. 379591 and below.

1шт.

86

3078696R1

CAM

face

1шт.

Engine serial no. 379592 and above.

1шт.

3078526R91

GASKET KIT

SET, gasket injection pump, consists of

1шт.

3078485R1

RING

packing

1шт.

3078488R1

RING

packing

2шт.

3078358R1

O-RING

1шт.

3078535R1

O-RING

1шт.

3078966R1

O-RING

1шт.

3078354R1

O-RING,2mm Thk x 6.5mm ID

1шт.

785602R1

O-RING

2шт.

3078363R1

O-RING

1шт.

Выбрано товаров: 160