Запчасти Case IH 485 (6-256) - REAR FRAME, COVER AND CONNECTIONS (06) - POWER TRAIN

Схема запчастей Case IH 485 - (6-256) - REAR FRAME, COVER AND CONNECTIONS (06) - POWER TRAIN
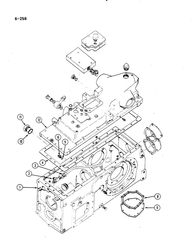
11
1
2
5
6
4
8
3
10
12
9
FIT
1:1
100%

Артикул

Название

Примечание

Количество

1

1289949C91

FRAME ASSY

FRAME rear, includes plugs and pins listed below, Serial Range: -18001

1шт.

1

82793C91

FRAME

rear, Replaced: 82793C91, includes plugs and pins listed below, Start Serial: 18001

1шт.

Ref. 1 82793C91 (shuttle shift) new frame assy. rear is P/N 1537322C1. New adapter (brake pipe) is P/N 1537006C1.

1шт.

327412R1

PLUG,Cup, 13/16"

cup, 13/16 inch

1шт.

3113103R1

PLUG

hex, 3/4 inch NPTF

1шт.

444836

PLUG,Hex Hd, 3/4"-14

hex, 3/4 inch NPTF, optional to 3113103R1

1шт.

349373R1

PLUG

cup, 1-1/4 inch

1шт.

19904R1

DOWEL,1/2" x 1"

PIN dowel, 1/2 x 1 inch

2шт.

19875R1

DOWEL,5/8" x 1 1/2"

PIN dowel, 5/8 x 1-1/2 inch

4шт.

386194R1

PLUG,Cup, 3/4"

cup, 3/4 inch

2шт.

512870R1

PLUG,Cup, 2 1/4"

cup, 2-1/4 inch

1шт.

19846R1

DOWEL,1/2" x 1 1/4"

PIN dowel, 1/2 x 1-1/4 inch

1шт.

23828R1

PLUG,Cup, 2 1/2"

cup, 2-1/2 inch

1шт.

151162R1

PLUG,Cup, 1 3/8"

cup, 1-3/8 inch

2шт.

327413R1

PLUG

cup, 1-1/2 inch

1шт.

28673R1

PLUG,Cup, 2 1/8"

cup, 2-1/8 inch

1шт.

3142063R1

PLUG

cup, 52 mm

1шт.

2

9411131

TEE,3/4"-16, 37 Degree x 3/4"-18, O-Ring Run

adjustable, 90 degree, 1/2 inch OD tube

1шт.

3

68393C1

TUBE ASSY.

TUBE return, transfer pump, Serial Range: -18001

1шт.

3

86337C1

PIPE

TUBE return, Start Serial: 18001

1шт.

4

538649R92

GASKET KIT

KIT gasket, rear frame cover

1шт.

5

369751R1

O-RING,0.072" Thk x 0.351" ID, -904, Cl 6, 90 Duro

4-1, 90 Duro, .351" ID x .072" Thk, 1/4 OD tube, class 6

1шт.

6

3129671R1

FITTING

ADAPTER brake pipe, right brake tube

1шт.

8

405739R2

GASKET

cover, side PTO, Serial Range: -18001

1шт.

8

82632C2

GASKET

transfer gear box, Start Serial: 18001

1шт.

9

405738R1

COVER

side PTO, Serial Range: -18001

1шт.

179837

BOLT,Hex, 3/8" - 16 x 3/4", Gr 5

, Serial Range: -18001

7шт.

9

94293C1

COVER

CAWD opening, Start Serial: 18001

1шт.

24860R1

BOLT,Hex, 1/2" - 13 x 1", Gr 8

, Start Serial: 18001

9шт.

10

296247R1

O-RING,16-1, 90 Duro, 1.171" ID x .116" Thk

1 inch OD tube, class 6

1шт.

11

9410363

PLUG

O-ring boss, 1 inch OD tube

1шт.

12

529381R96

COVER ASSY

COVER rear frame, includes the plugs listed below in this figure and the bolt, nut and two studs listed in the beginning of Figure 6-258

1шт.

386194R1

PLUG,Cup, 3/4"

cup, 3/4 inch

1шт.

373553R1

PLUG,Cup, 7/8"

cup, 7/8 inch

1шт.

41600D

PLUG,Cup, 1 1/8"

cup, 1-1/8 inch

1шт.

24469R1

PLUG,Cup, 3 1/4"

cup, 3-1/4 inch

2шт.

Выбрано товаров: 36