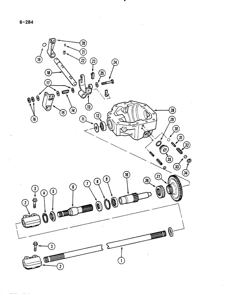
Запчасти Case IH 485 (6-284) - TRANSFER GEARBOX, 4 WHEEL DRIVE, MFD AXLE APL-330, P.I.N. 18001 AND AFTER (06) - POWER TRAIN

Схема запчастей Case IH 485 - (6-284) - TRANSFER GEARBOX, 4 WHEEL DRIVE, MFD AXLE APL-330, P.I.N. 18001 AND AFTER (06) - POWER TRAIN
14
1
19
11
35
34
33
13
2
2
3
6
24
26
20
27
8
30
7
29
3
18
31
28
17
9
23
32
16
4
12
25
21
10
5
15
22
FIT
1:1
100%

Артикул

Название

Примечание

Количество

82357C91

HOUSING

BOX transfer gear, Includes Ref. 4 thru 35 in this figure and Ref. 36 thru 38 in Figure 6-286

1шт.

1

1335029C1

DRIVE SHAFT

SHAFT drive

1шт.

2

90031C2

SPLINED COUPLING,21T

COUPLING drive shaft

2шт.

3

90088C1

BOLT,M12 x 1.5 x 47mm, Cl 12.9

hex, M12 x 45 mm

4шт.

4

934443R1

SNAP RING,M58, Int

RING retaining, internal, 61.74 mm

1шт.

5

81087C1

RING, SNAP

RETAINER

1шт.

6

81158C1

SHAFT

1шт.

7

81086C1

OIL SEAL

SEAL oil

1шт.

8

933237R1

SNAP RING,M55, Int

RING retaining, internal, 58.74 mm

1шт.

9

81093C1

BEARING, ROLLER

BEARING roller

1шт.

10

81091C1

SHAFT

1шт.

11

81089C1

THRUST WASHER

WASHER

1шт.

12

81088C1

BEARING, ROLLER

BEARING roller

1шт.

13

81161C1

BOW

BRACKET

1шт.

14

81166C1

COIL SPRING

SPRING compression

2шт.

15

81160C1

LEVER

left

1шт.

16

933681R1

THIN NUT,Thin, M10 x 1.5, Cl 04

hex, M10

4шт.

17

933133R1

WASHER,M10.5 ID x 20 OD x 2 Thk

flat, 10 mm

6шт.

18

81163C1

SHAFT

1шт.

19

81167C1

O-RING,17.3mm ID x 2.4mm Width

17.3 x 2.4 mm

1шт.

20

81159C1

LEVER

right

1шт.

21

717020R1

LOCK PIN,M5 x 18, Slotted

PIN spring slotted, 5 x 18 mm

4шт.

22

81169C1

PIN

slotted spring, 8 x 18 mm

4шт.

23

81162C1

PLUG

2шт.

24

931713R1

BOLT,Hex, M10 x 1.5 x 75mm, Cl 8.8

hex, M10 x 75 mm

2шт.

25

933133R1

WASHER,M10.5 ID x 20 OD x 2 Thk

flat, 10 mm

2шт.

26

81092C1

RING

SLEEVE

1шт.

27

81090C1

GEAR

1шт.

28

81085C1

CASE

HOUSING, gasket for this housing is 82632C2

1шт.

29

81168C1

O-RING,2.65mm Thk x 32.5mm ID, Cl 5, 75 Duro

33 x 2 mm

1шт.

30

933975R1

BALL,14mm Dia

14 mm

2шт.

31

81165C1

SPRING

compression

2шт.

32

81164C1

SPRING

compression

2шт.

33

NSS

NOT SOLD SEPARAT

PLUG

2шт.

34

933687R1

SNAP RING,M15, Int

RING retaining

2шт.

35

905476R1

PLUG

hex socket, M36, grade 5.8

1шт.

Выбрано товаров: 36