Запчасти Case IH 485 (7-316) - BRAKE PEDALS, RESERVOIR AND PIPES (07) - BRAKES

Схема запчастей Case IH 485 - (7-316) - BRAKE PEDALS, RESERVOIR AND PIPES (07) - BRAKES
22
8
20
2
23
3
12
14
19
5
18
17
15
11
1
10
9
24
7
25
2
4
16
6
13
21
FIT
1:1
100%

Артикул

Название

Примечание

Количество

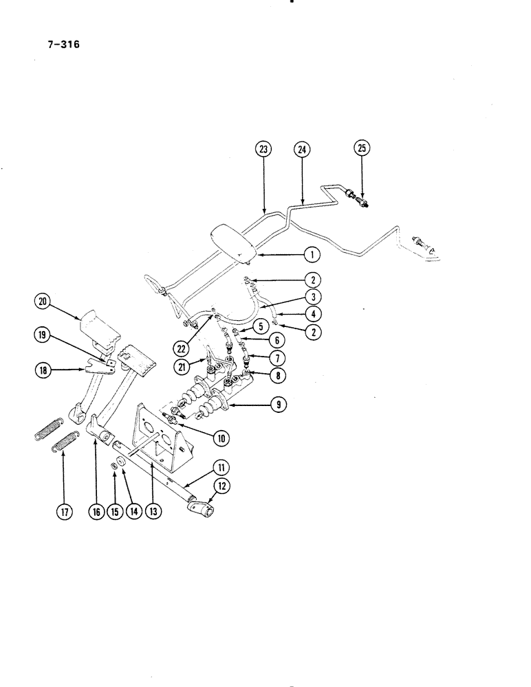
1

3129644R1

RESERVOIR

brake

1шт.

2

274085R91

HOSE CLAMP,#10, 0.56/1.06 Type F Worm

CLAMP hose, No. 10, type F

2шт.

2

3074617R1

CLAMP

hose, Serial Range: optional-274085R91

2шт.

3

3125841R1

HOSE,8.50 mm ID x 580.00 mm, SAE 100R6 Class 14

supply, brake reservior

1шт.

4

1288340C1

HOSE

reservoir dump, 250 mm

1шт.

5

3125239R1

COLLAR

CLAMP hose, worm drive

6шт.

6

3125843R1

HOSE,7.925 mm ID x 45.00 mm, SAE 30R6 or SAE 30R7

Cylinder Supply 7.925 mm ID x 45.00 mm, SAE 30R6 or SAE 30R7

2шт.

7

98805C1

BRAKE LINE

TUBE supply, brake cylinder, left

1шт.

7

98804C1

BRAKE LINE

TUBE supply, brake cylinder, right

1шт.

8

537849R2

SCREEN

with orifice

2шт.

9

1287843C91

MASTER CYLINDER

CYLINDER brake master, includes boot and kit listed below

2шт.

1288242C1

BELLOWS

BOOT dust, brake cylinder

1шт.

1288228C1

REPAIR KIT

KIT service, master cylinder seals

1шт.

181338

BOLT,Hex, 5/16" - 24 x 7/8", Gr 5

4шт.

425-115

NUT,5/16"-24, G5

- hex, 5/16 inch NF, grade 5

4шт.

103320

LOCK WASHER,5/16"

WASHER, LOCK, 5/16"

4шт.

10

399744R1

BOLT

BOLT adjusting, brake pedal

2шт.

103026

NUT,3/8"-24, G5

2шт.

103321

LOCK WASHER,3/8"

WASHER, LOCK, 3/8"

2шт.

11

1500753C1

SHAFT

pedal support

1шт.

126-121

WOODRUFF KEY,#A, 1/4" x 7/8", HT

Woodruff, 1/4 x 7/8 inch

2шт.

12

1500755C1

ARM

brake pedal

1шт.

19534R1

PIN,1/4" x 1 1/2", Coiled

1шт.

13

1970643C1

BRACKET

mounting, brake cylindert

1шт.

179837

BOLT,Hex, 3/8" - 16 x 3/4", Gr 5

3шт.

103321

LOCK WASHER,3/8"

WASHER, LOCK, 3/8"

3шт.

14

1970644C1

PLATE

stop, brake pedal

1шт.

15

894980H1

LOCK NUT

hex, self-locking, 1/2 inch NF

1шт.

16

3125226R91

PEDAL ASSY.

PEDAL brake, left

1шт.

Bushing used to mount this pedal to the shaft is P/N 539834R1

1шт.

219-45

LUBE NIPPLE,65 Degree Elbow, 1/4" NPTF

FITTING grease, drive type, 65 degree, 1/4 inch

1шт.

17

3125230R1

SPRING

return, brake pedal

2шт.

18

43751DB

LATCH, PEDALS

PLATE lock, brake pedal

1шт.

104087

RIVET,But Hd, 1/4" x 1 1/4"

solid round head, 1/4 x 1-1/4 inch

1шт.

19

51293D

SPRING

tension, brake pedal lock

1шт.

20

1500752C1

PEDAL

brake, right

1шт.

19795R1

PIN,1/4" x 1 3/4", Coiled

1шт.

21

1287847C2

BRAKE LINE,4.78 mm OD, 79, 65 mm Length

TUBE equalizer

1шт.

22

537518R1

SCREEN

with orifice

1шт.

23

1956753C1

PIPE

TUBE brake, left

1шт.

24

1282573C2

BRAKE LINE

TUBE brake, right

1шт.

25

3129671R1

FITTING

ADAPTER brake pipe

2шт.

Выбрано товаров: 42