Запчасти Case IH 485 (8-348) - HYDRAULIC PUMP AND CONNECTIONS, TRACTORS WITH FORWARD AND REVERSE, PRIOR TO P.I.N. 18001 (08) - HYDRAULICS

Схема запчастей Case IH 485 - (8-348) - HYDRAULIC PUMP AND CONNECTIONS, TRACTORS WITH FORWARD AND REVERSE, PRIOR TO P.I.N. 18001 (08) - HYDRAULICS
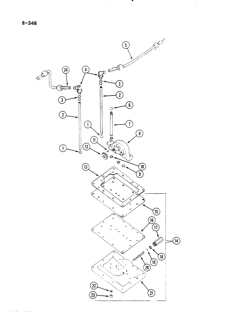
1
13
4
19
12
20
24
8
2
14
7
17
23
5
3
2
10
18
11
21
1
22
6
15
9
16
3
FIT
1:1
100%

Артикул

Название

Примечание

Количество

1

252739R1

O-RING,0.103" Thk x 0.487" ID, -112, Cl 5, 75 Duro

1/2 x 11/16 inch, class 5

4шт.

2

402545R1

PRESSURE PIPE

TUBE pressure, pump

2шт.

3

570828R1

O-RING,0.087" Thk x 0.644" ID, -908, Cl 6, 90 Duro

1/2 inch OD tube, class 6

2шт.

4

9410977

ELBOW,90 Degree, 3/4"-16, 37 Degree x 3/4"-16, O-Ring

adjustable, 90 degree, 1/2 inch OD tube

2шт.

5

66116C2

TUBE ASSY.,0.5" OD, 13.04, 2.26" Length

TUBE return, forward and reverse

1шт.

6

382997R1

O-RING,0.07" Thk x 0.489" ID, -14, Cl 6, 90 Duro

1/2 x 5/8 inch, class 6

2шт.

7

402544R1

SUCTION PIPE

TUBE oil inlet

1шт.

8

527757R92

PUMP

hydraulic, Includes Ref. 9 - 11

1шт.

179841

BOLT,Hex, 3/8" - 16 x 1 1/4", Gr 5

- hex, 3/8"-16 NC x 1-1/4", G5

2шт.

103321

LOCK WASHER,3/8"

WASHER, LOCK, 3/8"

2шт.

9

574069R1

O-RING,0.750" ID x .062"

3/4 x 7/8 inch, class 5

1шт.

10

379181R1

O-RING,0.614" ID x 0.07" Width

5/8 x 3/4 inch, class 5

2шт.

11

427261

KEY

Woodruff, 1/8 x 3/8 inch

1шт.

12

528076R1

GEAR

pump driven, 14 teeth

1шт.

115548

LOCK WASHER,Int Tooth, 5/16"

WASHER, LOCK, Int Tooth, 5/16"

1шт.

114493

JAM NUT,Jam, 5/16"-24, G5

1шт.

13

402556R2

GASKET

clutch housing, bottom rear cover, pump mounting flange

1шт.

14

402547R97

VALVE

pressure regulator, Includes Ref. 15 - 23

1шт.

179842

SPACER

BOLT hex, 3/8 NC x 1-3/8 inch, grade 5

11шт.

103321

LOCK WASHER,3/8"

WASHER, LOCK, 3/8"

11шт.

15

402554R1

PLATE

pump

1шт.

16

402555R3

GASKET

pump plate

1шт.

17

NSS

NOT SOLD SEPARAT

PLUG ASSEMBLY, order kit 1502344C92

1шт.

18

570828R1

O-RING,0.087" Thk x 0.644" ID, -908, Cl 6, 90 Duro

1/2 inch OD tube, class 6

1шт.

19

NSS

NOT SOLD SEPARAT

SHIM, order kit 1502344C92

1шт.

20

NSS

NOT SOLD SEPARAT

SPRING, order kit 1502344C92

1шт.

21

NSS

NOT SOLD SEPARAT

BODY regulator valve

1шт.

22

369751R1

O-RING,0.072" Thk x 0.351" ID, -904, Cl 6, 90 Duro

4-1, 90 Duro, .351" ID x .072" Thk, 1/4 OD tube, class 6

1шт.

23

9410356

PLUG

O-ring boss, 7/16 inch NF

1шт.

24

66117C1

TUBE ASSY.

TUBE return, oil cooler, rear

1шт.

534263R91

SEALING RING

KIT service, pump seals

1шт.

1502344C93

PACKAGE

KIT service, regulator valve

1шт.

Выбрано товаров: 32