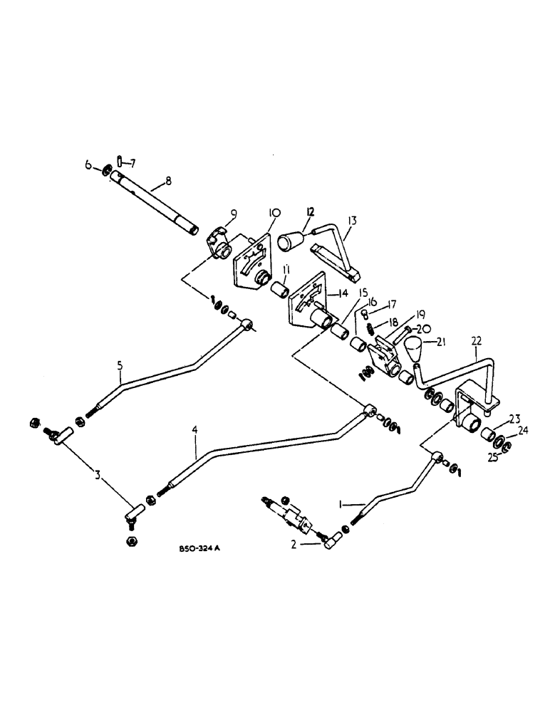
Запчасти Case IH 485 (00F03) - FORWARD AND REVERSE CONTROLS - 385 485 SLOW AND FAST SPEED (04) - Drive Train

Схема запчастей Case IH 485 - (00F03) - FORWARD AND REVERSE CONTROLS - 385 485 SLOW AND FAST SPEED (04) - Drive Train
3
16
5
18
14
7
15
20
4
19
22
2
25
17
10
9
24
12
8
21
1
23
11
13
6
FIT
1:1
100%

Артикул

Название

Примечание

Количество

1

3129232R91

ROD ASSY.

SHIFT

1шт.

3129156R1

BUSHING,9.58mm ID x 12.79mm OD x 12.7mm L

ROD END EYE

1шт.

2

1500497C1

BALL JOINT

1шт.

1500536

NUT, 7/16-28 HEX JAM

1шт.

231-4617

LOCK NUT,7/16"-20, GB

7/16-20 PREVAILING TORQUE HEX

1шт.

131-181

LOCK NUT,3/8"-24, GC

7/16-20 PREVAILING TORQUE TURR - OPTIONAL

1шт.

3

653867C1

BALL JOINT

3/8 IH TYPE G4

2шт.

18-252

NUT

3/8-24 ZND HEX JAM

2шт.

495-81130

WASHER,10.31mm ID x 19.05mm OD x 0.69mm Thk

13/32 X 3/4 X .020

4шт.

3048059R91

LOCK NUT

3/8-24 HEX

2шт.

4

3129226R92

ROD ASSY.

SPEED SHIFT - FAST SPEED

1шт.

3129156R1

BUSHING,9.58mm ID x 12.79mm OD x 12.7mm L

ROD END EYE

1шт.

5

3129222R91

ROD ASSY.

SPEED SHIFT

1шт.

3129156R1

BUSHING,9.58mm ID x 12.79mm OD x 12.7mm L

ROD END EYE

1шт.

6

454331R1

SNAP RING,#87, Ext

1шт.

7

617940R1

PIN,5/16" x 1 3/4", Coiled

5/16" x 1 3/4", Coiled

1шт.

8

3129155R3

SHAFT

SHAFT, RANGE SHIFT LEVER

1шт.

9

3129218R2

PLATE

GATE ASSY, SHIFT

1шт.

10

3129211R92

LEVER

SPEED SHIFT 1ST/2ND

1шт.

83723R1

WAVE WASHER

WAVE

1шт.

495-81130

WASHER,10.31mm ID x 19.05mm OD x 0.69mm Thk

1шт.

280250

COTTER PIN,3/32" OD x 3/4" L

1шт.

11

3129207R1

BUSHING,22.25mm ID x 25.48mm OD x 30mm L

LEVER

1шт.

12

3129267R1

BALL KNOB

SPEED SHIFT LEVER

1шт.

13

3129265R5

LEVER

SPEED SHIFT

1шт.

14

3129217R92

LEVER

SPEED SHIFT 3RD/4TH

1шт.

83723R1

WAVE WASHER

WAVE

1шт.

495-81130

WASHER,10.31mm ID x 19.05mm OD x 0.69mm Thk

1шт.

280250

COTTER PIN,3/32" OD x 3/4" L

1шт.

15

3129207R1

BUSHING,22.25mm ID x 25.48mm OD x 30mm L

LEVER

1шт.

16

530815R1

BUSHING,22.27mm ID x 25.46mm OD x 22.23mm L

2шт.

17

439-158

HEADED PIN,5/16" x 1/2"

5/16 HEADED

1шт.

18

71486C1

SPRING

1шт.

19

3129214R91

HOUSING

SELECTOR ARM

1шт.

20

439-1632

HEADED PIN,9.53mm OD x 50.8mm L

3/8 X 2 HEADED

1шт.

21

3129267R1

BALL KNOB

SHIFT LEVER

1шт.

22

3129271R95

LEVER ASSY.

RANGE SHIFT

1шт.

495-81130

WASHER,10.31mm ID x 19.05mm OD x 0.69mm Thk

1шт.

280250

COTTER PIN,3/32" OD x 3/4" L

1шт.

23

530815R1

BUSHING,22.27mm ID x 25.46mm OD x 22.23mm L

RANGE SHIFT LEVER

1шт.

24

95-81028

WASHER,0.91" ID x 1.25" OD x 0.03" Thk

.906 X 1.250 X .027 PLAIN

2шт.

25

454331R1

SNAP RING,#87, Ext

2шт.

Выбрано товаров: 42