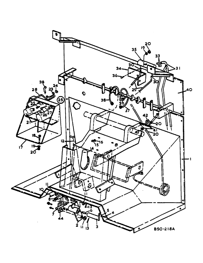
Запчасти Case IH 485 (00B06) - PLATE, BRAKE RESERVOIR AND PIPES, DE-LUXE CAB (5.1) - BRAKES

Схема запчастей Case IH 485 - (00B06) - PLATE, BRAKE RESERVOIR AND PIPES, DE-LUXE CAB (5.1) - BRAKES
36
19
13
38
31
35
19
13
20
44
22
30
5
3
10
12
25
18
37
20
11
40
21
27
11
38
2
26
6
28
39
20
23
11
41
34
16
43
4
42
7
30
1
24
20
14
33
8
17
15
29
FIT
1:1
100%

Артикул

Название

Примечание

Количество

1

3125565R1

PLATE

SPARE PART FRONT LOWER

1шт.

2

1500690C1

ARM

CLUTCH

1шт.

3

3125596R1

SHAFT

SPARE PART CLUTCH ARM

1шт.

895-11010

WASHER,11mm ID x 20mm OD x 2mm Thk

2шт.

4

930242R1

BOLT,Hex, M6 x 1 x 12mm, Cl 8.8, Full Thd

Set

1шт.

895-11010

WASHER,11mm ID x 20mm OD x 2mm Thk

2шт.

5

493-81002

LOCK WASHER,Ext-Int Tooth, 1/4"

1шт.

6

219-37

LUBE NIPPLE,45 Degree Elbow, 1/4" - 28 NPTF

1шт.

7

1500691C1

LEVER

CLUTCH LOWER

1шт.

8

213-4

ADJUSTABLE CLEVIS,3/8"-24 x 2 1/2"

1шт.

9

427-6106

CLEVIS PIN,9.53mm OD x 26.92mm L

Rod End

1шт.

10

432-610

COTTER PIN,3/32" x 5/8"

1шт.

11

AP00165310

WASHER

5/16

1шт.

12

1500689C1

ROD

ARM, CLUTCH UPPER

1шт.

13

3125529R1

PIN

2.5 X 18 COTTER

2шт.

14

3125599R1

SLEEVE

CLUTCH ARM

1шт.

15

3125600R1

SCREW

SPARE PART MG X 25 SET

1шт.

16

829-1306

NUT,M6, Cl 10

1шт.

17

3116929R1

BRACKET

BRAKE CYL

1шт.

18

931618R1

BOLT,Hex, M8 x 1.25 x 16mm, Cl 8.8, Full Thd

3шт.

19

93-41033

LOCK WASHER,Ext Tooth, 5/16"

5/16 TOOTHED

3шт.

20

829-1308

NUT,M8, Cl 10

3шт.

21

CYLINDER ASSY, BRAKE

2шт.

22

181338

BOLT,Hex, 5/16" - 24 x 7/8", Gr 5

4шт.

23

492-11031

LOCK WASHER,5/16"

4шт.

24

425-115

NUT,5/16"-24, G5

4шт.

25

530374R92

VALVE

EQUALIZER

1шт.

26

413-410

BOLT,Hex, 1/4" - 20 x 5/8", Gr 5

2шт.

27

92-4

LOCK WASHER,1/4"

2шт.

28

530851R2

TUBE

EQUALIZER L H

1шт.

28

530852R1

TUBE

EQUALIZER R H

1шт.

29

66367C1

TUBE ASSY.,0.31" OD, 2.5" Length

FEED PIPE

2шт.

30

537849R2

SCREEN

AND ORIFICE ASSY

2шт.

31

66372C1

HYDRAULIC HOSE,0.31" ID x 25.00"

BRAKE

2шт.

32

520894R1

SPARE PART

4шт.

33

537518R1

SCREEN

AND ORIFICE ASSY

2шт.

34

3125602R1

BRACKET

SPARE PART BRAKE RESERVOIR

1шт.

35

3121385R1

RESERVOIR

1шт.

36

931618R1

BOLT,Hex, M8 x 1.25 x 16mm, Cl 8.8, Full Thd

2шт.

37

3125605R1

TUBE

COMPLETE, BRAKE RH

1шт.

38

3125604R1

TUBE

COMPLETE, BRAKE LH

1шт.

39

3125606R1

GROMMET

SPARE PART

2шт.

40

3125607R1

PLATE

SPARE PART FRONT UPPER

1шт.

41

3125608R1

BRACKET

SPARE PART BRAKE LIGHT SWITCH

1шт.

42

231261A1

NEUTRAL START SWITCH

STOP LIGHT

1шт.

43

426897

JAM NUT,Jam, 3/4"-10, G5

3/4-10 LOCK

1шт.

44

3125609R2

ARM

CPTE CLUTCH, CONSISTS OF

1шт.

1500693C1

ARM CLUTCH WELDED

1шт.

1500694C1

ARM CLUTCH

1шт.

930244R1

BOLT,Hex, M8 x 1.25 x 25mm, Cl 8.8, Full Thd

M8 X 30

1шт.

829-1308

NUT,M8, Cl 10

3шт.

93-41033

LOCK WASHER,Ext Tooth, 5/16"

STAR 5/16

1шт.

614-6016

BOLT,Hex, M6 x 1 x 16mm, Cl 8.8, Full Thd

Set

4шт.

829-1306

NUT,M6, Cl 10

4шт.

179416

WASHER STAR 1/4

4шт.

3125601R1

BRACKET

SPARE PART SAFETY START SWITCH

1шт.

1500688C91

PACKAGE

CLUTCH PEDAL LINKAGE IMPROVEMENT - CONSISTS OF

1шт.

1500689C91

ROD CLUTCH UPPER

1шт.

3125529R1

PIN

COTTER 2 5 DIA

2шт.

1500690C1

ARM

CLUTCH

1шт.

3125567R1

BUSHING

SPARE PART BEARING

2шт.

1500691C1

LEVER

ROD CLUTCH LOWER

1шт.

3125529R1

PIN

COTTER 2 5 DIA

2шт.

1500692C1

CLIP

R 2 5 DIA

1шт.

3125609R2

ARM

COMPLETE CLUTCH

1шт.

213-4

ADJUSTABLE CLEVIS,3/8"-24 x 2 1/2"

3/8 X 24

1шт.

114494

NUT,Jam, 3/8"-24, G5

1шт.

427-6106

CLEVIS PIN,9.53mm OD x 26.92mm L

Rod End

1шт.

Выбрано товаров: 68