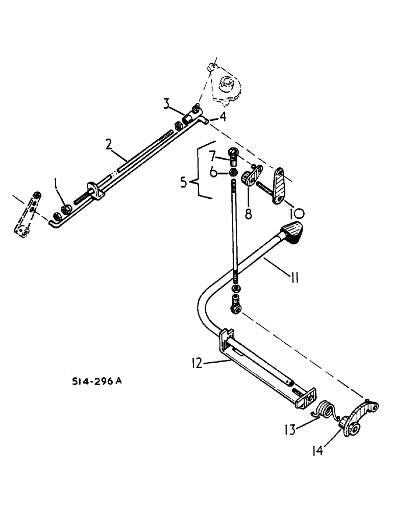
Запчасти Case IH 485 (0E11-2) - FOOT ACCELERATOR, MACHINES NOT FITTED W/CAB Power

Схема запчастей Case IH 485 - (0E11-2) - FOOT ACCELERATOR, MACHINES NOT FITTED W/CAB Power
11
6
4
5
12
13
7
14
10
1
8
2
3
FIT
1:1
100%

Артикул

Название

Примечание

Количество

1

528776R1

NUT

FOOT ACCELERATOR PICK-UP ROD SWIVEL

1шт.

2

528775R1

ROD

FOOT ACCELERATOR PICK-UP

1шт.

425-154

JAM NUT,Jam, 1/4"-28, G5

1шт.

3

276835R91

BALL JOINT,1/4" - 28 x 1"

1/4 UNF

1шт.

3

276835R91

BALL JOINT,1/4" - 28 x 1"

1/4 UNF

1шт.

3

276835R91

BALL JOINT,1/4" - 28 x 1"

1/4 UNF - OPTIONAL

1шт.

25-114

NUT,1/4"-28, G5

1/4-28 HEX

1шт.

92-4

LOCK WASHER,1/4"

1шт.

4

528767R1

ROD ASSY.

BELLCRANK

1шт.

NLS

NO LONGER SERVICED

PIN, COTTER 1/16 X 1/2

2шт.

5

532108R1

ROD ASSY.

CONNECTING

1шт.

6

425-144

JAM NUT,Jam, 1/4"-20, G5

2шт.

7

1265138C1

BALL JOINT

CONNECTING ROD

2шт.

8

532104R1

LEVER ASSY.

BELLCRANK INNER

1шт.

9

NOT APPLICABLE

1шт.

10

532100R2

ARM ASSY.

BELLCRANK

1шт.

754603R2

SPACER

1шт.

495-11041

WASHER,0.406" ID x 0.812" OD x 0.065" W

13/32 X 13/16 X .051

2шт.

438-11016

LOCK PIN,5/32" x 1", Slotted

1шт.

11

532096R2

PEDAL ASSY.

FOOT ACCELERATOR

1шт.

12

532094R3

SUPPORT

FOOT ACCELERATOR PEDAL

1шт.

353517X1

SCREW

5/16-24 X 3/4 HEX HD CAP

2шт.

425-115

NUT,5/16"-24, G5

2шт.

13

532099R1

SPRING

FOOT ACCELERATOR PEDAL RETURN

1шт.

14

532102R1

LEVER ASSY.

BELLCRANK OUTER

1шт.

63370

PIN,5/32" x 1", Slotted

1шт.

Выбрано товаров: 26