Запчасти Case IH 495 (1-008) - PICTORIAL INDEX, MAIN HYDRAULICS (00) - PICTORIAL INDEX

Схема запчастей Case IH 495 - (1-008) - PICTORIAL INDEX, MAIN HYDRAULICS (00) - PICTORIAL INDEX
2
9
3
8
5
7
11
10
1
6
4
FIT
1:1
100%

Артикул

Название

Примечание

Количество

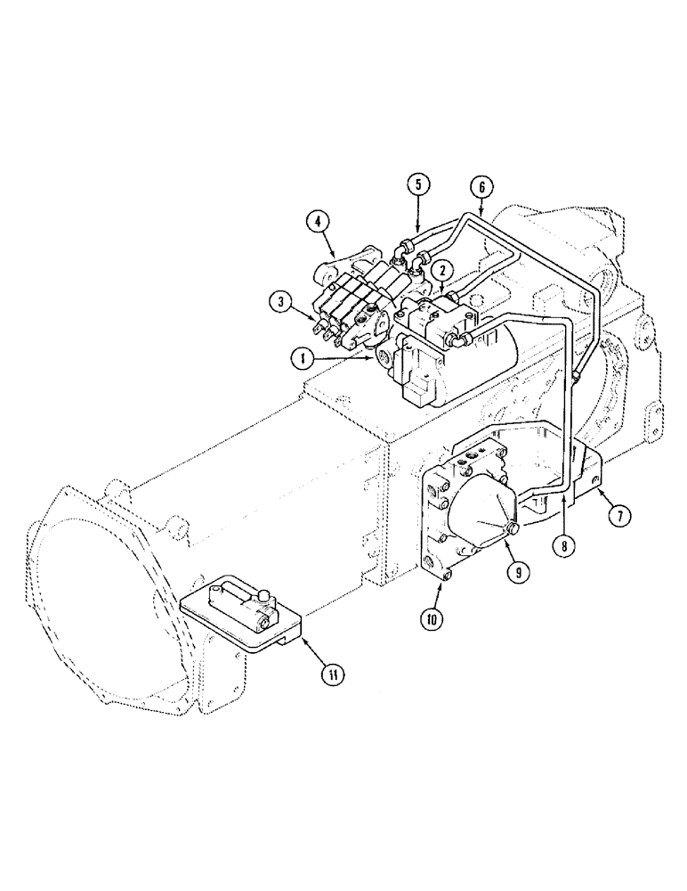
1

Draft Control Cylinder and Valve, Pages 8-35, 39

1шт.

2

Unloading and Flow Control Valve, Pages 8-37, 41

1шт.

3

Remote Auxiliary Control Valves, Pages 8-23, 25, 27, 29, 31, 33

1шт.

4

Hitch Control Shaft Support, Pages 8-35, 45

1шт.

5

Variable Flow Tube, Page 8-35

1шт.

6

Variable Flow Supply Tube, Page 8-35

1шт.

7

Transfer Gear Drop Box, Pages 6-69, 77

1шт.

8

Draft control Pressure Tube, Page 8-35

1шт.

9

Hydraulic Oil Filter, Page 8-3

1шт.

10

Multiple Control Valve, Pages 8-7, 9

1шт.

11

Pressure Regulator Valve (2 Wheel Drive Tractor with 2 speed power shift), Pages 8-11, 19

1шт.

11

Pressure Regulator Valve (Dog Clutch MFD Tractor with 2 speed power shift), Pages 8-11, 19

1шт.

11

Pressure Regulator Valve (Forward and Reverse Transmission), Pages 8-13, 21

1шт.

11

Pressure Regulator Valve (Disc Clutch MFD Tractor), Pages 8-15, 21

1шт.

Выбрано товаров: 14